1.结构轻巧紧凑,安装使用方便
2、压入式自锁机构,可防止设定压力受到外界干扰
3、压力损失小,分水效率高
4.透明外壳,可直接观察滴油量
5、除标准型外,还有低压型(最大调节压力0.4MPa)
订购代码

数据表
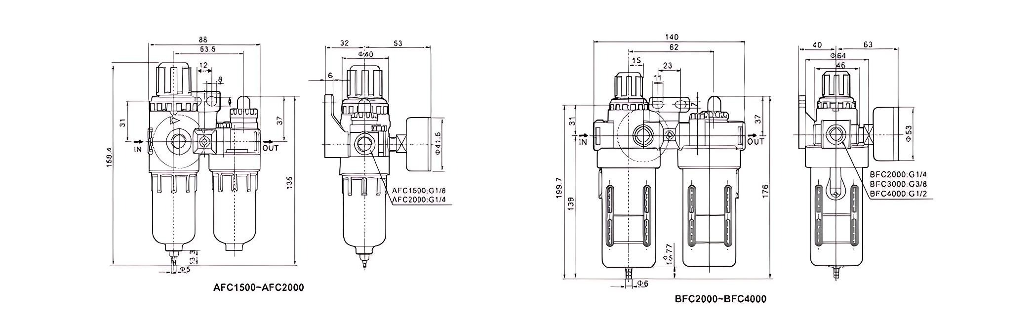
| 类型名称 | FR.L组合 | ||||
| 模型 | 亚足联1500 | 亚足联2000 | BFC2000 | BFC3000 | BFC4000 |
| 工作介质 | 空气 | ||||
| 过滤等级 | 5μm,25μm,40μm | ||||
| 端口尺寸 | G1/8,G1/4,G3/8,G1/2 | ||||
调压范围 | 0.05~0.85MPa | ||||
| 最大限度。工作压力 | 0.95兆帕 | ||||
| 耐压性 | 1.5兆帕 | ||||
| 工作温度范围 | 5-60℃ | ||||
| 滤杯容量 | A系列15CC | B系列60CC | |||
| 油杯容量 | A系列25CC | B系列90CC | |||
| 推荐油品 | ISO VG32/相当油 | ||||
| 材料 | 外壳:铝压铸成型;容器杯:PE;保护盖:铁 | ||||
| 重量 | 700克 | 900克 | |||
结构
