锌铝合金机身可抵抗腐蚀和机械应力。
低摩擦阀芯设计可轻松驱动杠杆并延长使用寿命。
支持所有标准气动接头(端口:G1/8、G1/4、G3/8、G1/2)。
订购代码

规格
型号 | 4R110-06 | 4R210-06 | 4R210-08 | 4R310-10 | 4R410-15 |
工作介质 | 空气(经40μm滤芯过滤) | ||||
| 作用形式 | 手控直动式 | ||||
接口尺寸 | G1/8 | G1/4 | G3/8 | ||
有效截面积 | 12.0平方毫米 (CV=0.67) | 14平方毫米 (CV=0.78) | 16平方毫米 (CV=0.89) | 25.0平方毫米 (CV=1.39) | 30.0平方毫米 (CV=1.67) |
位置 | 2位5通 | ||||
润滑 | 不需要 | ||||
工作压力范围 | 0~0.8MPa(0~116psi) | ||||
耐压 | 1.5MPa(215psi) | ||||
工作温度 | -20~70℃ | ||||
机身材质 | 铝合金 | ||||
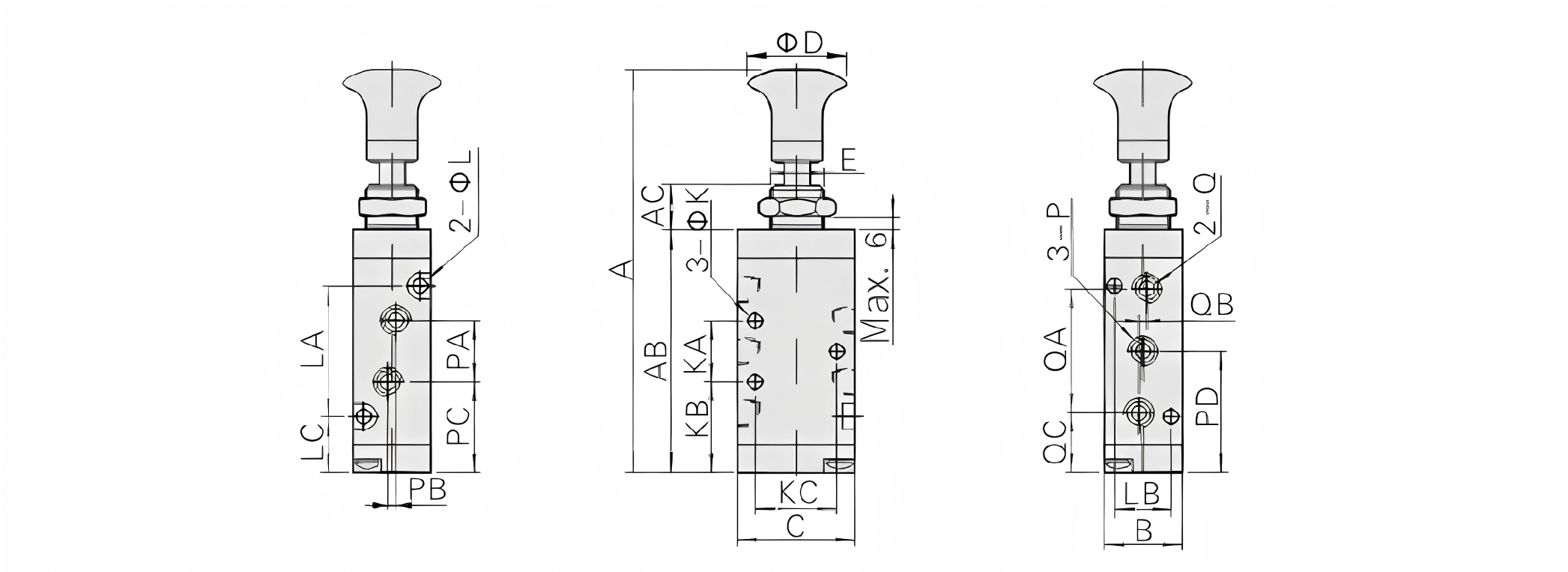
外形尺寸及结构

| 型号 | 4R110-06 | 4R210-06 | 4R210-08 | 4R310-10 | 4R410-15 |
| A | 98 | 106 | 106 | 121.5 | 121.5 |
| AB | 58.8 | 65.8 | 65.8 | 81 | 81 |
| AC | 10 | 10 | 10 | 10 | 10 |
| B | 18 | 22 | 22 | 27 | 27 |
| C | 27 | 35 | 35 | 40 | 40 |
| D | 25 | 25 | 25 | 25 | 25 |
| E | M12X0.75 | M14X1.0 | M14X1.0 | M16X1.0 | M16X1.0 |
| K | 3.3 | 4.3 | 4.3 | 4.3 | 4.3 |
| KA | 14 | 20 | 20 | 24 | 24 |
| KB | 22 | 22.5 | 22.5 | 28.5 | 28.5 |
| KC | 19 | 23.5 | 23.5 | 27.5 | 27.5 |
| L | 3.3 | 3.3 | 3.3 | 4.3 | 4.3 |
| LA | 30 | 38 | 38 | 50 | 50 |
| LB | 13 | 17 | 17 | 20 | 20 |
| LC | 14 | 13.5 | 13.5 | 15.5 | 15.5 |
| P | G1/8 | G1/8 | G1/8 | G1/4 | G1/4 |
| PA | 16 | 18 | 21 | 22 | 24 |
| PB | 3 | 0 | 3 | 0 | 4 |
| PC | 21 | 23.5 | 22 | 29.5 | 28.5 |
| PD | 29 | 32.5 | 32.5 | 40.5 | 40.5 |
| Q | G1/8 | G1/8 | G1/4 | G1/4 | H3/8 |
| QA | 28 | 36 | 36 | 45 | 45 |
| QB | 2 | 0 | 0 | 0 | 0 |
| QC | 15 | 14.5 | 14.5 | 18 | 18 |