微调功能可确保输出压力一致,最大限度地减少系统停机时间。
耐腐蚀外壳和高质量密封件可在恶劣条件下延长使用寿命。
清晰的压力刻度和符合人体工程学的旋钮,方便调节。
可选仪表增强了操作可视性。
通过保持最佳压力来减少空气消耗,从而降低运营成本。
模块化设计允许快速拆卸以进行清洁或密封件更换。
订购代码

数据表
型号 | GR200-06 | GR200-08 | GR300-08 | GR300-10 | GR300-15 | GR400-10 | GR400-15 | GR600-20 | GR600-25 |
口径(G) | 1/8 | 1/4 | 1/4 | 3/8 | 1/2 | 3/8 | 1/2 | 3/4 | 1 |
工作介质 | 空气 | ||||||||
最大工作压力 | 1.0兆帕(145Psi) | ||||||||
耐压性 | 1.5兆帕(215Psi) | ||||||||
工作温度范围 | -20~70℃ | ||||||||
调压范围 | 0.05~0.9兆帕 (7-130Psi) | ||||||||
重量 | 160克 | 350克 | 720克 | 1700克 | |||||
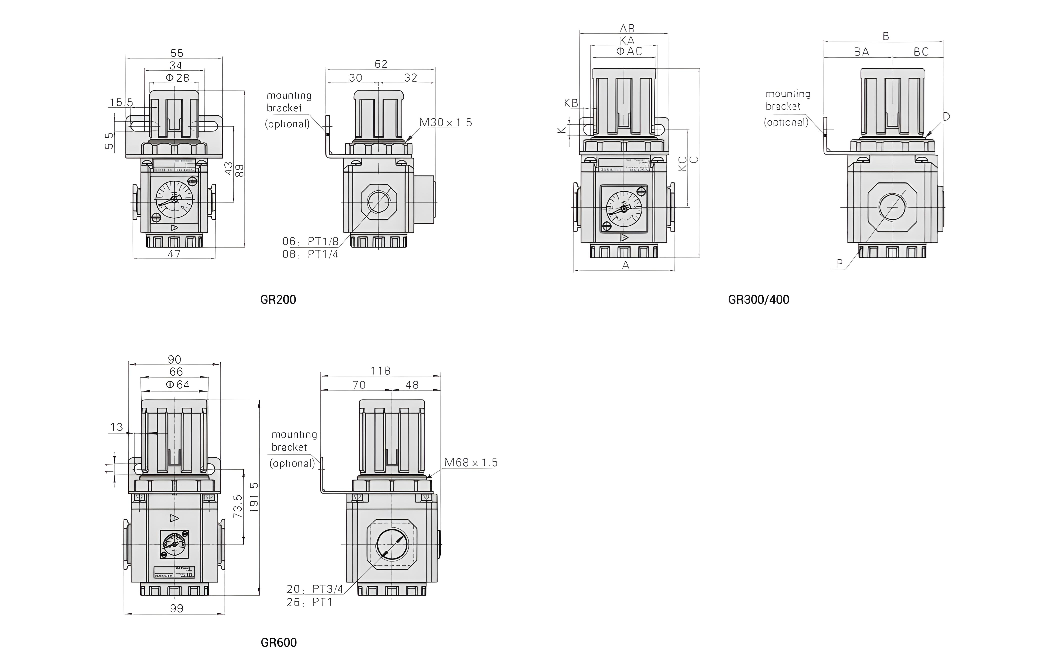
结构

型号 | A | AB | AC | B | BA | BC | C | D | K | KA | KB | KC | P | |
| GR200-06 | 47 | 55 | 28 | 62 | 30 | 32 | 89 | M30x1.5 | 5.5 | 34 | 15.5 | 43 | G1/8 | |
| GR200-08 | 47 | 55 | 28 | 62 | 30 | 32 | 89 | M30x1.5 | 5.5 | 34 | 15.5 | 43 | G1/4 | |
GR300-08 | 60 | 53 | 38 | 72 | 41 | 31 | 112.5 | M40x1.5 | 6.5 | 40 | 8 | 46 | PT1/4 | |
GR300-10 | 60 | 53 | 38 | 72 | 41 | 31 | 112.5 | M40x1.5 | 6.5 | 40 | 8 | 46 | PT3/8 | |
GR300-15 | 60 | 53 | 38 | 72 | 41 | 31 | 112.5 | M40x1.5 | 6.5 | 40 | 8 | 46 | PT1/2 | |
| GR400-10 | 60 | 72 | 52 | 90 | 50 | 40 | 140.5 | M55x2.0 | 8.5 | 55 | 11 | 53 | PT3/8 | |
| GR400-15 | 60 | 72 | 52 | 90 | 50 | 40 | 140.5 | M55x2.0 | 8.5 | 55 | 11 | 53 | PT1/2 | |
| GR600-20 | 99 | 90 | 64 | 118 | 70 | 48 | 191.5 | M68x1.5 | 11 | 66 | 13 | 73.5 | G3/4 | |
| GR600-25 | 99 | 90 | 64 | 118 | 70 | 48 | 191.5 | M68x1.5 | 11 | 66 | 13 | 73.5 | G1 | |