免维护操作:简单、坚固的设计,无电机或轴承,消除了润滑需求。
高效:强大的高频振动确保最佳的物料流动,同时空气消耗量低。
本质安全:气动设计非常适合危险区域,并具有 ATEX 认证。
耐用且用途广泛:可应对高温和恶劣环境,使用寿命长。
清洁紧凑:轻质、密封结构可防止产品污染。
数据表
| 型号 | 频率/分钟 | 测量的离心力 | 耗气量/分钟 | ||||||
| 0.2MPa | 0.4兆帕 | 0.6兆帕 | 0.2MPa | 0.4兆帕 | 0.6兆帕 | 0.2MPa | 0.4兆帕 | 0.6兆帕 | |
| 千克 | 千克 | 千克 | L | L | L | ||||
| S8 | 25500 | 31000 | 35000 | 13 | 26 | 36 | 83 | 145 | 195 |
| S10 | 22500 | 28000 | 34000 | 25 | 47 | 71 | 92 | 150 | 200 |
| S13 | 15000 | 18500 | 22510 | 32 | 55 | 87 | 94 | 158 | 225 |
| S16 | 13000 | 17000 | 19500 | 45 | 80 | 110 | 122 | 200 | 280 |
| S20 | 10500 | 14500 | 16500 | 72 | 122 | 172 | 130 | 230 | 340 |
| S25 | 9200 | 12200 | 14000 | 93 | 157 | 205 | 160 | 290 | 425 |
| S30 | 7800 | 9700 | 12500 | 151 | 247 | 321 | 215 | 375 | 570 |
| S36 | 7300 | 9000 | 10000 | 206 | 315 | 405 | 260 | 475 | 675 |
【注】本表数据取自重型实验平台上的奇石乐三轴测功机。当安装刚性较差时,频率和力值会下降。
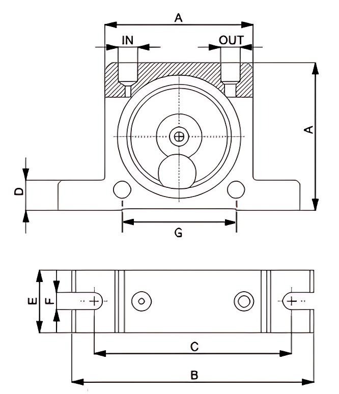
外形尺寸及结构

| 型号 | A | 宽度 | C | D | E | F | G | 输入/输出 | 重量 |
| 毫米 | 毫米 | 毫米 | 毫米 | 毫米 | 毫米 | 毫米 | 输入/输出 | 千克 | |
| S8 | 50 | 86 | 68 | 12 | 20 | 7 | 40 | G1/8 | 0.135 |
| S10 | 0.135 | ||||||||
| S13 | 65 | 113 | 90 | 16 | 28 | 9 | 50 | G1/4 | 0.305 |
| S16 | 0.305 | ||||||||
S20 | 80 | 128 | 104 | 16 | 38 | 9 | 60 | G1/4 | 0.640 |
| S25 | 0.640 | ||||||||
| S30 | 100 | 160 | 130 | 20 | 50 | 11 | 80 | G3/8 | 1.350 |
| S36 | 1.350 |