高频&可调力: 提供极高的转速和离心力,可通过调节气压平稳调节。
坚固的结构: 采用特殊的铝合金外壳,使其轻巧而耐用。
即时控制: 几乎可以立即启动和停止。
低噪音和能源效率: 专为相对安静的运行和高效的空气消耗而设计。
防爆且适用于恶劣环境: 作为气动装置,在爆炸性、粉尘或潮湿环境中使用本质上是安全的。
多种安装选项: 配备多种安装孔(底座和侧面),安装灵活。
耐高温能力: 部分型号可在温度高达 140°C 的环境中连续运行。
数据表
| 模型 | 频率/分钟 | 测量的离心力 | 耗气量/分钟 | |||||||||
| 0.2MPa | 0.4兆帕 | 0.6兆帕 | 0.2MPa | 0.4兆帕 | 0.6兆帕 | 0.2MPa | 0.4兆帕 | 0.6兆帕 | ||||
| N | 千克 | N | 千克 | N | 千克 | L | L | L | ||||
| R-50 | 25100 | 35100 | 36100 | 1170 | 119 | 2950 | 301 | 4250 | 434 | 100 | 150 | 198 |
| R-65 | 19100 | 21100 | 26100 | 2750 | 280 | 4850 | 495 | 6150 | 628 | 210 | 305 | 410 |
| R-80 | 15600 | 18600 | 19100 | 3100 | 316 | 6120 | 625 | 7400 | 755 | 290 | 435 | 570 |
| R-100 | 11100 | 14100 | 16100 | 3760 | 384 | 6700 | 684 | 8950 | 883 | 370 | 535 | 730 |
| R-120 | 10100 | 11600 | 12600 | 8100 | 827 | 10100 | 1031 | 12510 | 1277 | 500 | 730 | 970 |
【注】本表数据取自重型实验平台上的奇石乐三轴测功机。当安装刚性较差时,频率和力值会下降。
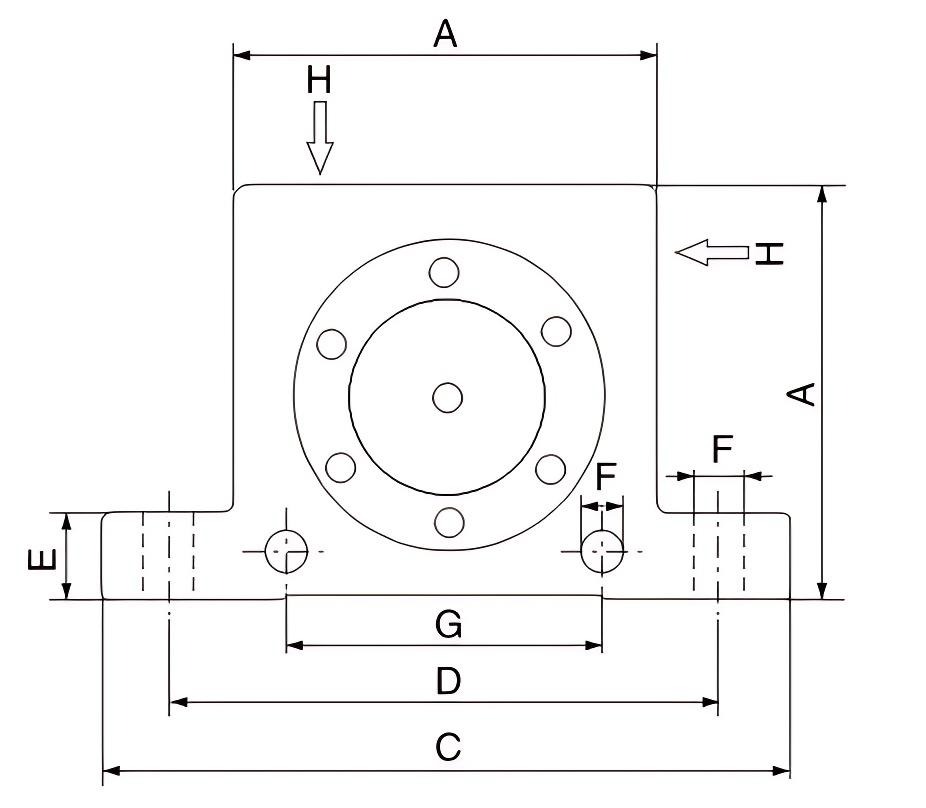
外形尺寸及结构

| 模型 | A | 宽度 | C | D | E | F | G | H | 重量 |
| 毫米 | 毫米 | 毫米 | 毫米 | 毫米 | 毫米 | 毫米 | 输入/输出 | 千克 | |
| R-50 | 50 | 29 | 86 | 68 | 12 | 7 | 40 | G1/8 | 0.245 |
| R-65 | 65 | 37 | 113 | 90 | 16 | 9 | 50 | G1/4 | 0.540 |
| R-80 | 80 | 43 | 128 | 104 | 16 | 9 | 60 | G1/4 | 0.955 |
| R-100 | 100 | 52 | 160 | 130 | 20 | 11 | 80 | G3/8 | 1.815 |
| R-120 | 120 | 77 | 194 | 152 | 24 | 17 | G3/8 | 4.265 |