快速响应,提高效率:阀门的设计采用活塞式锥面密封和短行程,有助于快速切换动作。这种快速响应(例如,动作时间 ≤ 0.2 秒)有助于最大限度地减少介质滞留,对于高效、高速的自动化周期至关重要。
可靠的密封和材料选择:使用 PTFE 或 FKM 等软密封材料可确保较低的泄漏率,从而提高阀门在介质损失至关重要的系统中的可靠性和效率。 304不锈钢阀体具有良好的耐腐蚀性能,适用于各种工业环境。
专为严苛环境而打造:该阀门具有 IP65 防护等级(防尘、防喷水)等功能以及防爆配置选项,旨在在充满挑战和危险的工业环境中可靠运行。
订购代码

数据表
| 型号 | LT23JD-8P | LT23JD-8P2 | LT23JD-15P | LT23JD-15P2 |
| 接头管径 | 8毫米 | 15毫米 | ||
| 工作压力 | 0.15~2.4Mpa | |||
| 换道时间 | ≤0.04秒 | ≤0.08秒 | ||
| 有效截面积 | ≥20毫米2 | ≥50mm2 | ||
| 工作温度 | -10~55℃ | |||
| 温度 | -5~50℃ | |||
| 使用寿命 | ≥150 | |||
结构
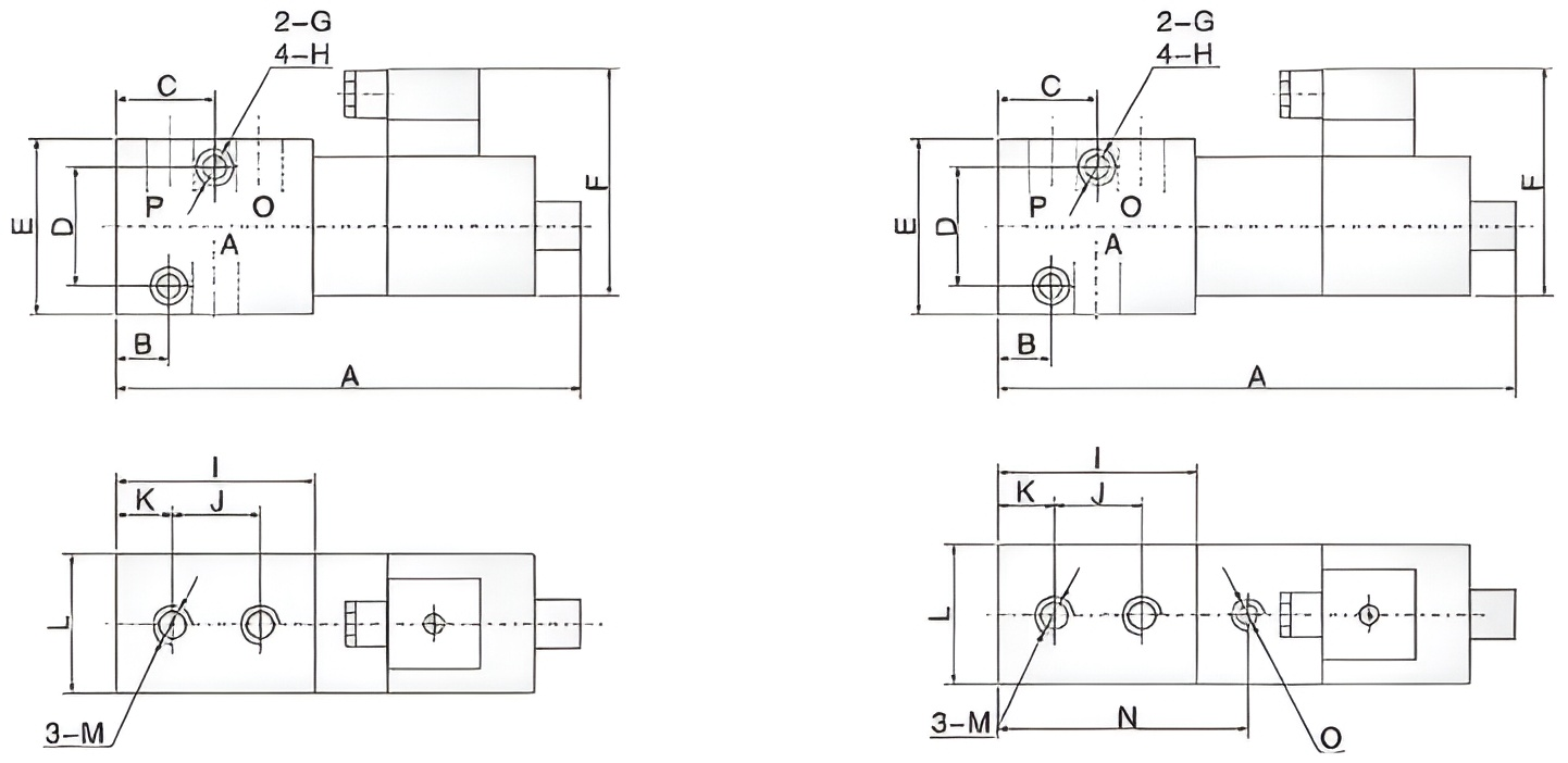
LT23JD-8P LT23JD-8P2

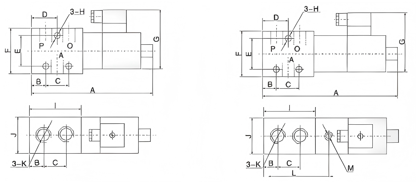
LT23JD-15P LT23JD-15P2
