线性活塞冲击原理:核心机构涉及自由振荡的压差活塞。在其标准配置中,活塞撞击弹性冲击板,产生尖锐的橡胶锤状冲击,有效破坏材料桥和粘附力。
精确且可调节的性能:由于振动的频率和振幅都可以独立调节,因此用户可以获得卓越的控制能力。通过改变供气压力来调节频率,而通过对排气进行节流来改变振幅。
高力输出:该系列专为重型任务而设计,提供广泛的离心力,从约 69 N(19 磅)到 2,039 N(255 磅),能够处理从细粉末到致密骨料的各种物质。
耐用且低维护的设计:这些振动器专为延长使用寿命而设计,具有适合高冲洗环境的全密封外壳等功能。它们无需润滑即可运行,并由铝或不锈钢等材料制成,具有耐腐蚀性。
数据表
| 型号 | 频率/分钟 | 离心力(N) | 空气消耗 | ||||
| 0.2兆帕 | 0.4兆帕 | 0.6兆帕 | 0.2兆帕 | 0.4兆帕 | 0.6兆帕 | 升/分钟 | |
| NTP25 | 3250 | 4000 | 4850 | 265 | 550 | 865 | 33-108 |
| NTP32 | 2550 | 3080 | 3560 | 350 | 850 | 1550 | 50-198 |
| NTP48 | 1880 | 2350 | 2850 | 450 | 1050 | 1750 | 96-336 |
参数换算:1公斤=9.8牛顿
【注】虽然NTP系列活塞往复振动器的振动力参数不是旋转离心力,但由于活塞往复振动器直接输出动力,实际使用的力不会小于旋转离心力。
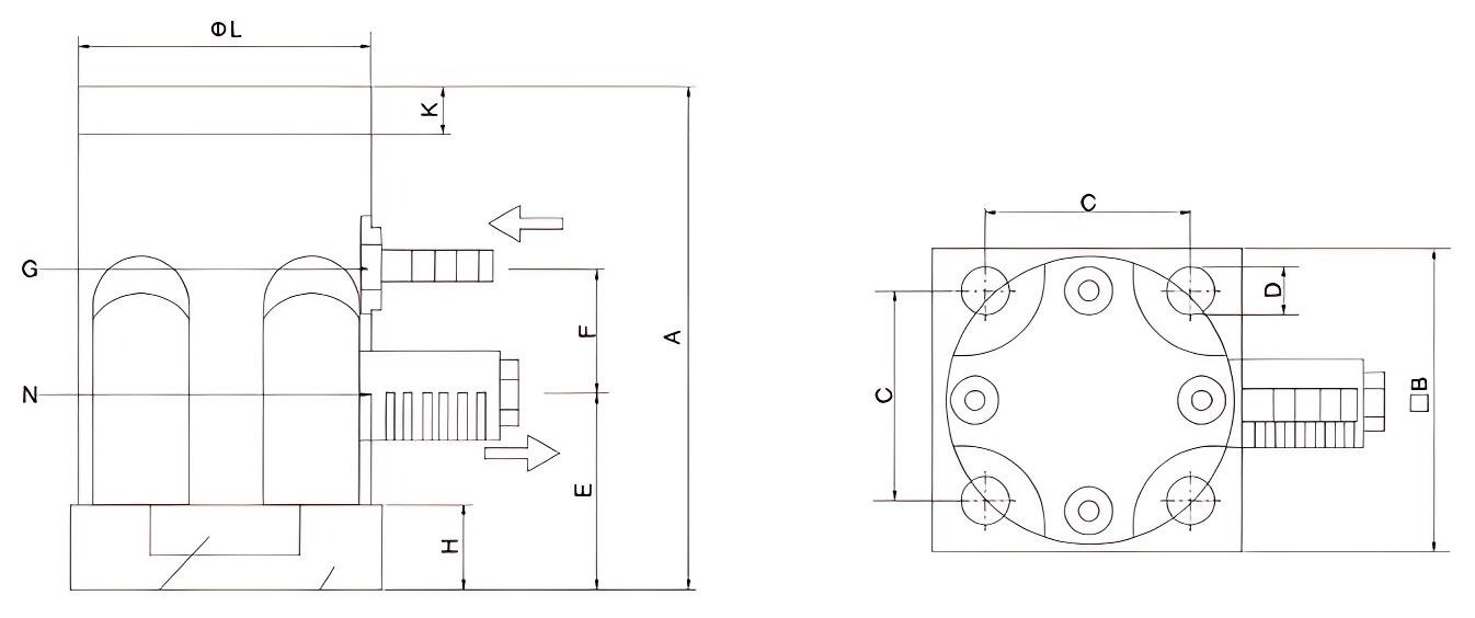
外形尺寸及结构

| 型号 | A(毫米) | B(毫米) | C(毫米) | D(毫米) | E(毫米) | F(毫米) | G | H(毫米) | K(毫米) | L(毫米) | N | 重量 |
| NTP25 | 93 | 60 | 46 | 6.5 | 36 | 14.5 | G1/8 | 15 | 8 | 57 | G1/8 | 0.61公斤 |
| NTP32 | 145 | 75 | 51 | 11 | 48 | 32 | G1/4 | 20 | 10 | 68 | G1/4 | 1.47公斤 |
| NTP48 | 192 | 100 | 78 | 13 | 60 | 51 | G3/8 | 25 | 15 | 92 | G3/8 | 3.95公斤 |