简化操作:FRL 系列结合了过滤器、调节器和润滑器,简化了安装并降低了管道复杂性。这一一体化解决方案最大限度地减少了连接点,降低了泄漏风险并提高了系统可靠性。
节省空间:FRL trio 的紧凑设计非常适合空间有限的应用,可有效利用设备空间,非常适合小型机械和自动化生产线。
优质 316L 不锈钢材质:FRL 系列由 316L 不锈钢制成,具有出色的耐化学腐蚀、耐盐水和氧化性能。这使其成为海洋应用、化工厂和食品加工设施的首选,这些设施的恶劣条件或卫生要求至关重要。
延长使用寿命:FRL 三重奏的使用寿命比标准型号长 60%,减少了停机时间和维护成本。其坚固的结构确保即使在最具挑战性的环境下也能持续运行。
订购代码

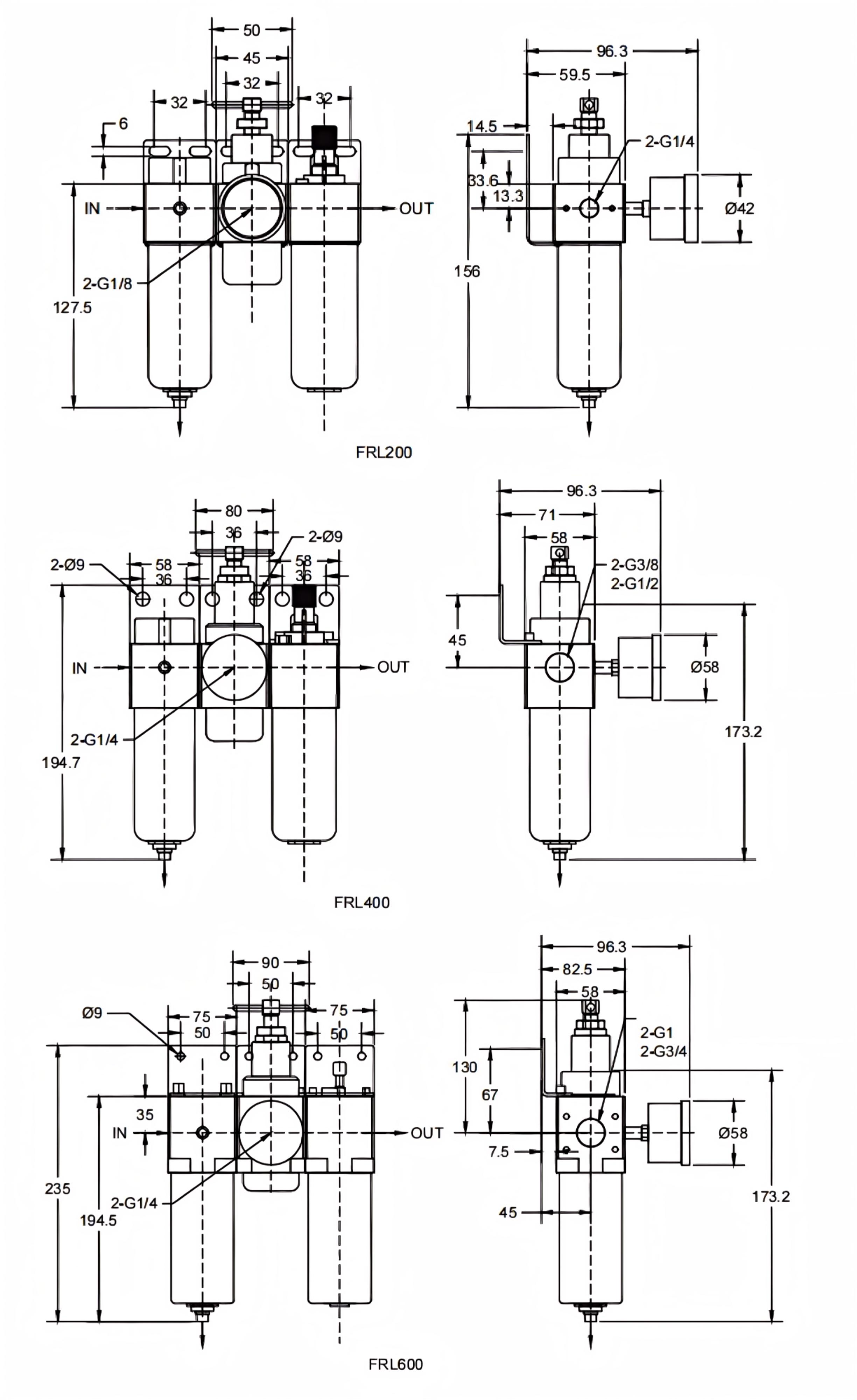
数据表
类型名称 | FRL组合 | ||||
型号 | FRL200 | FRL400 | FRL400 | FRL600 | FRL600 |
接口尺寸 (G) | G1/4 | G3/8 | G1/2 | G3/4 | G1 |
| 最大流量(升/分钟) | 1850 | 2200 | 2500 | 7600 | 8000 |
| 滤杯容量 | 105cc | 110cc | 110cc | 220cc | 220cc |
| 油杯容量 | 125cc | 130cc | 130cc | 200cc | 200cc |
| 调节器结构 | 活塞 | ||||
| 过滤等级 | 5微米、40微米 | ||||
| 工作介质 | 空气 | ||||
| 调压范围 | 0.15~2MPa | ||||
| 耐压性 | 6兆帕(870磅/平方英寸) | ||||
| 工作温度范围 | -40~100℃ | ||||
| 排水型 | 压差排水(0.05MPa以下排水) | ||||
| 材料 | SUS316不锈钢 | ||||
| 配件 | 压力表、安装支架、螺钉 x2 | ||||
结构
