产品优势
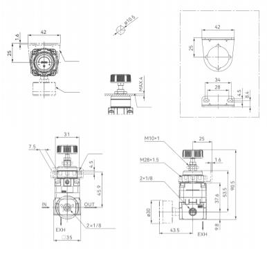
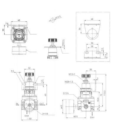
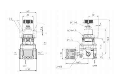
| 1、高精度控制:IR1000-01B精密减压阀可进行张力控制和接触压力控制,设定灵敏度在0.2%FS以内,重复性在±0.5%FS以内。IR1000-01B精密减压阀可进行张力控制和接触压力控制,设定灵敏度在0.2%FS以内,重复性在±0.5%FS以内。 2、压力设定范围宽:压力设定范围宽,IR1000/2000系列设定范围为0.005~0.2MPa,IR3000系列设定范围为0.01~0.2MPa。 3、轻量化设计:与前代产品相比,重量最多减轻27%左右,耗气量最多减少90%左右。 4. 易于安装和维护:紧凑的设计,1/8英寸管径和Rc螺纹,易于安装和维护。 5. 5、支架设计:附件B表示减压阀采用支架设计,方便安装固定。 |
应用领域
工业生产
自动化设备
机械设备
食品工业
医疗保健
电子行业
纺织机械
包装机械
模型 | 基本型(旋钮型) | ||
IR10 □ 0- A | IR20 □ 0-A | IR30 □ 0-A | |
体液 | 空气 | ||
耐压性 | 1.5兆帕 | ||
最大限度。供给压力 | 1.0MPa | ||
最小供给压力 注 1 | 设定压力+0.05MPa | 设定压力+0.1MPa | |
设定压力范围 | IR1000-A:0.005~0.2Mpa IR1010-A:0.01~0.4Mpa IR1020-A:0.01~0.8Mpa | IR2000-A:0.005~0.2Mpa IR2010-A:0.01~0.4Mpa IR2020-A:0.01~0.8Mpa | IR3000-A:0.01~0.2Mpa IR3010-A:0.01~0.4Mpa IR3020-A:0.01~0.8Mpa |
设置灵敏度 | FS 的 0.2% 以内 | ||
重复性注2 | 满量程的±0.5%以内 | ||
空气消耗量注3 | 小于 1 升/分钟 (ANR) | ||
管径 | 1/8 | 1/4 | 1/4,3/8,1/2 |
压力表连接直径 | 1/8(2分) | ||
环境温度和流体温度注4 | 5~60℃(非冷冻) | ||
重量(公斤)注5 | 0.13 | 0.23 | 0.47 |
注1:输出侧无流量时。
注2:不包括时间变化条件、温度特性和其他特性。
注3:测量条件:供给压力1.0MPa,设定压力0.2MPa。
注4:配备数字压力开关时,温度为-5~50℃。
注5:不含附件。
方面





内容为空!