1.结构轻巧紧凑,安装使用方便
2、压入式自锁机构,可防止设定压力受到外界干扰
3、压力损失小,分水效率高
4.透明外壳,可直接观察滴油量
5、除标准型外,还有低压型(最大调节压力0.4MPa)
6、过滤精度有5μm和40μm(可选)。
7、 延长设备寿命: 过滤空气中的颗粒物,减少对设备的磨损,延长设备的使用寿命。
8、 提高设备效率: 洁净的空气提高设备运行效率。
9、 输出压力稳定: 调压阀可精确调节输出压力,保证下游设备正常运行。
10、 提高系统可靠性: 通过净化和润滑,减少气动元件的磨损,提高系统的可靠性。
11、 压力调节精度高: 可精确调节输出压力,保证下游设备正常运行。
12. 减少维护: 由于磨损和腐蚀减少,气动元件将需要更少的维护。
13. 可用端口尺寸:M5、1/8''、1/4''、3/8''、1/2''、3/4''、1''。
14. 仪表内置, 代替仪表外置,节省安装空间。
订购代码

数据表
类型名称 | FRL 组合 | ||||||||||
模型 | NAC1000-M5 | NAC2000-01 | NAC2000-02 | NAC3000-02 | NAC3000-03 | NAC4000-03 | NAC4000-04 | NAC4000-06 | NAC5000-06 | NAC5000-10 | |
端口 尺寸 (G) | M5×*0.8 | 1/8 | 1/4 | 1/4 | 3/8 | 3/8 | 1/2 | 3/4 | 3/4 | 1 | |
杯子 保护 套 | NAC1000-2000 (不带) | NAC3000-5000 ( 瓦) | |||||||||
排水 型 | 手动 排水、 自动 排水 、 压差 排水( 可选 ) | ||||||||||
过滤 等级 | 5微米 、25微米、40微米 | ||||||||||
工作 介质 | 空气 | ||||||||||
调压 范围 | 0.05-0.07M帕 | 0.05-0.85MPa | |||||||||
最大限度。 工作 压力 | 1.0MPa ( 145Psi ) | ||||||||||
耐压 性 | 1.5MPa ( 215Psi ) | ||||||||||
工作 温度范围 | 5-60 ℃ | ||||||||||
滤 杯 容量 | 10 | 15 | 15 | 20 | 20 | 45 | 45 | 45 | 130 | 130 | |
油 杯 容量 | 10 | 15 | 15 | 20 | 20 | 45 | 45 | 45 | 130 | 130 | |
推荐 油品 | 涡轮 机油 ISOVG32 1 | ||||||||||
压力计 | Y40-01 | Y50-02 | |||||||||
L型 支架 | L10 | L20 | L20 | L30 | L30 | L40 | L40 | L50 | L50 | L60 | |
材料 | 外壳: 铝合金 压铸 成型 ; 集装 杯: PE;保护 罩: 铁 | ||||||||||
重量 | 500克 | 570克 | 570克 | 1100克 | 1100克 | 2100克 | 2100克 | 2250克 | 3750克 | 3750克 | |
成分 | 筛选 | NAF1000-M5 | NAF2000-01 | NAF2000-02 | NAF3000-02 | NAF3000-03 | NAF4000-N03 | AF4000-04 | NAF4000-06 | NAF5000-06 | NAF5000-10 |
调节阀 | NAR1000-M5 | NAR2000-01 | NAR2000-02 | NAR3000-02 | NAR3000-03 | NAR4000-03 | AR4000-04 | NAR4000-06 | NAR5000-06 | NAR5000-10 | |
润滑器 | NAL1000-M5 | NAL2000-01 | NAL2000-02 | NAL3000-02 | NAL3000-03 | NAL4000-03 | AL4000-04 | NAL4000-06 | NAL5000-06 | NAL5000-10 | |
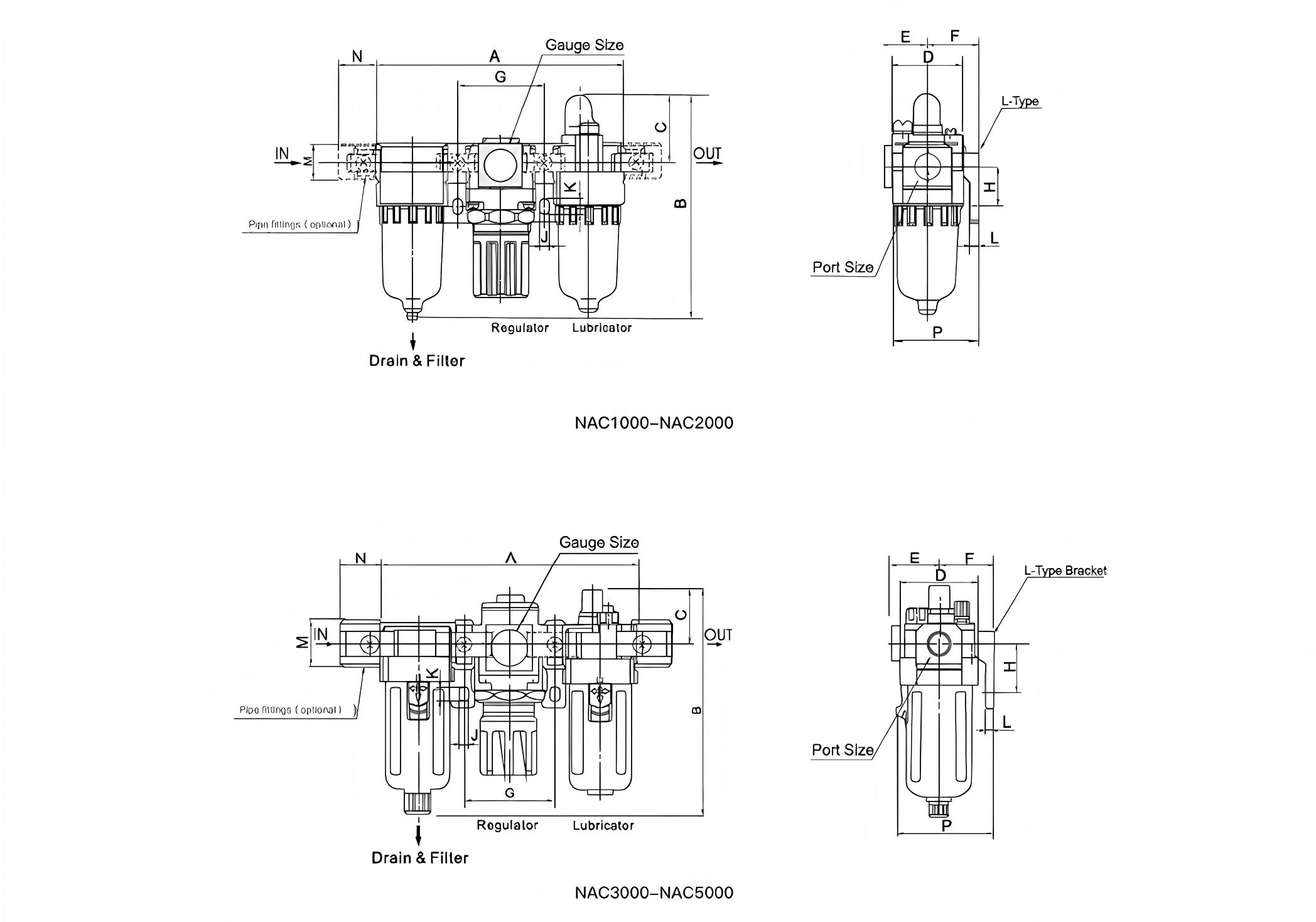
结构

尺寸(毫米)
模型 | 端口尺寸 | A | B | C | D | E | F | G | H | J | K | L | M | N | P |
NAC1000 | M5 | 91 | 84.5 | 25.5 | 25 | 26 | 25 | 33 | 20 | 4.5 | 7.5 | 5 | 17.5 | 16 | 38.5 |
NAC2000 | 1/8-1/4 | 140 | 125 | 38 | 40 | 56.8 | 30 | 50 | 24 | 5.5 | 8.5 | 5 | 22 | 23 | 50 |
NAC3000 | 1/4-3/8 | 181 | 156.5 | 38 | 53 | 60.8 | 41 | 64 | 35 | 7 | 11 | 7 | 34.2 | 26 | 70.5 |
NAC4000 | 3/8-1/2 | 238 | 191.5 | 41 | 70 | 65.5 | 50 | 84 | 40 | 9 | 13 | 7 | 42.2 | 33 | 88 |
NAC4000-06 | 3/4 | 153 | 193 | 40.5 | 70 | 69.5 | 50 | 89 | 40 | 9 | 13 | 7 | 46.2 | 36 | 88 |
NAC5000 | 3/4-1 | 300 | 271.5 | 48 | 90 | 75.5 | 69.8 | 105 | 50 | 12 | 16 | 10.5 | 55.5 | 40 | 115 |