1. 用于气动管路系统的快速气动管接头。
2. 多种管接头型号,满足您对气动管系统的所有需求。
3. 即使安装后,也可以自由改变管子的方向。
4. 镀镍金属机身确保防腐、防污染。
5. 所有R和NPT螺纹均预涂密封剂。
6. 所有圆柱螺纹均标配O型圈密封件。
订购代码


规格
带内六角直通接头:Y-KQ2S


适用管道外径 (毫米) | 连接螺纹 (R) | H (六边形的对边) | ΦD | L1 | L2 | A | M | 重量 (克) |
| Φ4 | 1/8 | 3 | 10 | 19.6 | 18.3 | 17.5 | 13.3 | 8.1 |
| Φ6 | 1/8 | 4 | 10 | 20.3 | 18.7 | 17.2 | 13.3 | 6.5 |
| 1/4 | 4 | 14 | 19.8 | 18.7 | 15.1 | 13.3 | 13.4 | |
| Φ8 | 1/8 | 5 | 13 | 23 | 19.7 | 19.8 | 14.2 | 10.2 |
| 1/4 | 6 | 14 | 23.3 | 19.7 | 18.5 | 14.2 | 14.3 | |
| 3/8 | 6 | 17 | 20.8 | 19.7 | 15.6 | 14.2 | 21.1 | |
| Φ10 | 1/8 | 5 | 15 | 24.6 | 21.4 | 21.2 | 15.6 | 12 |
| 1/4 | 8 | 15 | 24.8 | 21 | 19.9 | 15.6 | 12.4 | |
| 3/8 | 8 | 17 | 25.3 | 21 | 20 | 15.6 | 23.2 | |
| 1/2 | 8 | 22 | 21.6 | 20.5 | 14.7 | 15.6 | 37.4 | |
| Φ12 | 1/4 | 8 | 18 | 29.1 | 22.5 | 24.3 | 17 | 21 |
| 3/8 | 10 | 18 | 26.6 | 22.8 | 21.3 | 17 | 21.2 | |
| 1/2 | 10 | 22 | 23.1 | 22 | 16.4 | 17 | 30.5 | |
| Φ16 | 1/4 | 8 | 23 | 32.5 | 25.1 | 27.8 | 20.6 | 25.7 |
| 3/8 | 10 | 23 | 33.5 | 25.4 | 28.4 | 20.6 | 38.3 | |
| 1/2 | 12 | 23 | 33.4 | 26.1 | 27 | 20.6 | 43.5 |
外螺纹弯头:Y-KQ2L


适用管道外径 (毫米) | 连接螺纹 (M) | H (六边形的对边) | ΦD1 | ΦD2 | L1 | L2 | A | M | 重量 (克) |
| Φ2 | M3x0.5 | 5.5 | 6.1 | 5.5 | 12.6 | 12.5 | 12.8 | 11.9 | 1.6 |
| M5x0.8 | 7 | 6.1 | 5.5 | 12.6 | 13 | 12.9 | 11.9 | 2.7 | |
| Φ3.2 | M3x0.5 | 7 | 7.4 | 7 | 15.4 | 13.8 | 14.8 | 13.3 | 2.7 |
| M5x0.8 | 7 | 7.4 | 7 | 15.4 | 14.3 | 14.9 | 13.3 | 3.1 | |
| Φ4 | M3x0.5 | 7 | 8.8 | 7 | 15.4 | 14.4 | 16.2 | 13.3 | 2.7 |
| M5x0.8 | 7 | 8.8 | 7 | 15.4 | 14.9 | 16.2 | 13.3 | 3.1 | |
| M6x1.0 | 8 | 8.8 | 7 | 15.4 | 15.9 | 16.2 | 13.3 | 4.2 | |
| Φ6 | M5x0.8 | 7 | 10.7 | 7 | 14.6 | 16.8 | 19.2 | 13.3 | 3.2 |
| M6x1.0 | 8 | 10.7 | 7 | 14.6 | 17.8 | 19.2 | 13.3 | 4.3 |
外螺纹弯头:Y-KQ2L


适用管道外径 (毫米) | 连接螺纹 (R) | H (六边形的对边) | ΦD1 | ΦD2 | L1 | L2 | A | M | 重量 (克) |
| Φ3.2 | 1/8 | 10 | 7.4 | 10 | 14.5 | 16.5 | 17.2 | 13.3 | 4.6 |
| 1/4 | 14 | 7.4 | 10 | 14.5 | 20.6 | 20.1 | 13.3 | 14.1 | |
| Φ4 | 1/8 | 10 | 8.8 | 10 | 14.8 | 16.5 | 17.2 | 13.3 | 4.8 |
| 1/4 | 14 | 8.8 | 10 | 14.8 | 20.6 | 20.1 | 13.3 | 14.3 | |
| Φ6 | 1/8 | 10 | 10.7 | 10 | 15.3 | 18.8 | 19.4 | 13.3 | 5.2 |
| 1/4 | 14 | 10.7 | 10 | 15.3 | 22.9 | 23.3 | 13.3 | 14.7 | |
| 3/8 | 17 | 10.7 | 10 | 15.3 | 24.4 | 24.2 | 13.3 | 26.5 | |
| Φ8 | 1/8 | 10 | 13.6 | 10 | 16.3 | 19 | 22.2 | 14.2 | 6.1 |
| 1/4 | 14 | 13.6 | 12 | 17.3 | 25.1 | 27.3 | 14.2 | 17.7 | |
| 3/8 | 17 | 13.6 | 12 | 17.3 | 25.6 | 27.0 | 14.2 | 24.7 | |
| Φ10 | 1/8 | 12 | 16.2 | 12 | 18.6 | 23.6 | 28.4 | 15.6 | 11.1 |
| 1/4 | 17 | 16.2 | 17 | 19.3 | 28.7 | 31.9 | 15.6 | 21.7 | |
| 3/8 | 17 | 16.2 | 17 | 19.3 | 29.6 | 32.4 | 15.6 | 22.2 | |
| 1/2 | 22 | 16.2 | 17 | 19.3 | 33.6 | 35.1 | 15.6 | 44.6 | |
| Φ12 | 1/4 | 17 | 19 | 17 | 21.9 | 30.0 | 34.5 | 17 | 23.5 |
| 3/8 | 17 | 19 | 17 | 21.9 | 30.9 | 35.0 | 17 | 24.1 | |
| 1/2 | 22 | 19 | 17 | 21.9 | 34.9 | 37.7 | 17 | 46.5 | |
| Φ16 | 1/4 | 17 | 23.8 | 17 | 25.1 | 32.6 | 39.8 | 20.6 | 27.8 |
| 3/8 | 22 | 23.8 | 21 | 27.1 | 35.4 | 42.2 | 20.6 | 40.8 | |
| 1/2 | 22 | 23.8 | 21 | 27.1 | 34.1 | 39.6 | 20.6 | 44.5 |
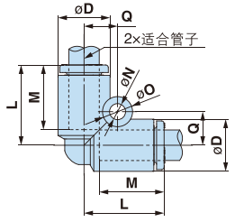
弯管:K-KQ2L


适用管道外径 (毫米) | ΦD | L | Q | M | ΦO | ΦN | 重量 (克) |
| Φ3.2 | 7.4 | 14.9 | 5.1 | 13.3 | 6 | 3.2 | 3.1 |
| Φ4 | 8.8 | 15.3 | 5.7 | 13.3 | 6 | 3.2 | 3.8 |
| Φ6 | 10.7 | 16.3 | 6.8 | 13.3 | 6 | 3.2 | 5.3 |
| Φ8 | 13.6 | 18.3 | 8.4 | 14.2 | 8 | 4.2 | 4.7 |
| Φ10 | 16.2 | 21.2 | 9.6 | 15.6 | 8 | 4.2 | 4.7 |
| Φ12 | 19 | 23.1 | 10.7 | 17 | 8 | 4.2 | 7.1 |
| Φ16 | 23.8 | 28.6 | 13.4 | 20.6 | 8 | 4.2 | 19.7 |
插管弯管:Y-KQ2L


适用管道外径 (毫米) | 连接螺纹 | ΦD1 | ΦD2 | L1 | L2 | A | M | 重量 (克) |
| Φ3.2 | Φ3.2 | 7.4 | 6.4 | 14.4 | 20.9 | 11.1 | 13 | 1.8 |
| Φ4 | Φ4 | 8.8 | 7.2 | 14.8 | 21.1 | 11.9 | 13 | 2.3 |
| Φ6 | Φ6 | 10.7 | 8 | 15.3 | 22.3 | 14.2 | 13 | 3.5 |
| Φ8 | Φ8 | 13.6 | 10 | 16.8 | 26 | 18.6 | 14 | 3 |
| Φ10 | Φ10 | 16.2 | 12 | 19.3 | 28.2 | 20.5 | 15 | 4.7 |
| Φ12 | Φ12 | 19 | 14 | 22.1 | 30.8 | 23.2 | 17 | 7 |
| Φ16 | Φ16 | 23.8 | 20 | 27.1 | 36.8 | 28.1 | 20 | 13.7 |
插管减径弯管:Y-KQ2L


适用管道外径 (毫米) | 连接螺纹 | ΦD1 | ΦD2 | L1 | L2 | A | M | 重量 (克) |
| Φ3.2 | Φ4 | 7.4 | 6.4 | 14.5 | 23.9 | 14.1 | 13.3 | 2.1 |
| Φ6 | 7.4 | 6.4 | 14.5 | 24.1 | 14.3 | 13.3 | 1.3 | |
| Φ4 | Φ6 | 8.8 | 7.2 | 14.5 | 24.6 | 15.4 | 13.3 | 2.9 |
| Φ8 | 10.7 | 9 | 15.8 | 24.2 | 15.2 | 13.3 | 1.8 | |
| Φ6 | Φ8 | 10.7 | 9 | 15.8 | 24.2 | 15.2 | 13.3 | 1.8 |
| Φ10 | 13.6 | 10 | 18.8 | 27.1 | 18.1 | 13.3 | 2.7 | |
| Φ8 | Φ10 | 13.6 | 10 | 18.8 | 27.1 | 18.1 | 14.2 | 3.5 |
| Φ12 | 16.2 | 12 | 19.4 | 35.5 | 26.5 | 14.2 | 3.5 | |
| Φ10 | Φ12 | 16.2 | 12 | 19.4 | 35.5 | 26.5 | 15.6 | 5.6 |
| Φ12 | Φ16 | 19 | 14 | 21.5 | 42.6 | 31.2 | 17 | 8.7 |