1、先导方式:内部先导或外部先导。
2、滑柱式结构:密封性好,反应灵敏。
3、双控电磁阀具有记忆功能。
4、内孔采用特殊加工工艺,摩擦力小,启动压力低,使用寿命长。
5、无需加油润滑。
6、配备附属手动装置,方便安装调试。
7、多种标准电压等级可选。
8、与汇流排一体化,节省安装空间。
9、直动式微型电磁阀可采用板式连接安装,也可直接与单阀座配合使用。
10、可高频率控制单作用气缸的操作,也可作为大流量阀门的先导阀。
11.有多种功率和管径以满足不同要求,可组合成真空、真空破坏单元,有常闭(NC)和常开(NO)两种功能。
12、功耗低、体积小、频率高、工作寿命长,可工作5000万次以上。
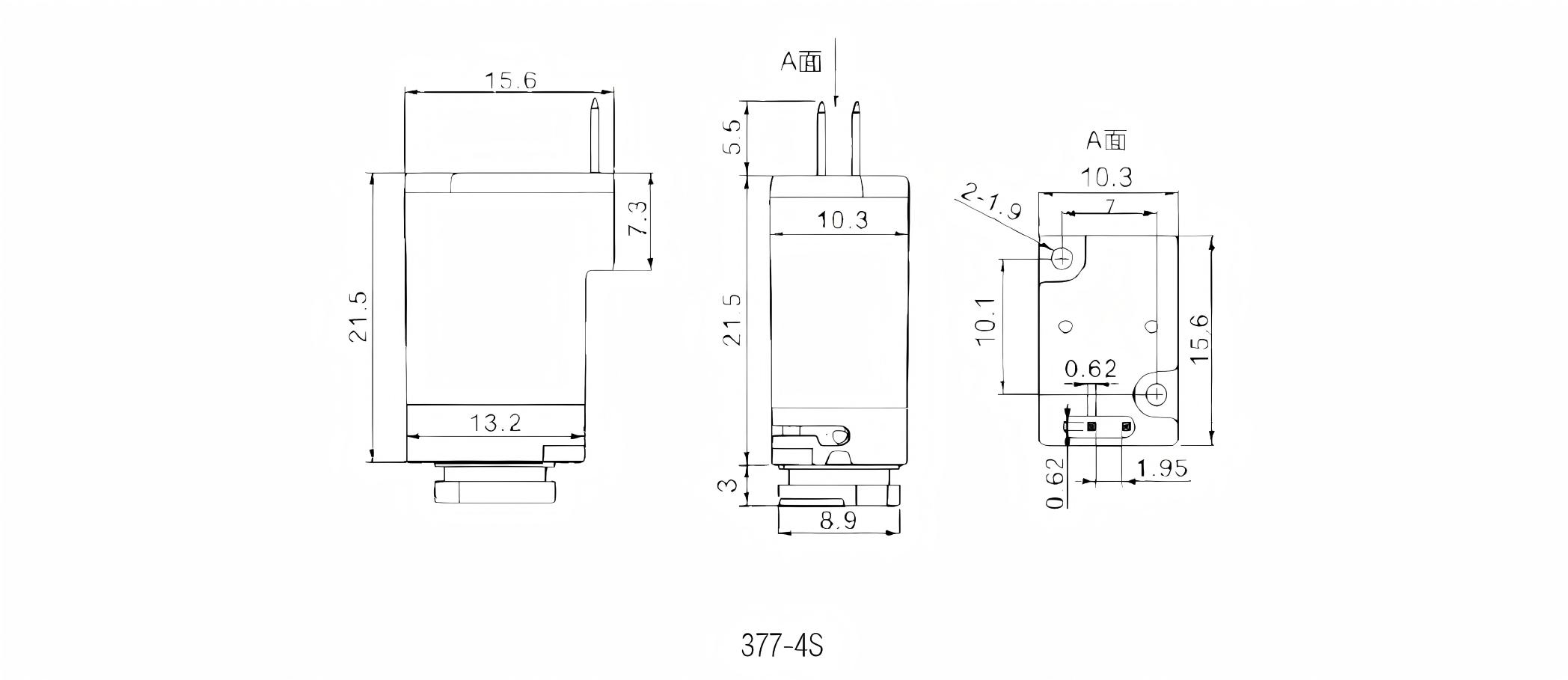
订购代码
377- 4 S 口 口
口- 口
① ② ③ ④ ⑤ ⑥ ⑦
注:当该项为“空白”时,会自动省略,如上所述:376-4XA-L
象征 | 内容 |
① | 377系列 |
② 电压 | 2:DC12V,4:DC24V,6:DC6V |
③ 连接方法 | M:90直角插针、X:直出式、S:180卧式插针、G:90直角插座、H:180卧式插座 |
④ 电路板类型 | 空白:无线电路板,P:带双向指示灯, G:带灯带过压保护电路,J:带节能模块 |
⑤ 接线长度 | 空白:不接线,A:电缆长度125mm,B:电缆长度300mm,C:特殊要求 |
⑥ 插头类型 | 空白:无插头、1:A1、2:A2、3:A3、4:A4、5:A5、6:A6、7:A7、8:A8、9:A9 |
| ⑦ 线圈电源 | 空白:0.75W,L:1W,H:0.3W(带节能模块),T:特殊功率 |
数据表
阀位功能 | 二位二通、二位三通 | 介质和环境温度 | -5℃ - 50℃(但不冷冻) |
孔口尺寸 | 0.6mm(其他直径可扩径或定制) | 工作介质 | 过滤后的压缩空气(过滤等级符合IS08573-15.4.4)或惰性气体 |
标称流量 | 14升/分钟(6巴时) | 响应时间 | 打开<8ms,关闭<10ms |
工作压力 | 0-0.7Mpa | 手动装置 | 没有 |
电压 | DC24V(或其他电压可定制) | 工作周期 | 100%连续运行 |
电压容差 | ±10% | 电气连接 | 插针式(其他类型可定制) |
功耗 | 0.75W(其他功率可定制) | IP等级 | IP50、IP65(直接引线型) |
结构
