提升阀设计:与滑阀不同,提升阀设计对压缩空气中的污染物具有很强的抵抗力,即使在空气质量不佳的情况下也能确保可靠的运行。
坚固的结构:这些阀门采用压铸铝外壳和坚固的内部组件,可承受严苛的工业环境,包括振动、冲击和温度变化。
使用寿命长:专为数百万次循环而设计,性能下降最小,显着减少停机时间和总拥有成本。
优化的流动路径:内部设计最大限度地减少流动阻力,以紧凑的占地面积提供最大的风量。这可以实现更快的气缸循环时间并提高机器生产率。
广泛的 Cv 值:提供各种尺寸,以满足从标准应用到高速操作的特定流量要求。
订购代码

产品规格
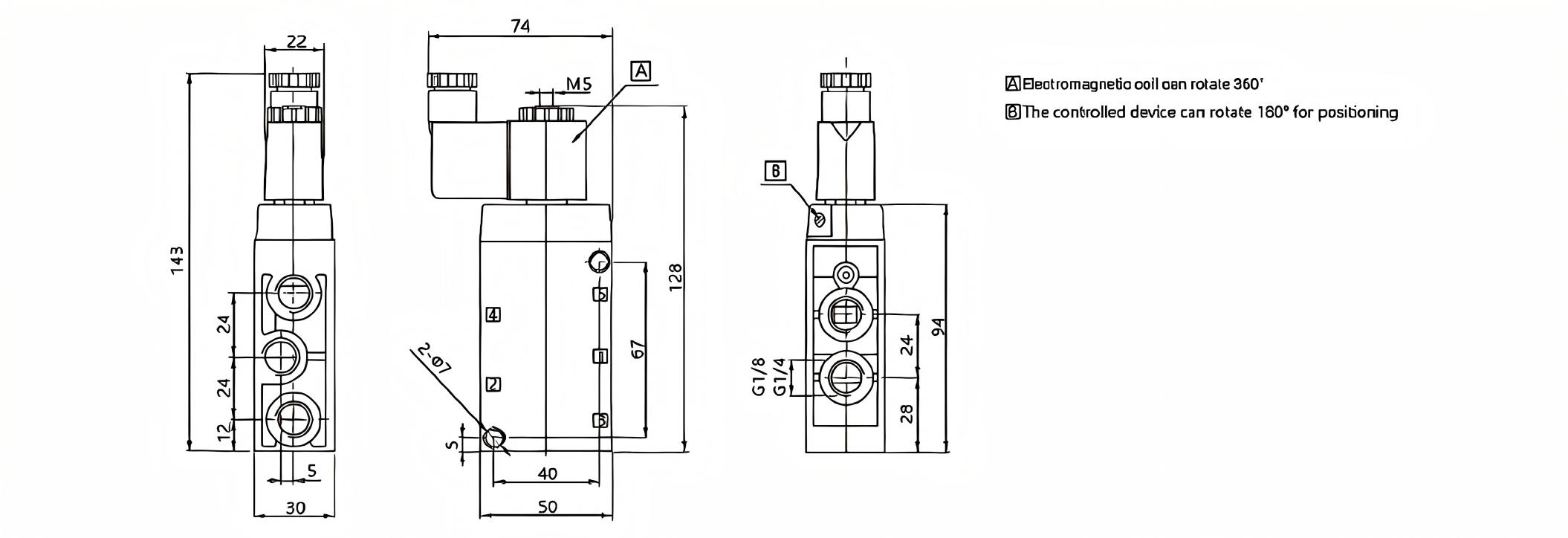
| 模型 | SLG |
| 阀门类型 | 二位五通 |
| 有效横截面积 | 22.5毫米2(CV=1.32) |
| 端口尺寸 | 入口、出口、排气口=G1/4/G1/8 |
| 过滤精度 | 40 微米过滤空气 |
| 手术 | 内部先导式 |
| 工作压力 | 0.25~1.0MPa |
| 最大限度。测试压力 | 1.2兆帕 |
| 最大限度。环境温度 | 5~50℃ |
| 工作电压容差 | ±10% |
功耗 | 交流:5.5VA 直流:4.8W |
保护 | F级。 IP65 |
接线/连接器 | 电缆/引线或 DIN 连接器 |
开关频率 | 5 周期/秒 |
响应时间 | 0.05 秒 |
外形尺寸及结构
