|
1. 操作简单高效 单作用锁气阀具有直观且易于理解的操作机制。仅用一个空气输入口进行驱动,与多作用同类产品相比,其控制过程得到简化。这种简单性降低了整个系统的复杂性,使操作员更容易安装、使用和维护。它还可以实现快速响应,因为阀门可以根据气压的存在或不存在在打开和关闭状态之间快速切换,从而确保实时有效的气流调节。 2. 具有成本效益的解决方案 由于其设计相对简单且部件较少,单作用锁气阀具有显着的成本优势。它的制造所需材料更少,从而降低了生产成本,这体现在客户更实惠的价格上。此外,其简单的操作意味着减少能耗,因为它仅在需要打开阀门时使用气压。由于没有可能需要频繁更换或调整的复杂零件,维护成本也降至最低,使其成为预算有限的各种项目的经济选择。 |
工业生产
自动化设备
机械设备
食品工业
医疗保健
电子行业
纺织机械
包装机械
数据表
| 类型名称 | 调压空气锁阀 | ||||||||
| 模型 | YT-400S | YT-400D | YT-405S | YT-405D | YT-420S | YT-420D | YT-430S | YT-430D | |
| 最大限度。输入/输出压力 | 最大限度。 1.0MPa(10巴) | ||||||||
| 最大限度。信号压力 | 最大0.7MPa(7bar) | ||||||||
| 压力设定范围 | 0.14MPa~0.7MPa(1.4~7bar) | ||||||||
| 流量系数 | 0.9 | 2.6 | 1.8 | ||||||
| 端口尺寸 | PT(NPT)1/4 | NPT1/4 | NPT1/2 | NPT3/8 | |||||
| 信号压力口尺寸 | PT(NPT)1/4 | NPT1/4 | NPT1/4 | ||||||
| 动作压差 | 低于0.1kgf/cm(1.4psi) | 低于0.01MPa(0.1bar) | |||||||
| 迟滞 | 1% | ||||||||
| 温度范围 | -20~70℃ | -20~70℃(标准)、-20~120℃(低温)、-40~70℃(低温) | |||||||
| 材料 | 压铸铝 | 316不锈钢 | 铝合金 | ||||||
| 重量 | 0.45公斤 | 0.7公斤 | 1.1公斤 | 1.5公斤 | 1.3公斤 | 2.3公斤 | 1.3公斤 | 2.3公斤 | |
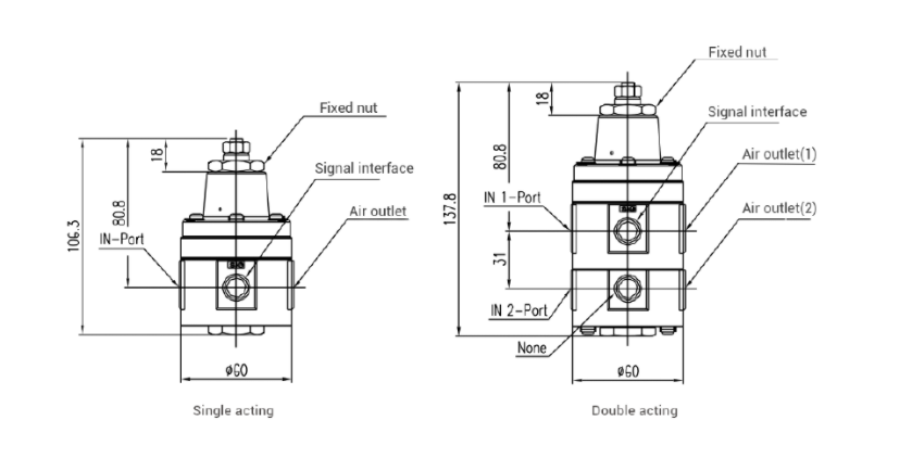
外形尺寸及结构


内容为空!