1、 高精度控制: IR1000-01B精密减压阀可进行张力控制和接触压力控制,设定灵敏度在0.2%FS以内,重复性在±0.5%FS以内。 IR1000-01B精密减压阀可进行张力控制和接触压力控制,设定灵敏度在0.2%FS以内,重复性在±0.5%FS以内。
2、 压力设定范围宽: 压力设定范围宽,IR1000/2000系列设定范围为0.005~0.2MPa,IR3000系列设定范围为0.01~0.2MPa。
3、 轻量化设计: 与前代产品相比,重量最多减轻27%左右,耗气量最多减少90%左右。
4. 易于安装和维护: 紧凑的设计,1/8英寸管径和Rc螺纹,易于安装和维护。
5、 支架式设计:附件B表示减压阀采用支架式,方便安装固定。
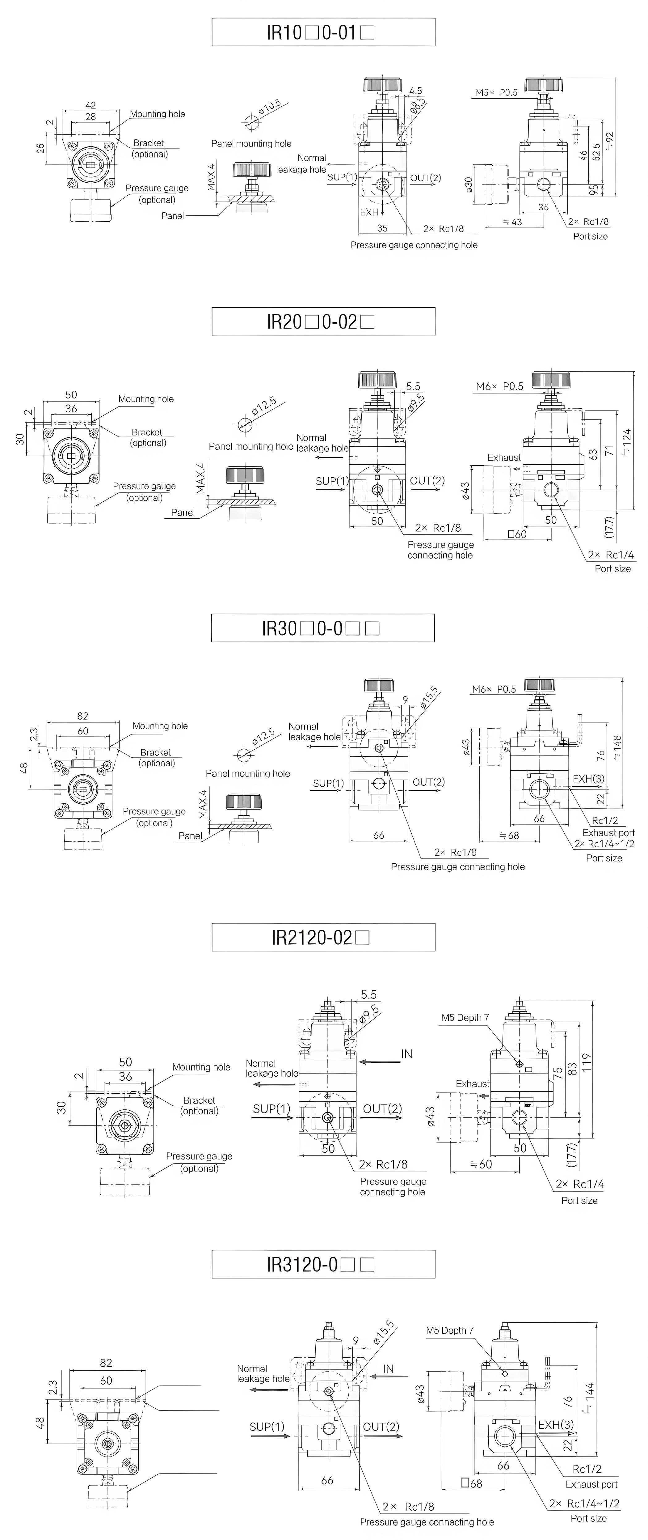
型号表示方法

Mark | 内容 | ||
①阀门尺寸 | 1 | IR1000系列 | |
2 | IR2000系列 | ||
3 | IR3000系列 | ||
②设定方法 | 0 | 基本型(手动) | |
1 | 气控型(IR2000/3000) | ||
③设定压力范围注1 | 0 | IR1000/2000:0.005-0.2MPa | IR3000:0.01-0.2MPa |
1 | IR1000/2000: 0.01-0.4MPa | IR3000:0.01-0.4MPa | |
2 | IR1000/2000: 0.01-0.8MPa | IR3000:0.01-0.8MPa | |
④螺纹类型 | 无标记 | RC | |
N | 《不扩散条约》注释 2 | ||
F | G 注2 | ||
⑤管径 | 01 | 1/8 | |
02 | 1/4 | ||
03 | 3/8 | ||
04 | 1/2 | ||
⑥配件 | 无标记 | 没有任何 | |
B | 括号 | ||
G注3 | 带压力表 | ||
⑦标记1 | 无标记 | — | |
T | 适用于高温环境(-5~100℃)(配备压力表时最高可达80℃) | ||
L注4 | 适用于低温环境(-30~60℃) | ||
⑧标记2 | 无标记 | — | |
R注5 | 背面安装有压力表、支架和铭牌 | ||
⑨定制 规格注6 | X1 | 无润滑脂规格 | |
X170 | 对应新型模块化连接(带模块化连接器) | ||
X465□ | 带数字压力开关(ISE30A) | ||
注1:气控型仅适用于IR2120/IR3120
注2:准标准产品
注3:低温环境不能选择“G”
注4:除IR1000外, IR3000不能与“L”和“X1”组合
注5:标准安装位置为左侧SUP侧,右侧OUT侧,正面可看到压力表,支架在背面
注6:洁净室规格可与连接器型号(10-)配套。无铜无氟规格可与连接器型号(20-)配套。耐臭氧规格可 与连接器型号(80-)配套。 IR1000 和 IR2000 有多种规格可供选择。 (IR2120 和 IR3000 除外)

规格
最大限度。供给压力 | 最大1.0MPa | ||||||||
分钟。供给压力注1 | 设定压力+0.05MPa | 设定压力+0.1MPa | 设定压力+0.05MPa | 设定压力+0.1MPa | |||||
设定压力范围 | IR1000;0.005~0.2MPa IR1010:0.01~0.4MPa IR1020:0.01~0.8MPa | IR2000:0.005~0.2MPa IR2010:0.01~0.4MPa IR2020:0.01~0.8MPa | IR3000:0.01~0.2MPa IR3010:0.01~0.4MPa IR3020:0.01~0.8MPa | 0.01~0.8MPa | 0.01~0.8MPa | ||||
输入信号压力注2 | 0.01~0.8MPa | 0.01~0.8MPa | |||||||
敏感性注释3 | 满量程的0.2%以内 | ||||||||
重复性注3 | 满量程的0.5%以内 | ||||||||
直线度注4 | 满量程的 1% 以内 | ||||||||
空气消耗量注5 (供给压力 为1.0MPa时) | 之内 满量程的1% | 之内 4.4升/分钟(ANR) | 之内 11.5升/分钟(ANR) | 之内 4.4升/分钟(ANR) | 之内 11.5升/分钟(ANR) | ||||
管径 | RC1/8 | RC1/4 | Rc1/4,3/8,1/2 | RC1/4 | Rc1/4,3/8,1/2 | ||||
压力连接直径 | Rc1/8 (2 分) | ||||||||
环境温度和流体温度 | 5~60℃(不结冰) | ||||||||
重量(公斤) | 0.14 | 0.30 | 0.64 | 0.35 | 0.71 | ||||
注1: 条件是输出侧无流量。 IR1000 和 IR2000 必须保证与设定压力的米英寸压差为 0.05 MPa,IR3000 为 0.1 MPa。
注2: 仅适用于气 控型 IR2120和IR3120,不包括基本型。
注3: 特征值不包括随时间或温度变化的变化。
注4: 表示输出压力相对于输入信号压力的线性度。
注5:正常情况下从正常通风口或排气口排放到大气中的量。
方面
