1. 用于气动管路系统的快速气动管接头。
2. 多种管接头型号,满足您对气动管系统的所有需求。
3. 即使安装后,也可以自由改变管子的方向。
4. 镀镍金属机身确保防腐、防污染。
5. 所有R和NPT螺纹均预涂密封剂。
6. 所有圆柱螺纹均标配O型圈密封件。
订购代码


规格
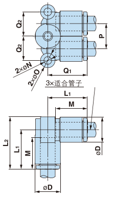
双管弯头:Y-KQ2LU


| 适用管道外径 (毫米) | ΦD | L1 | L2 | Q1 | Q2 | M | P | ΦO | ΦN | 重量 (克) |
| Φ4 | 8.8 | 15.6 | 20 | 15.6 | 7.9 | 13.3 | 8.2 | 6 | 3.2 | 3.1 |
| Φ6 | 10.7 | 16.5 | 21.8 | 16.5 | 10 | 13.3 | 10.4 | 6 | 3.2 | 4.4 |
| Φ8 | 13.6 | 18.2 | 24.8 | 18.2 | 13.1 | 14.2 | 13.2 | 8 | 4.2 | 8 |
| Φ10 | 16.2 | 20.6 | 28.8 | 20.6 | 15.9 | 15.6 | 15.9 | 8 | 4.2 | 12.2 |
| Φ12 | 19 | 22.8 | 32.2 | 22.8 | 17.9 | 17 | 18.5 | 8 | 4.2 | 18.1 |
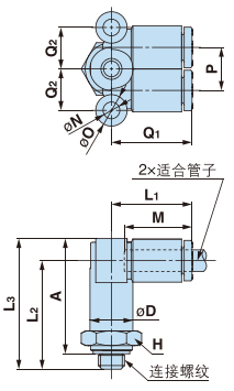
外螺纹双管弯头:Y-KQ2LU


| 适用管道外径 (毫米) | 连接螺纹 (M) | H (六边形的对边) | ΦD | L1 | L2 | L3 | A | M | P | ΦO | ΦN | Q1 | Q2 | 重量 (克) |
| Φ4 | M5x0.8 | 10 | 8.8 | 15.6 | 20.8 | 25.2 | 22.2 | 13.3 | 8.2 | 6 | 3.2 | 15.8 | 7.9 | 6.9 |
| M6x1.0 | 10 | 8.8 | 15.6 | 21.8 | 26.2 | 22.2 | 13.3 | 8.2 | 6 | 3.2 | 15.8 | 7.9 | 6.8 | |
| Φ6 | M5x0.8 | 12 | 10.7 | 16.5 | 22.2 | 27.5 | 24.5 | 13.3 | 10.4 | 6 | 3.2 | 16.5 | 10 | 10.3 |
| M6x1.0 | 12 | 10.7 | 16.5 | 23.2 | 28.5 | 24.5 | 13.3 | 10.4 | 6 | 3.2 | 16.5 | 10 | 10.3 |
外螺纹双管弯头:Y-KQ2LU


| 适用管道外径 (毫米) | 连接螺纹 (R) | H (六边形的对边) | ΦD | L1 | L2 | L3 | A | M | P | ΦO | ΦN | Q1 | Q2 | 重量 (克) |
| Φ4 | 1/8 | 10 | 8.8 | 15.6 | 23.8 | 28.2 | 24.3 | 13.3 | 8.2 | 6 | 3.2 | 15.8 | 7.9 | 9.5 |
| 1/4 | 14 | 8.8 | 15.6 | 28.2 | 32.6 | 27.1 | 13.3 | 8.2 | 6 | 3.2 | 15.8 | 7.9 | 19.3 | |
| Φ6 | 1/8 | 12 | 10.7 | 16.5 | 25 | 30.3 | 26.1 | 13.3 | 10.4 | 6 | 3.2 | 16.5 | 10 | 10.6 |
| 1/4 | 14 | 10.7 | 16.5 | 28.7 | 34 | 28.9 | 13.3 | 10.4 | 6 | 3.2 | 16.5 | 10 | 19.5 | |
| 3/8 | 17 | 10.7 | 16.5 | 30.2 | 35.5 | 29.9 | 13.3 | 10.4 | 6 | 3.2 | 16.5 | 10 | 31.5 | |
| Φ8 | 1/8 | 14 | 13.6 | 18.2 | 26.8 | 33.4 | 29.2 | 14.2 | 13.2 | 8 | 4.2 | 18.2 | 13.1 | 16.4 |
| 1/4 | 14 | 13.6 | 18.2 | 29.9 | 36.5 | 32 | 14.2 | 13.2 | 8 | 4.2 | 18.2 | 13.1 | 16.4 | |
| 3/8 | 17 | 13.6 | 18.2 | 31.9 | 38.5 | 33 | 14.2 | 13.2 | 8 | 4.2 | 18.2 | 13.1 | 21.5 | |
| Φ10 | 1/4 | 17 | 16.2 | 20.6 | 33 | 41.2 | 35.5 | 15.6 | 15.9 | 8 | 4.2 | 20.3 | 15.9 | 26.6 |
| 3/8 | 17 | 16.2 | 20.6 | 33.8 | 42 | 36.5 | 15.6 | 15.9 | 8 | 4.2 | 20.3 | 15.9 | 34.4 | |
| 1/2 | 22 | 16.2 | 20.6 | 38 | 46.2 | 39.4 | 15.6 | 15.9 | 8 | 4.2 | 20.3 | 15.9 | 62.3 | |
| Φ12 | 1/4 | 19 | 19 | 22.8 | 35.2 | 44.6 | 38.9 | 17 | 18.5 | 8 | 4.2 | 22.5 | 17.9 | 37.7 |
| 3/8 | 19 | 19 | 22.8 | 36 | 45.4 | 39.9 | 17 | 18.5 | 8 | 4.2 | 22.5 | 17.9 | 40.6 | |
| 1/2 | 22 | 19 | 22.8 | 40.2 | 49.6 | 42.8 | 17 | 18.5 | 8 | 4.2 | 22.5 | 17.9 | 62.7 |
万向弯头:Y-KQ2V


适用管道外径 (毫米) | 连接螺纹 (M) | H (六边形的对边) | ΦD1 | ΦD2 | L1 | L2 | L3 | A | M | 重量 (克) |
| Φ4 | M5x0.8 | 8 | 8.8 | 9.8 | 17.4 | 10.9 | 18.5 | 18.5 | 13.3 | 5.4 |
| Φ6 | M5x0.8 | 8 | 10.7 | 9.8 | 17.9 | 10.9 | 18.5 | 18.5 | 13.3 | 5.7 |
万向弯头:Y-KQ2V


适用管道外径 (毫米) | 连接螺纹 (R) | H (六边形的对边) | ΦD1 | ΦD2 | L1 | L2 | A | M | 重量 (克) |
| Φ4 | 1/8 | 10 | 8.8 | 10 | 14.8 | 16.5 | 17.2 | 13.3 | 4.8 |
| Φ6 | 1/8 | 10 | 10.7 | 10 | 15.3 | 18.8 | 19.4 | 13.3 | 5.2 |
| 1/4 | 14 | 10.7 | 10 | 15.3 | 22.9 | 23.3 | 13.3 | 14.7 | |
| Φ8 | 1/8 | 10 | 13.6 | 10 | 16.3 | 19 | 22.2 | 14.2 | 6.1 |
| 1/4 | 14 | 13.6 | 12 | 17.3 | 25.1 | 27.3 | 14.2 | 17.7 | |
| 3/8 | 17 | 13.6 | 12 | 17.3 | 25.6 | 27.0 | 14.2 | 24.7 | |
| Φ10 | 1/4 | 17 | 13.6 | 12 | 17.3 | 25.6 | 27.0 | 14.2 | 24.7 |
| 3/8 | 17 | 16.2 | 17 | 19.3 | 28.7 | 31.9 | 15.6 | 21.7 | |
| Φ12 | 3/8 | 17 | 19 | 17 | 21.9 | 30.9 | 35.0 | 17 | 24.1 |
| 1/2 | 22 | 19 | 17 | 21.9 | 34.9 | 37.7 | 17 | 46.5 | |
| Φ16 | 3/8 | 22 | 23.8 | 21 | 27.1 | 35.4 | 42.2 | 20.6 | 40.8 |
| 1/2 | 22 | 23.8 | 21 | 27.1 | 34.1 | 39.6 | 20.6 | 44.5 |
带内六角万向弯头:Y-KQ2VS


适用管道外径 (毫米) | 连接螺纹 (M) | H (六边形的对边) | ΦD1 | ΦD2 | L1 | L2 | L3 | A | M | 重量 (克) |
| Φ4 | M5x0.8 | 4 | 8.8 | 9.8 | 17.4 | 10.9 | 18.5 | 15 | 13.3 | 5.3 |
| Φ6 | M5x0.8 | 4 | 10.7 | 9.8 | 17.9 | 10.9 | 18.5 | 15 | 13.3 | 5.6 |