| 尺寸: | |
|---|---|
| 状态: | |
GR300-10/GR400-15
WAALPC
8481100090
| 1.精确的压力控制微调功能可确保输出压力一致,最大限度地减少系统停机时间。 2.坚固的结构耐腐蚀外壳和高质量密封件可在恶劣条件下延长使用寿命。 3.人性化设计清晰的压力刻度和符合人体工程学的旋钮,方便调节。 可选仪表增强了操作可视性。 4.能源效率通过保持最佳压力来减少空气消耗,从而降低运营成本。 5.维护方便模块化设计允许快速拆卸以进行清洁或密封件更换。 |
工业生产
自动化设备
机械设备
食品工业
医疗保健
电子行业
纺织机械
包装机械
数据表
模型 | GR200-06 | GR200-08 | GR300-08 | GR300-10 | GR300-15 | GR400-10 | GR400-15 | GR600-20 | GR600-25 |
端口尺寸 | PT1/8 | PT1/4 | PT1/4 | PT3/8 | PT1/2 | PT3/8 | PT1/2 | PT3/4 | PT1 |
工作介质 | 空气 | ||||||||
最大限度。工作压力 | 1.0MPa(145Psi) | ||||||||
耐压性 | 1.5兆帕(215磅/平方英寸) | ||||||||
工作温度范围 | -20~70℃ | ||||||||
调压范围 | 0.05~0.9Mpa (7-130Psi) | ||||||||
重量 | 160克 | 350克 | 720克 | 1700克 | |||||
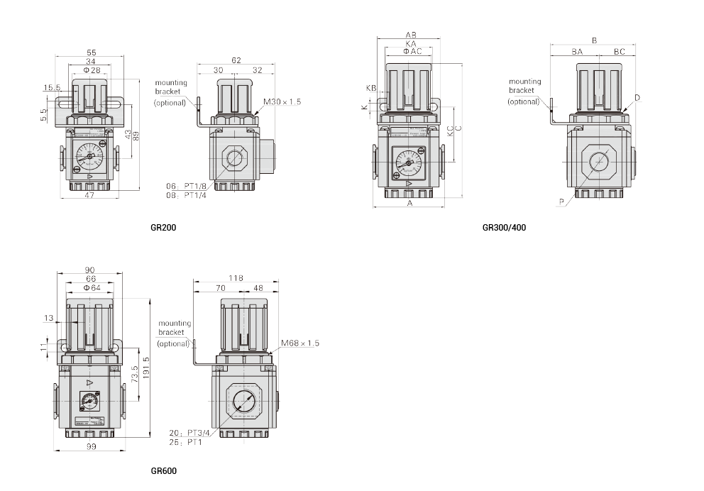
结构

模型 | A | AB | 交流电 | B | 学士 | 公元前 | C | D | K | KA | 知识库 | 肯尼迪 | P | |
GR300-08 | 60 | 53 | 38 | 72 | 41 | 31 | 112.5 | M40x1.5 | 6.5 | 40 | 8 | 46 | PT1/4 | |
GR300-10 | 60 | 53 | 38 | 72 | 41 | 31 | 112.5 | M40x1.5 | 6.5 | 40 | 8 | 46 | PT3/8 | |
GR300-15 | 60 | 53 | 38 | 72 | 41 | 31 | 112.5 | M40x1.5 | 6.5 | 40 | 8 | 46 | PT1/2 | |
| GR400-10 | 60 | 72 | 52 | 90 | 50 | 40 | 140.5 | M55x2.0 | 8.5 | 55 | 11 | 53 | PT3/8 | |
| GR400-15 | 60 | 72 | 52 | 90 | 50 | 40 | 140.5 | M55x2.0 | 8.5 | 55 | 11 | 53 | PT1/2 | |

内容为空!