高刚性和负载能力: 双杆设计具有出色的抗力矩和侧向负载能力,最大允许负载比标准 CXS 系列大 2 至 3 倍。即使在巨大的侧向力作用下,也能确保稳定运行。
卓越的不旋转精度: 该系列保证 ±0.1° 的高不旋转精度,这对于精密对准和装配任务至关重要。
多种轴承选项: CXSW 系列可为导向机构提供不同的轴承类型。 带有后缀“M”(例如,CXSWM)的型号配备滑动(青铜衬套)轴承,而带有后缀“L”(例如,CXSWL)的型号配备滚珠衬套轴承,以实现更平稳的运动和更高的速度。
灵活的三侧工件安装: 该设计允许从三侧安装工件,为集成到各种机器设计中提供了极大的灵活性。
独特气垫: 采用特殊气垫结构,无缓冲套,在行程两端提供有效减震,运行更平稳,寿命更长。
行程调整: 气缸的标准行程调整范围为 0 至 -5 毫米(有些来源提到 0 至 -10 毫米),允许对终端位置进行微调。
免润滑运行: 无需润滑即可运行,减少了维护要求。
订购代码

规格
| 缸径(mm) | 6 | 10 | 15 | 20 | 25 | 32 |
| 工作介质 | 空气(无润滑剂) | |||||
| 耐压 | 1.05兆帕 | |||||
| 最大工作压力 | 0.7兆帕 | |||||
| 最小工作压力 | 0.15兆帕 | 0.1兆帕 | ||||
| 环境温度和流体温度 | -10 到 60℃(非冷冻) | |||||
| 活塞速度 | 50至500毫米/秒 | |||||
| 缓冲垫 | 两端均标配缓冲垫 | |||||
| 行程可调范围 | 相对于标准行程为 0 至 -10 毫米(伸出端:5 毫米,缩回端:5 毫米) | |||||
| 接口尺寸 | M5x0.8 | 1/8 | ||||
| 轴承类型 | 滑动轴承、滚珠轴承(两者尺寸相同) | |||||
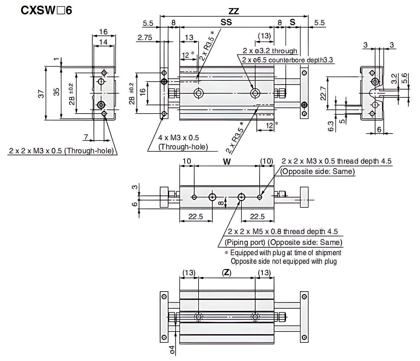
外形尺寸及结构

| 型号 | S | SS | ZZ | Z | W |
| CXSW口6-10 | 10 | 66 | 103 | 40 | 46 |
| CXSW口6-20 | 20 | 76 | 123 | 50 | 56 |
| CXSW口6-30 | 30 | 86 | 143 | 60 | 66 |
| CXSW口6-40 | 40 | 96 | 163 | 70 | 76 |
| CXSW口6-50 | 50 | 106 | 183 | 80 | 86 |
*只有CXSW口6-10和CXSW口6-20型号带有用于安装自动开关的凹槽。(尺寸标注为“*”。)

| 型号 | S | SS | ZZ | Z | |
| 标准行程 | CXSW口10-10 | 10 | 92 | 136 | 52 |
| CXSW口10-20 | 20 | 102 | 156 | 62 | |
| CXSW口10-30 | 30 | 112 | 176 | 72 | |
| CXSW口10-40 | 40 | 122 | 196 | 82 | |
| CXSW口10-50 | 50 | 132 | 216 | 92 | |
长行程 (-XB11) | CXSW口10-75 | 75 | 157 | 266 | 117 |
| CXSW口10-100 | 100 | 182 | 316 | 142 | |
| CXSW口10-125 | 125 | 207 | 366 | 167 | |
| CXSW口10-150 | 150 | 232 | 416 | 192 |
*只有CXSW口10-10和CXSW口10-20型号带有用于安装自动开关的凹槽。(尺寸标注为“*”。)

| 型号 | S | SS | ZZ | Z | |
| 标准行程 | CXSW口15-10 | 10 | 105 | 153 | 55 |
| CXSW口15-20 | 20 | 115 | 173 | 65 | |
| CXSW口15-30 | 30 | 125 | 193 | 75 | |
| CXSW口15-40 | 40 | 135 | 213 | 85 | |
| CXSW口15-50 | 50 | 145 | 233 | 95 | |
长行程 (-XB11) | CXSW口15-75 | 75 | 170 | 283 | 120 |
| CXSW口15-100 | 100 | 195 | 333 | 145 | |
| CXSW口15-125 | 125 | 220 | 383 | 170 | |
| CXSW口15-150 | 150 | 245 | 433 | 195 |
*只有CXSW口15-10和CXSW口15-20型号带有用于安装自动开关的凹槽。(尺寸标注为“*”。)

| 型号 | S | SS | ZZ | Z | |
| 标准行程 | CXSW口20-10 | 10 | 120 | 178 | 60 |
| CXSW口20-20 | 20 | 130 | 198 | 70 | |
| CXSW口20-30 | 30 | 140 | 218 | 80 | |
| CXSW口20-40 | 40 | 150 | 238 | 90 | |
| CXSW口20-50 | 50 | 160 | 258 | 100 | |
| CXSW口20-75 | 75 | 185 | 308 | 125 | |
| CXSW口20-100 | 100 | 210 | 358 | 150 | |
长行程 (-XB11) | CXSW口20-125 | 125 | 235 | 408 | 175 |
| CXSW口20-150 | 150 | 260 | 458 | 200 | |
| CXSW口20-175 | 175 | 285 | 508 | 225 | |
| CXSW口20-200 | 200 | 310 | 558 | 250 |
*只有CXSW口20-10型号带有用于安装自动开关的凹槽。(尺寸标注为“*”。)

| 型号 | S | SS | ZZ | Z | |
| 标准行程 | CXSW口20-10 | 10 | 122 | 180 | 62 |
| CXSW口20-20 | 20 | 132 | 200 | 72 | |
| CXSW口20-30 | 30 | 142 | 220 | 82 | |
| CXSW口20-40 | 40 | 152 | 240 | 92 | |
| CXSW口20-50 | 50 | 162 | 260 | 102 | |
| CXSW口20-75 | 75 | 187 | 310 | 127 | |
| CXSW口20-100 | 100 | 212 | 360 | 152 | |
长行程 (-XB11) | CXSW口20-125 | 125 | 237 | 410 | 177 |
| CXSW口20-150 | 150 | 262 | 460 | 202 | |
| CXSW口20-175 | 175 | 287 | 510 | 227 | |
| CXSW口20-200 | 200 | 312 | 560 | 252 |
*只有CXSW口25-10型号带有用于安装自动开关的凹槽。(尺寸标注为“*”。)

| 型号 | S | SS | ZZ | Z | |
| 标准行程 | CXSW口32-10 | 10 | 143 | 213 | 83 |
| CXSW口32-20 | 20 | 153 | 233 | 93 | |
| CXSW口32-30 | 30 | 163 | 253 | 103 | |
| CXSW口32-40 | 40 | 173 | 273 | 113 | |
| CXSW口32-50 | 50 | 183 | 293 | 123 | |
| CXSW口32-75 | 75 | 208 | 343 | 148 | |
| CXSW口32-100 | 100 | 233 | 393 | 173 | |
长行程 (-XB11) | CXSW口32-125 | 125 | 258 | 443 | 198 |
| CXSW口32-150 | 150 | 283 | 493 | 223 | |
| CXSW口32-175 | 175 | 308 | 543 | 248 | |
| CXSW口32-200 | 200 | 333 | 593 | 273 |
*只有CXSW口32-10型号带有用于安装自动开关的凹槽。(尺寸标注为“*”。)