1. 用于气动管路系统的快速气动管接头。
2. 多种管接头型号,满足您对气动管系统的所有需求。
3. 即使安装后,也可以自由改变管子的方向。
4. 镀镍金属机身确保防腐、防污染。
5. 所有R和NPT螺纹均预涂密封剂。
6. 所有圆柱螺纹均标配O型圈密封件。
订购代码


规格
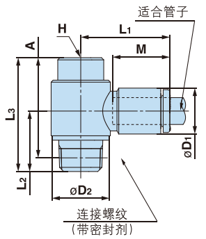
带内六角万向弯头:Y-KQ2VS


| 适用管道外径 (毫米) | 连接螺纹 (R) | H (六边形的对边) | ΦD1 | ΦD2 | L1 | L2 | L3 | A | M | 重量 (克) |
| Φ4 | 1/8 | 6 | 8.8 | 13.4 | 19.1 | 13.9 | 25.8 | 22.7 | 13.3 | 13.2 |
| Φ6 | 1/8 | 6 | 10.7 | 13.4 | 20.1 | 13.9 | 25.8 | 22.7 | 13.3 | 13.5 |
| 1/4 | 6 | 10.7 | 15.3 | 20 | 17.7 | 26.5 | 21.8 | 13.3 | 20.8 | |
| Φ8 | 1/8 | 8 | 13.6 | 17.6 | 23.5 | 15.4 | 26 | 22.9 | 14.2 | 19.2 |
| 1/4 | 8 | 13.6 | 17.6 | 23.5 | 18.6 | 29.5 | 24.8 | 14.2 | 25.7 | |
| 3/8 | 8 | 13.6 | 20.6 | 23.3 | 19.5 | 31.5 | 26.3 | 14.2 | 37 | |
| Φ10 | 1/4 | 8 | 16.2 | 20.6 | 26.4 | 19.9 | 31 | 26.1 | 15.6 | 30.4 |
| 3/8 | 8 | 16.2 | 20.6 | 26.4 | 20.4 | 31.5 | 26.3 | 15.6 | 38.3 | |
| Φ12 | 3/8 | 10 | 19 | 25.2 | 28.6 | 21.7 | 35.0 | 30 | 17 | 51.4 |
| 1/2 | 10 | 19 | 25.2 | 28.6 | 24.9 | 38.2 | 31.9 | 17 | 70 |
带内六角万向弯头:Y-KQ2VF


| 适用管道外径 (毫米) | 连接螺纹 (M) | H (六边形的对边) | ΦD1 | ΦD2 | L1 | L2 | L3 | A | M | 重量 (克) |
| Φ4 | M5x0.8 | 8 | 8.8 | 9.8 | 17.4 | 10.9 | 19.2 | 16.2 | 13.3 | 5.5 |
| Φ6 | M5x0.8 | 8 | 10.7 | 9.8 | 17.9 | 10.9 | 19.2 | 16.2 | 13.3 | 5.8 |
带内六角弯头:Y-KQ2VF


| 适用管道外径 (毫米) | 连接螺纹 R、Rc | H (六边形的对边) | ΦD1 | ΦD2 | L1 | L2 | L3 | A | M | 重量 (克) |
| Φ4 | 1/8 | 14 | 8.8 | 13.4 | 19.1 | 14.4 | 28.7 | 25.4 | 13.3 | 17.3 |
| Φ6 | 1/8 | 14 | 10.7 | 13.4 | 20.1 | 14.4 | 28.7 | 25.4 | 13.3 | 17.6 |
| 1/4 | 17 | 13.6 | 17.6 | 23.5 | 18.4 | 38 | 33.2 | 13.3 | 37 | |
| Φ8 | 1/8 | 17 | 13.6 | 17.6 | 23.5 | 15.7 | 30 | 26.9 | 14.2 | 27.5 |
| 1/4 | 17 | 13.6 | 17.6 | 23.5 | 18.4 | 38 | 33.2 | 14.2 | 38.1 | |
| 3/8 | 22 | 13.6 | 25.2 | 26 | 19.7 | 44 | 38.9 | 14.2 | 64.5 | |
| Φ10 | 1/4 | 19 | 16.2 | 20.6 | 25.9 | 19.4 | 40.5 | 35.6 | 15.6 | 46.4 |
| 3/8 | 22 | 13.6 | 25.2 | 26 | 19.7 | 44 | 38.9 | 14.2 | 64.5 | |
| Φ12 | 3/8 | 22 | 19 | 25.2 | 28.5 | 20.9 | 44 | 38.9 | 17 | 67.2 |
| 1/2 | 24 | 19 | 27 | 29.9 | 24 | 48.9 | 42.5 | 17 | 95.6 |
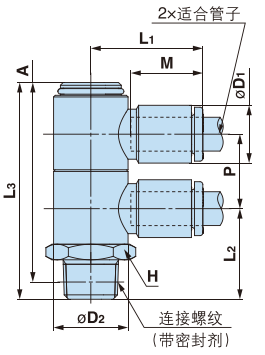
三个单管万向弯头:Y-KQ2VT


| 适用管道外径 (毫米) | 连接螺纹 (R) | H (六边形的对边) | ΦD1 | ΦD2 | L1 | L2 | L3 | A | M | P | 重量 (克) |
| Φ4 | 1/8 | 14 | 8.8 | 13.4 | 19.3 | 17 | 52.5 | 49.4 | 13.3 | 13.5 | 25.3 |
| 1/4 | 14 | 8.8 | 13.4 | 19.3 | 21.2 | 56.7 | 52.2 | 13.3 | 13.5 | 32.9 | |
| 3/8 | 17 | 8.8 | 13.4 | 19.3 | 22.5 | 58 | 53.2 | 13.3 | 13.5 | 44.8 | |
| Φ6 | 1/8 | 14 | 10.7 | 13.4 | 20.1 | 17 | 52.5 | 49.4 | 13.3 | 13.5 | 26.2 |
| 1/4 | 14 | 10.7 | 13.4 | 20.1 | 21.2 | 56.7 | 52.2 | 13.3 | 13.5 | 33.9 | |
| 3/8 | 17 | 10.7 | 13.4 | 20.1 | 22.5 | 58 | 53.2 | 13.3 | 135 | 45.8 | |
| Φ8 | 1/8 | 19 | 13.6 | 17.6 | 23.6 | 19.3 | 61.3 | 58.7 | 14.2 | 16 | 59.6 |
| 1/4 | 19 | 13.6 | 17.6 | 23.6 | 22.5 | 64.5 | 60.5 | 14.2 | 16 | 56.8 | |
| 3/8 | 19 | 13.6 | 17.6 | 23.6 | 23 | 65 | 60.7 | 14.2 | 16 | 64.9 | |
| 1/2 | 22 | 13.6 | 17.6 | 23.6 | 27.2 | 69.3 | 63.6 | 14.2 | 16 | 91.5 | |
| Φ10 | 1/4 | 21 | 16.2 | 20.6 | 26.4 | 24.3 | 74.1 | 70.8 | 15.6 | 27 | 82 |
| 3/8 | 21 | 16.2 | 20.6 | 26.4 | 24.8 | 74.6 | 70.8 | 15.6 | 27 | 81.9 | |
| 1/2 | 22 | 16.2 | 20.6 | 26.4 | 28.5 | 78.3 | 73.5 | 15.6 | 27 | 103.9 | |
| Φ12 | 1/4 | 26 | 19 | 25.2 | 29.1 | 26.8 | 82.7 | 79.4 | 17 | 39 | 139.3 |
| 3/8 | 26 | 19 | 25.2 | 29.1 | 27.3 | 83.2 | 79.4 | 17 | 39 | 129.7 | |
| 1/2 | 26 | 19 | 25.2 | 29.1 | 30.5 | 86.4 | 81.3 | 17 | 39 | 142.2 |
两个单管万向弯头:Y-KQ2VD


| 适用管道外径 (毫米) | 连接螺纹 (R) | H (六边形的对边) | ΦD1 | ΦD2 | L1 | L2 | L3 | A | M | P | 重量 (克) |
| Φ4 | 1/8 | 14 | 8.8 | 13.4 | 19.3 | 17 | 39.1 | 35.9 | 13.3 | 13.5 | 19.7 |
| 1/4 | 14 | 8.8 | 13.4 | 19.3 | 21.2 | 43.3 | 38.7 | 13.3 | 13.5 | 27.4 | |
| 3/8 | 17 | 8.8 | 13.4 | 19.3 | 22.5 | 44.6 | 39.7 | 13.3 | 13.5 | 39.3 | |
| Φ6 | 1/8 | 14 | 10.7 | 13.4 | 20.1 | 17 | 39.1 | 35.9 | 13.3 | 13.5 | 20.3 |
| 1/4 | 14 | 10.7 | 13.4 | 20.1 | 21.2 | 43.3 | 38.7 | 13.3 | 13.5 | 28 | |
| 3/8 | 17 | 10.7 | 13.4 | 20.1 | 22.5 | 44.6 | 39.7 | 13.3 | 13.5 | 39.9 | |
| Φ8 | 1/8 | 19 | 13.6 | 17.6 | 23.6 | 19.3 | 45.4 | 42.7 | 14.2 | 16 | 45.1 |
| 1/4 | 19 | 13.6 | 17.6 | 23.6 | 22.5 | 48.6 | 44.5 | 14.2 | 16 | 44.3 | |
| 3/8 | 19 | 13.6 | 17.6 | 23.6 | 23 | 49.1 | 44.7 | 14.2 | 16 | 52.3 | |
| 1/2 | 22 | 13.6 | 17.6 | 23.6 | 27.2 | 53.4 | 47.6 | 14.2 | 16 | 78.4 | |
| Φ10 | 1/4 | 21 | 16.2 | 20.6 | 26.4 | 24.3 | 55.3 | 51.5 | 15.6 | 27 | 63.1 |
| 3/8 | 21 | 16.2 | 20.6 | 26.4 | 24.8 | 55.8 | 51.5 | 15.6 | 27 | 65.1 | |
| 1/2 | 22 | 16.2 | 20.6 | 26.4 | 28.5 | 59.5 | 53.6 | 15.6 | 27 | 87 | |
| Φ12 | 1/4 | 26 | 19 | 25.2 | 29.1 | 26.8 | 61.5 | 57.7 | 17 | 39 | 107 |
| 3/8 | 26 | 19 | 25.2 | 29.1 | 27.3 | 62 | 57.7 | 17 | 39 | 102.1 | |
| 1/2 | 26 | 19 | 25.2 | 29.1 | 30.5 | 65.2 | 59.6 | 17 | 39 | 116.1 |
双管万向弯头:Y-KQ2Z


| 适用管道外径 (毫米) | 连接螺纹 (M) | H (六边形的对边) | ΦD1 | ΦD2 | L1 | L2 | L3 | A | M | P | 重量 (克) |
| Φ4 | M5x0.8 | 8 | 8.8 | 9.8 | 16.5 | 10.9 | 18.4 | 15.4 | 13.3 | 8.8 | 6.2 |