订购代码

数据表
| 类型名称 | 空气过滤器 | |||||||||
型号 | AF1000-M5 | AF2000-01 | AF3000-02 | AF3000-02 | AF3000-03 | AF4000-03 | AF4000-04 | AF4000-06 | AF5000-06 | AF5000-10 |
接口尺寸 | M5*0.8 | 1/8 | 1/4 | 1/4 | 3/8 | 3/8 | 1/2 | 3/4 | 3/4 | 1 |
排水型 | 手动排水、自动排水、压差排水(可选) | |||||||||
过滤等级 | 5微米、25微米、40微米 | |||||||||
| 工作介质 | 空气 | |||||||||
工作温度范围 | 5~60℃ | |||||||||
| 滤杯容量 | 10 | 15 | 15 | 20 | 20 | 45 | 45 | 45 | 130 | 130 |
| L型支架 | L10 | L20 | L20 | L30 | L30 | L40 | L40 | L50 | L50 | L60 |
| 材料 | 外壳:铝压铸成型;容器杯:PE;防护罩:铁 | |||||||||
重量 | 100克 | 160克 | 160克 | 320克 | 320克 | 580克 | 580克 | 630克 | 1080克 | 1080克 |
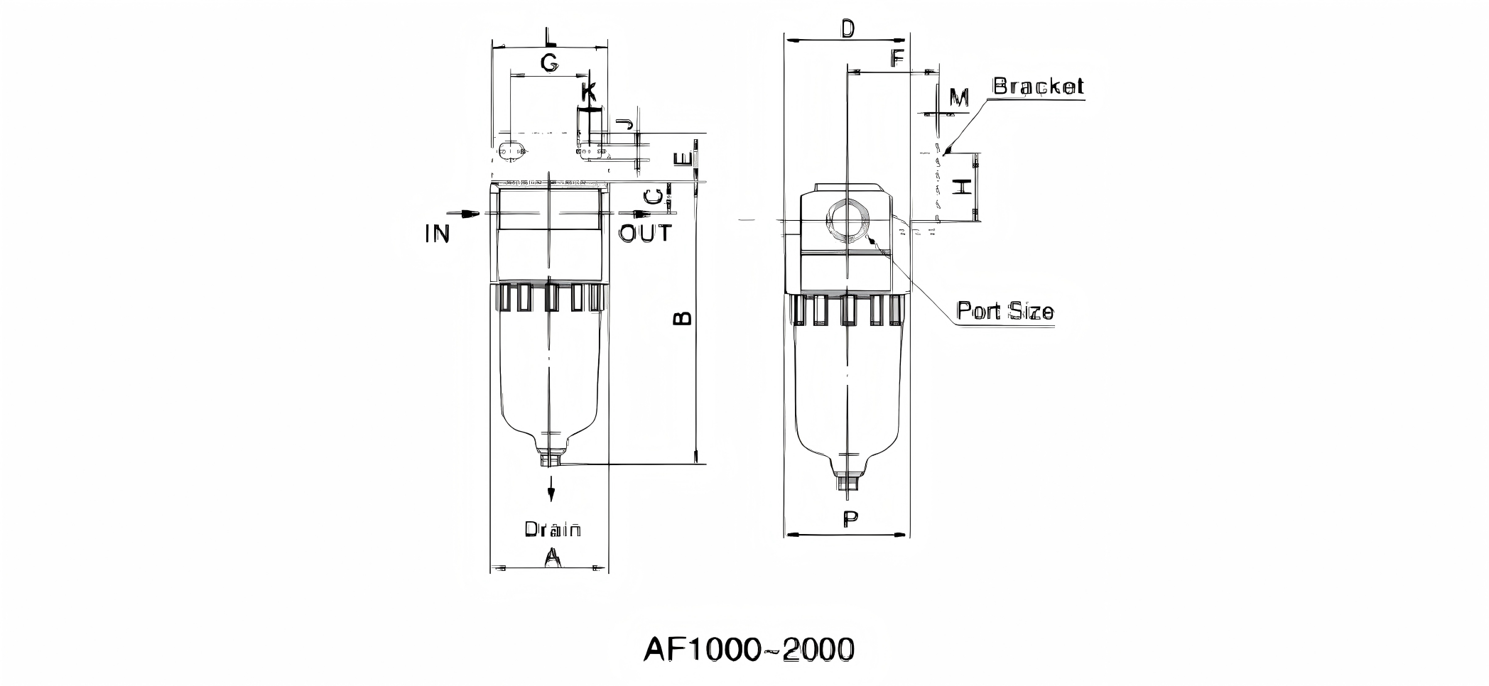
结构

型号 | 接口尺寸 | A | B | C | D | E | F | G | H | J | L | M | P | |
AF1000 | M5 | 25 | 66 | 7 | 25 | - | - | - | - | - | - | - | 26.5 | |
| AF2000 | 1/8-1/4 | 40 | 97.5 | 11 | 40 | 17 | 30 | 27 | 22 | 5.4 | 40 | 2.3 | 40 | |
| AF3000 | 1/4-3/8 | 53 | 132.5 | 14 | 53 | 16 | 41 | 40 | 23 | 6.5 | 53 | 2.3 | 56 | |
| AF4000 | 3/8-1/2 | 70 | 168.5 | 18 | 70 | 17 | 50 | 54 | 26 | 8.5 | 70 | 2.3 | 73 | |
| AF4000-06 | 3/4 | 75 | 172.5 | 20 | 70 | 14 | 50 | 54 | 25 | 8.5 | 70 | 2.3 | 73 | |
| AF5000 | 3/4-1 | 90 | 247.5 | 24 | 90 | 23 | 66.5 | 66 | 35 | 11 | 90 | 3.2 | 90 | |