1. 导向精度高:独特的三导向槽结构,旋转、夹紧稳定准确,定位精准。
2. 结构坚固耐用,使用寿命长:活塞杆采用特种合金钢制成,并经过热处理,增强了其耐磨性和耐腐蚀性,延长了使用寿命。
3. 可靠的密封:优化的密封材料确保在各种工况下性能一致可靠,降低故障风险。
4. 灵活配置:提供单面或双面(90°)操作等多种选择,以及不同的旋转角度和方向,以满足不同的应用需求。
订购代码

规格
内径(毫米) | 25 | 32 | 40 | 50 | 63 |
| 工作介质 | 空气(经40um以上过滤网过滤) | ||||
| 工作压力范围 | 0.15-1.0MPa(22-145psi) | ||||
| 工作温度 | -20-70℃ | ||||
| 使用速度范围(mm/s) | 50-200 | ||||
| 旋转角度公差 范围 | ±1.5° | ||||
| 管道连接直径 | M5x0.8 | PT1/8 | |||
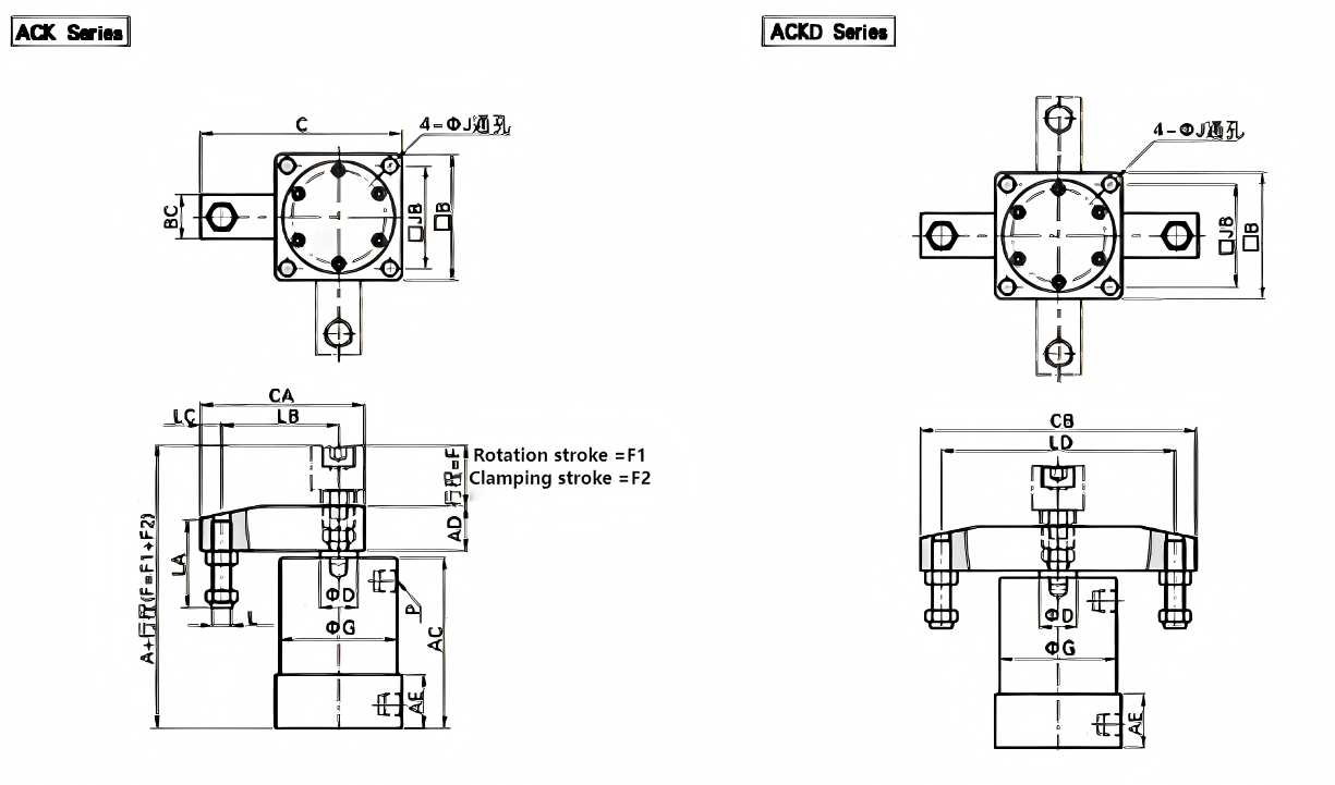
外形尺寸及结构

| 筒体直径 | A | AC | AD | AE | B | BC | C | CA | CB | D | F(90°/180°) | F1(90°) | F1(180°) | F2(90°) | F2(180°) | G | J | JB | L | LA | LB | LC | LD | P |
| 25 | 85 | 65 | 16 | 23 | 40 | 16 | 58 | 48 | 76 | 14 | 26 | 14 | 20 | 12 | 6 | 35 | 4.5 | 30 | M6x1.0 | 29.5 | 30 | 8 | 60 | M5x0.8 |
| 32 | 95 | 73 | 19 | 23 | 54 | 19 | 86 | 70 | 118 | 16 | 26 | 14 | 20 | 12 | 6 | 50 | 6.5 | 44 | M8x1.25 | 37.5 | 50 | 9 | 100 | PT1/8 |
| 40 | 97 | 74 | 19 | 26 | 58 | 19 | 88 | 70 | 118 | 16 | 27 | 15 | 21 | 12 | 6 | 55 | 6.5 | 48 | M8x1.25 | 37.5 | 50 | 9 | 100 | PT1/8 |
| 50 | 109.5 | 80 | 25.5 | 26 | 68 | 25.5 | 114 | 93 | 160 | 20 | 29 | 15 | 21 | 14 | 8 | 60 | 8.5 | 55 | M10x1.5 | 45 | 70 | 10 | 140 | PT1/8 |
| 63 | 115.5 | 86 | 25.5 | 30 | 82 | 25.5 | 121 | 93 | 160 | 20 | 29 | 15 | 21 | 14 | 8 | 70 | 8.2 | 64 | M10x1.5 | 45 | 70 | 10 | 140 | PT1/8 |