一体式直线导轨:直线导轨与夹爪本体设计为一体化结构。 导轨底部的定位销可防止错位,确保运行稳定、准确。
高重复性:这些夹具实现了高重复精度,某些型号的公差可达 ±0.01 毫米,使其适合精密装配和搬运任务。
免维护操作:HFZ 系列专为无润滑(无油操作)而设计,减少了维护需求,适合清洁环境。
可定制的夹爪位置:为了满足各种应用需求,可以根据要求定制夹爪的初始位置(打开或关闭)。
易于安装和传感:夹具主体加工有用于固定底座的深中心孔,提高了安装精度并确保重复拆卸后重新定位的一致性。 它们还与各种感应开关(例如 DS1-H、CS1-G)兼容,以便轻松进行位置感测。
订购代码


规格
| 缸径(mm) | 6 | 10 | 16 | 20 | 25 | 32 | 40 | ||
| 作用类型 | 双作用 单作用 | ||||||||
| 工作介质 | 空气(经40um滤芯过滤) | ||||||||
| 工作压力 | 双作用 | Φ6、 Φ10 | 0.2~0.7MPa(28~100psi)(2.0~7.0bar) | ||||||
| 其他的 | 0.15~0.7MPa(22~100psi)(1.5~7.0bar) | ||||||||
| 单作用 | Φ6、 Φ10 | 0.35~0.7MPa(50~100psi)(3.5~7.0bar) | |||||||
| 其他的 | 0.25~0.7MPa(36~100psi)(2.5~7.0bar) | ||||||||
| 温度(℃) | -20~70 | ||||||||
| 润滑 | 不需要 | ||||||||
| 重复精度(毫米) | ±0.01 | ±0.02 | |||||||
| 最大频率 | 180(每分钟) | 60(每分钟) | |||||||
| 感应开关 | CMSH/DMSH 环境卫生与健康 | CMSG/DMSG/EMSG CMSH/DMSH/EMSH | |||||||
| 接口尺寸 | M3x0.5 | M5x0.8 | |||||||
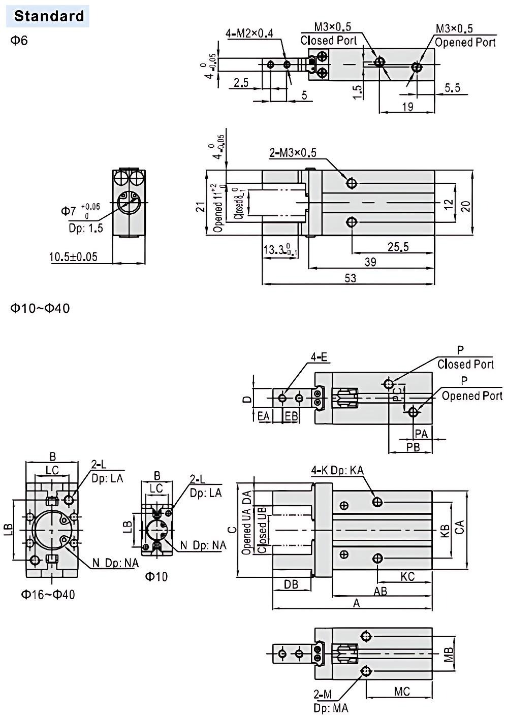
外形尺寸及结构

| 型号/项目 | A | AB | B | C | CA | D | DA | DB | E | EA |
| HFZ10 | 57 | 37.5 | 16.5 | 30 | 23 | 5-0.05 | 4-0.05 | 12.2-0.1 | M2.5X0.45 | 3 |
| HFZ16 | 67.5 | 42.5 | 23.5 | 39 | 30.5 | 8-0.05 | 5-0.05 | 15.3-0.1 | M3X0.5 | 4 |
| HFZ20 | 85 | 53 | 27.5 | 53 | 42 | 10-0.05 | 8-0.05 | 20.5-0.1 | M4X0.7 | 5 |
| HFZ25 | 103 | 64 | 33.5 | 71 | 52 | 12-0.05 | 10-0.05 | 25.3-0.1 | M5X0.8 | 6 |
| HFZ32 | 113(122) | 67(76) | 40 | 106 | 60 | 15-0.05 | 12-0.05 | 29.75-0.1 | M6X1.0 | 7 |
| HFZ40 | 139(152) | 83(96) | 48 | 132 | 72 | 18-0.05 | 14-0.05 | 36.75-0.1 | M8X1.25 | 9 |
| 型号/项目 | EB | K | KA | KB | KC | L | LA | LB | LC | M | MA | MB |
| HFZ10 | 5.7 | M3X0.5 | 5 | 16 | 23 | M3X0.5 | 6 | 18 | 12 | M3X0.5 | 6 | 11.5 |
| HFZ16 | 7 | M4X0.7 | 7 | 24 | 24.5 | M4X0.7 | 8 | 22 | 15 | M4X0.7 | 4.5 | 16 |
| HFZ20 | 9 | M5X0.8 | 8 | 30 | 29 | M5X0.8 | 10 | 32 | 18 | M5X0.8 | 8 | 18.5 |
| HFZ25 | 12 | M6X1.0 | 10 | 36 | 30 | M6X1.0 | 12 | 46 | 26 | M6X1.0 | 10 | 26 |
| HFZ32 | 14 | M6X1.0 | 10 | 46 | 40(49) | M6X1.0 | 12 | 46 | 26 | M6X1.0 | 10 | 26 |
| HFZ40 | 17 | M8X1.25 | 12 | 56 | 49(62) | M8X1.25 | 16 | 56 | 32 | M8X1.25 | 12 | 32 |
| 型号/项目 | MC | N | NA | P | PA | PB | PC | UA(开通) | UB(关闭) |
| HFZ10 | 27 | Φ11 +0.05 | 1.5 | M3x0.5 | 7 | 19 | 10 | 15.5+2 | 11.5-1 |
| HFZ16 | 30 | Φ17 +0.05 | 1.5 | M5x0.8 | 7.5 | 19 | 13 | 21+2 | 15-1 |
| HFZ20 | 35 | Φ21 +0.05 | 2 | M5x0.8 | 9.5 | 23 | 15 | 26.5+2 | 16.5-1 |
| HFZ25 | 36.5 | Φ26 +0.05 | 2 | M5x0.8 | 9 | 24 | 20 | 33.5+2 | 19.5-1 |
| HFZ32 | 48(57) | Φ34 +0.05 | 2.5 | M5x0.8 | 9.5 | 31(40) | 24 | 48+2.5 | 26-1 |
| HFZ40 | 58(71) | Φ42 +0.05 | 2.5 | M5x0.8 | 10.5 | 38(50) | 28 | 60+2.5 | 30-1 |
【注】上表中“( )”内的数值为单作用型尺寸。
