实现 ±0.5% 的压力稳定性,这对于汽车装配、制药制造和食品加工中的敏感工艺至关重要。
内置物联网传感器可监控实时性能,实现预测性维护,并将计划外停机时间减少高达 30%。
采用耐腐蚀材料制成,经过测试可承受极端温度(-5°C 至 60°C)和恶劣的工业环境,确保使用寿命和最少的维护。
订购代码

数据表
型号 | ARG20 | ARG30 | ARG40 |
接口大小 | 1/8·1/4 | 1/4·3/8 | 1/4·3/8·1/2 |
| 工作介质 | 空气 | ||
| 耐压 | 1.5兆帕 | ||
| 最高工作压力 | 1.0MPa | ||
| 调压范围 | 0.05~0.85MPa | ||
溢流压力 | 设定压力+0.05MPa[但溢流流量为0.1L/min(ANR)时] | ||
环境温度和流体温度 | -5~60℃ | ||
结构 | 溢流型 | ||
质量(公斤) | 0.21 | 0.40 | 0.57 |
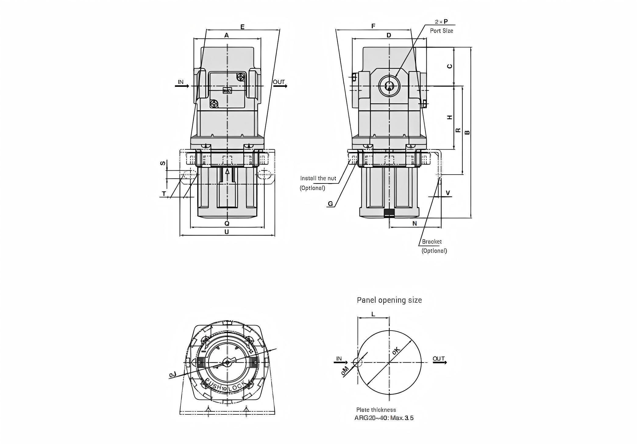
结构

| 型号 | 标准规格 | 可选规格 | ||||||||||||||||||
| P | A | B | C | D | E | F | G | 面板开孔 | 支架安装尺寸 | |||||||||||
| H | J | K | L | M | Q | U | T | S | R | V | N | |||||||||
| ARG20 | 1/8·1/4 | 40 | 114 | 26.5 | 57 | 45 | 47 | M39X1.5 | 38 | 52.5 | 39.5 | 19.5 | 6 | 48 | 65 | 10.4 | 5.4 | 60 | 2.3 | 35 |
ARG30 | 1/4·3/8 | 53 | 138.5 | 31 | 59 | 58 | 59 | M50X1.5 | 50 | 65 | 50.5 | 25 | 7 | 58.5 | 75 | 10.5 | 6.5 | 70 | 2.3 | 45 |
| ARG40 | 1/4·3/8·1/2 | 70 | 150.5 | 35 | 68 | 70 | 70 | M55X1.5 | 54 | 70 | 55.5 | 27.5 | 7 | 65.5 | 85 | 12.5 | 8.5 | 75 | 2.3 | 50 |