1. 坚固耐用的结构
专为严苛环境打造:CDU 系列采用不锈钢活塞杆和耐腐蚀阀体材料,可承受恶劣的工业环境,包括暴露在潮湿和污染物的环境中,确保较长的使用寿命。
重型性能:坚固的设计和大孔径(例如,32 毫米、40 毫米、50 毫米及以上)能够产生巨大的力,使这些气缸成为重载应用的理想选择。
2. 卓越的控制和平稳的操作
可调节缓冲:一个关键特征是气缸两端的可调节气垫。这样可以精确控制活塞的减速度,有效地最大限度地减少冲击,降低噪音,并防止在冲程结束时损坏气缸和机器。
精确位置传感:许多型号的活塞中都配有内置磁铁,可与磁性传感器无缝集成,以在自动控制系统中实现精确的位置检测和反馈。
3. 设计灵活性和易于集成
多种安装选项:该系列提供多种标准国际安装样式(例如前/后法兰、脚、耳轴),提供卓越的灵活性,可直接集成到几乎任何机器布局中。
久经考验的可靠性和低维护成本:使用高质量密封件和精密制造可确保长期一致、无泄漏的运行。这会减少停机时间并降低总拥有成本。
订购代码

规格
| 缸径(毫米) | 6 | 10 | 16 | 20 | 25 | 32 | ||
| 工作介质 | 洁净空气(40um过滤) | |||||||
| 代理型 | 双作用/单作用 | |||||||
| 最小压力(MPa) | 双作用 | 单活塞杆 | 0.12 | 0.06 | 0.05 | |||
| 双活塞杆 | 0.15 | 0.1 | 0.08 | |||||
| 双活塞杆 | 0.18 | 0.13 | 0.11 | |||||
| 单作用 | 标准 | 0.2 | 0.15 | 0.13 | ||||
| 不旋转 | 0.23 | 0.18 | 0.16 | |||||
| 最大压力 | 0.7兆帕 | |||||||
| 工作温度 | 5~60℃ | |||||||
| 坐垫类型 | 橡胶垫 | |||||||
| 行程公差(mm) | ±0.1 | |||||||
| 润滑 | 不需要 | |||||||
| 安装 | 自由的 | |||||||
| 不回转精度 | ±0.8° | ±0.5° | ||||||
| 接口尺寸 | M5x0.8 | G1/8 | ||||||
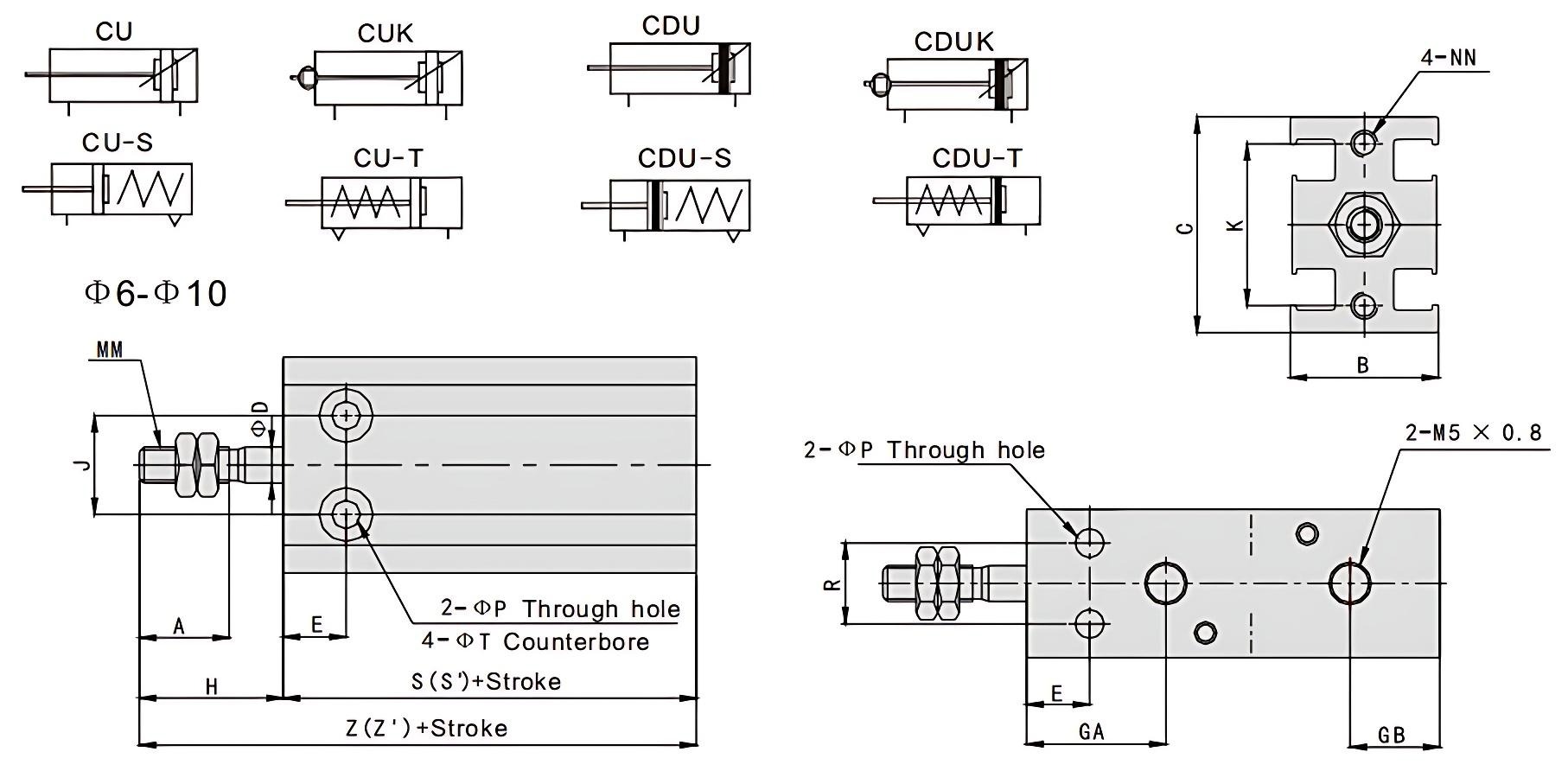
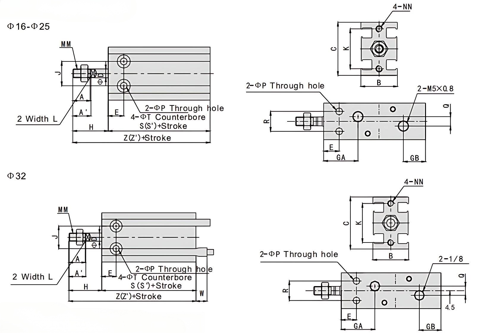
外形尺寸及结构


| 型号 | A | A1 | B | C | ΦD | E | GA | GB | J | K | L | MM | NN | ΦP | Q | R | ΦT |
| C口U6 | 7 | - | 13 | 22 | 3 | 7 | 14.5 | 10 | 10 | 17 | - | M3x0.5 | M3x0.5深度5 | 3.2 | - | 7 | 6深度4.8 |
| C口U10 | 10 | - | 15 | 24 | 4 | 7 | 15.5 | 10 | 11 | 18 | - | M4x0.7 | M3x0.5深度5 | 3.2 | - | 9 | 6深度5 |
| C口U16 | 11 | 12.5 | 20 | 32 | 6 | 7 | 16.5 | 11.5 | 14 | 25 | 5 | M5x0.8 | M4x0.7深度6 | 4.5 | 4 | 12 | 7.6深度6.5 |
| C口U20 | 12 | 14 | 26 | 40 | 8 | 9 | 19 | 12.5 | 16 | 30 | 6 | M6x1.0 | M5x0.8深度8 | 5.5 | 9 | 16 | 9.3深度8 |
| C口U25 | 15.5 | 18 | 32 | 50 | 10 | 10 | 21.5 | 13 | 20 | 38 | 8 | M8x1.25 | M5x0.8深度8 | 5.5 | 9 | 20 | 9.3深度9 |
| C口U32 | 19.5 | 22 | 40 | 62 | 12 | 11 | 23 | 13 | 24 | 48 | 10 | M10x1.25 | M6x1.0深度9 | 6.6 | 13.5 | 24 | 11深度11.5 |
双作用
| 型号 | H | 标准 | 带磁铁 | |||
| S | Z | W | S' | Z' | ||
| C口U6-口D | 13 | 33 | 46 | 2.5 | 33 | 46 |
| C口U10-口D | 16 | 36 | 52 | 1 | 36 | 52 |
| C口U16-口D | 16 | 30 | 46 | 0 | 40 | 56 |
| C口U20-口D | 19 | 36 | 55 | 1 | 46 | 65 |
| C口U25-口D | 23 | 40 | 63 | -1 | 50 | 73 |
| C口U32-口D | 27 | 42 | 69 | -4 | 52 | 79 |
单作用(带弹簧复位)
| 型号 | H | 标准 | W | 带磁铁 | ||||||||||
| S | Z | S' | Z' | |||||||||||
| 5号 | 10号 | 15号 | 5号 | 10号 | 15号 | 5号 | 10号 | 15号 | 5号 | 10号 | 15号 | |||
| C口U6-口S | 13 | 38 | 43 | 48 | 51 | 56 | 61 | 2.5 | 38 | 43 | 48 | 51 | 56 | 61 |
| C口U10-口S | 16 | 41 | 46 | 56 | 57 | 62 | 72 | 1 | 41 | 46 | 56 | 57 | 62 | 72 |
| C口U16-口S | 16 | 35 | 40 | 50 | 51 | 56 | 66 | 0 | 45 | 50 | 60 | 61 | 66 | 76 |
| C口U20-口S | 19 | 41 | 46 | 56 | 60 | 65 | 71 | 1 | 51 | 56 | 66 | 70 | 75 | 85 |
| C口U25-口S | 23 | 45 | 50 | 60 | 68 | 73 | 83 | -1 | 55 | 60 | 70 | 78 | 83 | 93 |
| C口U32-口S | 27 | 47 | 52 | 62 | 74 | 79 | 89 | -4 | 57 | 62 | 72 | 84 | 89 | 99 |