紧凑且节省空间的设计:圆形机身轮廓和紧凑结构使其成为安装空间有限的机械的理想选择。
耐用耐腐蚀:缸管采用不锈钢制成,活塞杆也采用不锈钢制成,具有优异的耐腐蚀性,确保较长的使用寿命。
内置感应磁铁(CDM2B 型号) :集成磁铁可轻松安装磁簧开关,无需外部机械执行器即可实现自动位置检测和序列控制。
双作用操作:在伸出和缩回方向上提供受控的线性力。
低摩擦和免润滑操作:专为实现平稳性能而设计,无需润滑即可操作,从而减少维护要求。 (注:使用润滑可延长使用寿命)。
橡胶缓冲垫:两端盖均装有橡胶缓冲垫,可吸收行程末端的冲击能量,确保运行平稳,降低噪音,并最大限度地减少振动。
订购代码

规格
| 缸径(mm) | 20 | 25 | 32 | 40 |
| 工作介质 | 清洁空气 | |||
| 动作类型 | 双作用 | |||
| 保证压力 | 0.05~1.0MPa | |||
| 工作温度 | -10至70℃ | |||
| 坐垫型 | 橡胶垫(标配)、气垫(选配) | |||
| 速度范围 | 最小:10毫米/秒 | 最大:1000mm/s | ||
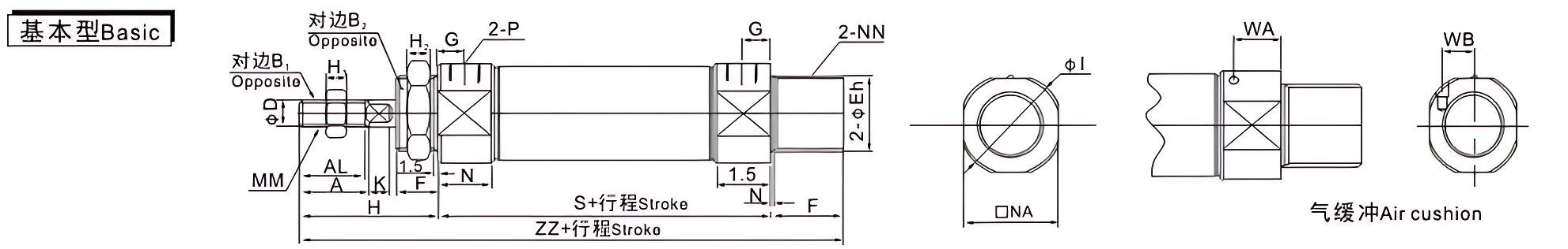
外形尺寸及结构
| 缸径(mm) | 行程范围 | A | AL | B1 | B2 | D | E | F | G | H | H1 | H2 | I | K | MM | N | NA | NN | P | S | ZZ | WA | WB |
| 20 | 〜300 | 18 | 15.5 | 13 | 26 | 8 | 20 | 13 | 8 | 41 | 5 | 8 | 28 | 5 | M8x1.25 | 15 | 24 | M20x1.5 | 1/8 | 62 | 116 | 13 | 8.5 |
| 25 | 〜300 | 22 | 19.5 | 17 | 32 | 10 | 26 | 13 | 8 | 45 | 6 | 8 | 33.5 | 5.5 | M10x1.25 | 15 | 30 | M26x1.5 | 1/8 | 62 | 120 | 13 | 10.5 |
| 32 | 〜300 | 22 | 19.5 | 17 | 32 | 12 | 26 | 13 | 8 | 45 | 6 | 8 | 37.5 | 5.5 | M10x1.25 | 15 | 34.5 | M26x1.5 | 1/8 | 64 | 122 | 13 | 11.5 |
| 40 | 〜300 | 24 | 21 | 22 | 41 | 14 | 32 | 16 | 11 | 50 | 6 | 10 | 46.5 | 7 | M14x1.5 | 21.5 | 42.5 | M32×2 | 1/4 | 88 | 154 | 16 | 15 |

| 缸径(mm) | 脚 | 法兰 | ||||||||||||||
| X | Y | ΦLD | ΦLC | LX | LZ | LH | LT | B | FD | FY | FX | FZ | C2 | B | FT | |
| 20 | 20 | 8 | 6.8 | 4 | 40 | 55 | 25 | 3.2 | 40 | 7 | - | 60 | 75 | 30 | 34 | 4 |
| 25 | 20 | 8 | 6.8 | 4 | 40 | 55 | 28 | 3.2 | 47 | 7 | - | 60 | 75 | 37 | 40 | 4 |
| 32 | 20 | 8 | 6.8 | 4 | 40 | 55 | 28 | 3.2 | 47 | 7 | - | 60 | 75 | 37 | 40 | 4 |
| 40 | 23 | 10 | 7 | 4 | 55 | 75 | 30 | 3.2 | 54 | 7 | 36 | 66 | 82 | 47.3 | 52 | 5 |

| 缸径(mm) | 单U形夹 | 双U形夹 | 耳轴 | ||||||||||||||||
| L | U | RR | ΦI | ΦCD | CX | L | U | RR | ΦCD | CX | CZ | ΦI | TX | TZ | TD | TY | Z | TT | |
| 20 | 30 | 14 | 9 | 28 | 9 | 10 | 30 | 14 | 9 | 9 | 10 | 19 | 28 | 32 | 52 | 8 | 32 | 36 | 10 |
| 25 | 30 | 14 | 9 | 33.5 | 9 | 10 | 30 | 14 | 9 | 9 | 10 | 19 | 33.5 | 40 | 60 | 9 | 40 | 40 | 10 |
| 32 | 30 | 14 | 9 | 37.5 | 9 | 10 | 30 | 14 | 9 | 9 | 10 | 19 | 37.5 | 40 | 60 | 9 | 40 | 40 | 10 |
| 40 | 39 | 18 | 11 | 46.5 | 10 | 15 | 39 | 18 | 11 | 10 | 15 | 30 | 46.5 | 53 | 7 | 10 | 53 | 44.5 | 11 |