1. 紧凑而坚固的设计:这些气缸采用圆形阀体和结构,配有不锈钢筒和活塞杆,以及双模压阳极氧化铝端盖,既耐用又耐腐蚀。
2. 功能增强且安装方便:
预装配件:许多型号标配安装支架、杆端配件和磁性开关,这有助于减少组装时间和劳动力。
透明开关支架:磁性开关支架是透明的,可以轻松视觉确认开关状态。
易于调节:磁性开关可以沿着气缸体轻松进行微调,以实现精确的位置检测。
3. 高性能:低摩擦设计可实现高达 1500 mm/s 的高速运行。该气缸还具有出色的防尘性能,适合苛刻的环境。
订购代码

规格
| 缸径(毫米) | 8 | 10 | 12 | 16 | 20 | 25 | |
| 类型 | 气动 | ||||||
| 作用 | 双作用,单杆 | ||||||
| 工作介质 | 空气 | ||||||
| 耐压 | 1.5兆帕 | ||||||
| 最大工作压力 | 1.0MPa | ||||||
| 最小工作压力 | 橡胶保险杠 | 0.1MPa | 0.08MPa | 0.05MPa | |||
| 气垫 | - | 0.08MPa | 0.05MPa | ||||
| 环境温度和流体温度 | 无磁性开关:-20℃~80℃(无冻结) | ||||||
| 带磁性开关:-10℃至60℃(无冻结) | |||||||
| 行程长度公差 | +1.0毫米 | +1.4毫米 | |||||
| 活塞速度 | 50 至 1500 毫米/秒 | ||||||
| 软垫 | 橡胶保险杠 | ||||||
| - | 气垫 | ||||||
| 许用动能 | 橡胶保险杠 | 0.02J | 0.03J | 0.04J | 0.09J | 0.27J | 0.4J |
| 气垫 | - | 0.17J | 0.19J | 0.4J | 0.66J | 0.97J | |
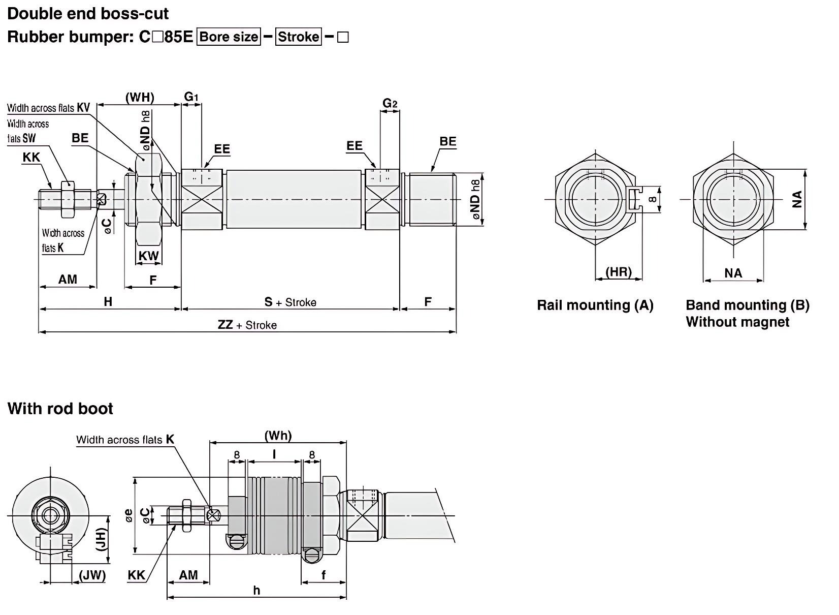
外形尺寸及结构

毫米
| 缸径 | AM | BE | C | CD | EE | EW | F | G1 | G2 | H | (HR) | K | KK | KV | KW | NA | ND | RR | S | SW | U | WA | (WH) | (XC) | Z | ZZ |
| 8 | 12 | M12X1.25 | 4 | 4 | M5X0.8 | 8 | 12 | 7 | 5 | 28 | 13.4 | - | M4X0.7 | 19 | 6 | 15 | 12 | 10 | 46 | 7 | 6 | - | 16 | 64 | 76 | 86 |
| 10 | 12 | M12X1.25 | 4 | 4 | M5X0.8 | 8 | 12 | 7 (5.5) | 5 (5.5) | 28 | 14.2 | - | M4X0.7 | 19 | 6 | 15 | 12 | 10 | 46 (53) | 7 | 6 | 10.5 | 16 | 64 (71) | 76 (83) | 86 (93) |
| 12 | 16 | M16X1.5 | 6 | 6 | M5X0.8 | 12 | 17 | 8 (5.5) | 6 (5.5) | 38 | 14.2 | 5 | M6×1 | 24 | 8 | 18.3 | 16 | 14 | 50 (54) | 10 | 9 | 9.5 | 22 | 75 (79) | 91 (95) | 105 (109) |
| 16 | 16 | M16X1.5 | 6 | 6 | M5X0.8 | 12 | 17 | 8 (5.5) | 6 (5.5) | 38 | 14.2 | 5 | M6X1 | 24 | 8 | 18.3 | 16 | 13 | 56 | 10 | 9 | 9.5 | 22 | 82 | 98 | 111 |
| 20 | 20 | M22X1.5 | 8 | 8 | G1/8 | 16 | 20 | 8 | 8 | 44 | 17 | 6 | M8X1.25 | 32 | 11 | 24 | 22 | 11 | 62 | 13 | 12 | 13 | 24 | 95 | 115 | 126 |
| 25 | 22 | M22X1.5 | 10 | 8 | G1/8 | 16 | 22 | 8 | 8 | 50 | 20 | 8 | M10X1.25 | 32 | 11 | 30 | 22 | 11 | 65 | 17 | 12 | 13 | 28 | 104 | 126 | 137 |
( ): 用于气垫
带杆套
| 缸径/行程/项目 | AM | C | e | f | K | KK | h | ||||||
| 1 至 50 | 51 至 100 | 101 至 150 | 151 至 200 | 201 至 300 | 301 至 400 | 401 至 500 | |||||||
| 20 | 20 | 8 | 36 | 22 | 6 | M8x1.25 | 71 | 84 | 96 | 109 | 134 | 159 | - |
| 25 | 22 | 10 | 36 | 22 | 8 | M10x1.25 | 74 | 87 | 99 | 112 | 137 | 162 | 187 |
(毫米)
| 缸径/行程/项目 | I | (JH) 参考 | (JW) 参考 | (Wh) | ||||||||||||
| 1 至 50 | 51 至 100 | 101 至 150 | 151 至 200 | 201 至 300 | 301 至 400 | 401 至 500 | 1 至 50 | 51 至 100 | 101 至 150 | 151 至 200 | 201 至 300 | 301 至 400 | 401 至 500 | |||
| 20 | 12.5 | 25 | 37.5 | 50 | 75 | 100 | - | 23.5 | 10.5 | 51 | 64 | 76 | 89 | 114 | 139 | - |
| 25 | 12.5 | 25 | 37.5 | 50 | 75 | 100 | 125 | 23.5 | 10.5 | 52 | 65 | 77 | 90 | 115 | 140 | 165 |

(毫米)
| 缸径 | AM | BE | C | EE | F | G1 | G2 | H | (HR) | K | KK | KV | KW | NA | ND | S | SW | (WH) | ZZ |
| 8 | 12 | M12X1.25 | 4 | M5X0.8 | 12 | 7 | 5 | 28 | 13.4 | - | M4X0.7 | 19 | 6 | 15 | 12 | 46 | 7 | 16 | 86 |
| 10 | 12 | M12X1.25 | 4 | M5X0.8 | 12 | 7 | 5 | 28 | 14.2 | - | M4X0.7 | 19 | 6 | 15 | 12 | 46 | 7 | 16 | 86 |
| 12 | 16 | M16X1.5 | 6 | M5X0.8 | 17 | 8 | 6 | 38 | 14.2 | 5 | M6X1 | 24 | 8 | 18.3 | 16 | 5 0 | 10 | 22 | 105 |
| 16 | 16 | M16X1.5 | 6 | M5X0.8 | 17 | 8 | 6 | 38 | 14.2 | 5 | M6X1 | 24 | 8 | 18.3 | 16 | 56 | 10 | 22 | 111 |
| 20 | 20 | M22X1.5 | 8 | G1/8 | 20 | 8 | 8 | 44 | 17 | 6 | M8X1.25 | 32 | 11 | 24 | 22 | 62 | 13 | 24 | 126 |
| 25 | 22 | M22X1.5 | 10 | G1/8 | 22 | 8 | 8 | 50 | 20 | 8 | M10X1.25 | 32 | 11 | 30 | 22 | 65 | 17 | 28 | 137 |
带杆套
| 缸径/行程/项目 | AM | C | e | f | K | KK | h | ||||||
| 1 至 50 | 51 至 100 | 101 至 150 | 151 至 200 | 201 至 300 | 301 至 400 | 401 至 500 | |||||||
| 20 | 20 | 8 | 36 | 22 | 6 | M8x1.25 | 71 | 84 | 96 | 109 | 134 | 159 | - |
| 25 | 22 | 10 | 36 | 22 | 8 | M10x1.25 | 74 | 87 | 99 | 112 | 137 | 162 | 187 |
| 缸径/行程/项目 | I | (JH) 参考 | (JW) 参考 | (Wh) | ||||||||||||
| 1 至 50 | 51 至 100 | 101 至 150 | 151 至 200 | 201 至 300 | 301 至 400 | 401 至 500 | 1 至 50 | 51 至 100 | 101 至 150 | 151 至 200 | 201 至 300 | 301 至 400 | 401 至 500 | |||
| 20 | 12.5 | 25 | 37.5 | 50 | 75 | 100 | - | 23.5 | 10.5 | 51 | 64 | 76 | 89 | 114 | 139 | - |
| 25 | 12.5 | 25 | 37.5 | 50 | 75 | 100 | 125 | 23.5 | 10.5 | 52 | 65 | 77 | 90 | 115 | 140 | 165 |

(毫米)
| 缸径 | AM | BE | C | EE | F | G1 | G2 | H | (HR) | K | KK | KV | KW | NA | ND | S | SW | (WH) | Z |
| 8 | 12 | M12X1.25 | 4 | M5X0.8 | 12 | 7 | 5 | 28 | 13.4 | - | M4X0.7 | 19 | 6 | 15 | 12 | 46 | 7 | 16 | 74 |
| 10 | 12 | M12X1.25 | 4 | M5X0.8 | 12 | 7 | 5 | 28 | 14.2 | - | M4X0.7 | 19 | 6 | 15 | 12 | 46 | 7 | 16 | 74 |
| 12 | 16 | M16X1.5 | 6 | M5X0.8 | 17 | 8 | 6 | 38 | 14.2 | 5 | M6X1 | 24 | 8 | 18.3 | 16 | 5 0 | 10 | 22 | 88 |
| 16 | 16 | M16X1.5 | 6 | M5X0.8 | 17 | 8 | 6 | 38 | 14.2 | 5 | M6X1 | 24 | 8 | 18.3 | 16 | 56 | 10 | 22 | 88 |
| 20 | 20 | M22X1.5 | 8 | G1/8 | 20 | 8 | 8 | 44 | 17 | 6 | M8X1.25 | 32 | 11 | 24 | 22 | 62 | 13 | 24 | 106 |
| 25 | 22 | M22X1.5 | 10 | G1/8 | 22 | 8 | 8 | 50 | 20 | 8 | M10X1.25 | 32 | 11 | 30 | 22 | 65 | 17 | 28 | 115 |
(毫米)
| 缸径/行程/项目 | AM | C | e | f | K | KK | h | ||||||
| 1 至 50 | 51 至 100 | 101 至 150 | 151 至 200 | 201 至 300 | 301 至 400 | 401 至 500 | |||||||
| 20 | 20 | 8 | 36 | 22 | 6 | M8x1.25 | 71 | 84 | 96 | 109 | 134 | 159 | - |
| 25 | 22 | 10 | 36 | 22 | 8 | M10x1.25 | 74 | 87 | 99 | 112 | 137 | 162 | 187 |
(毫米)
| 缸径/行程/项目 | I | (JH) 参考 | (JW) 参考 | (Wh) | ||||||||||||
| 1 至 50 | 51 至 100 | 101 至 150 | 151 至 200 | 201 至 300 | 301 至 400 | 401 至 500 | 1 至 50 | 51 至 100 | 101 至 150 | 151 至 200 | 201 至 300 | 301 至 400 | 401 至 500 | |||
| 20 | 12.5 | 25 | 37.5 | 50 | 75 | 100 | - | 23.5 | 10.5 | 51 | 64 | 76 | 89 | 114 | 139 | - |
| 25 | 12.5 | 25 | 37.5 | 50 | 75 | 100 | 125 | 23.5 | 10.5 | 52 | 65 | 77 | 90 | 115 | 140 | 165 |