1. 轻巧坚固的设计:方形端盖和拉杆结构使这些气缸既耐用又轻,简化了搬运和安装。
2. 易于控制的气垫:两端气垫可调,可精确控制活塞减速度,减少冲程末端的冲击和噪音。
3. 多功能磁性开关兼容性:这些气缸可容纳一系列磁性开关,从紧凑型簧片开关到耐强磁场的磁性开关,有助于轻松集成位置感测。
4. 预先配备,易于安装:许多型号都配有标准杆端配件和摆动安装支架,无需单独订购和组装这些零件,从而节省了时间。
5. 全面的型号范围:该系列包括多种变体,以满足不同的应用需求:
标准型:单杆双作用(CA2)和双杆双作用(CA2W)。
非旋转杆类型:(CA2K、CA2KW)以防止杆旋转。
低摩擦类型:(CA2□Q) 适用于需要最小启动摩擦的应用。
杆锁定类型:(CBA2) 将活塞杆固定到位。
气液联动型:(CA2□H、CA2W□H)用于气动和液压组合操作。
订购代码

规格
| 缸径(mm) | 40 | 50 | 63 | 80 | 100 |
| 工作压力 | 0.05~1.0MPa | ||||
| 环境温度和流体温度 | 不带磁性开关:-10℃~+70℃, 带磁性开关:-10℃~+60℃ | ||||
| 工作活塞速度 | 50~500毫米/秒 | ||||
| 软垫 | 气垫 | ||||
| 允许行程公差(mm) | ~250: +1.0, 251~1000: +1.4, 1001~1500: +1.8 | ||||
| 润滑 | 不需要 | ||||
| 接口尺寸 | 1/4 | 3/8 | 1/2 | ||
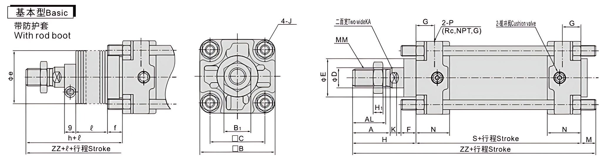
外形尺寸及结构

| 缸径(mm) | 行程(mm) | A | AL | 口B | B1 | 口C | D | E | F | G | H1 | J | K | KA | M | 毫米 | N | P | S | 不带杆套 | 带杆套 | ||||||
| 不带杆套 | 带杆套 | H | ZZ | e | f | h | ZZ | ||||||||||||||||||||
| 40 | 〜500 | 20~500 | 30 | 27 | 60 | 22 | 44 | 16 | 32 | 10 | 15 | 8 | M8x1.25 | 6 | 14 | 11 | M14x1.5 | 27 | 1/4 | 84 | 51 | 146 | 43 | 11.2 | 59 | 1/4行程 | 154 |
| 50 | 〜600 | 20~600 | 35 | 32 | 70 | 27 | 52 | 20 | 40 | 10 | 17 | 11 | M8x1.25 | 7 | 18 | 11 | M18x1.5 | 30 | 3/8 | 90 | 58 | 159 | 52 | 11.2 | 66 | 1/4行程 | 167 |
| 63 | 〜600 | 20~600 | 35 | 32 | 85 | 27 | 64 | 20 | 40 | 10 | 17 | 11 | M10x1.5 | 7 | 18 | 14 | M18x1.5 | 31 | 3/8 | 98 | 58 | 170 | 52 | 11.2 | 66 | 1/4行程 | 178 |
| 80 | 〜750 | 20~750 | 40 | 37 | 102 | 32 | 78 | 25 | 52 | 14 | 21 | 13 | M12x1.75 | 10 | 22 | 17 | M22x1.5 | 37 | 1/2 | 116 | 71 | 204 | 65 | 12.5 | 80 | 1/4行程 | 213 |
| 100 | 〜750 | 20~750 | 40 | 37 | 116 | 41 | 92 | 30 | 52 | 14 | 21 | 16 | M12x1.75 | 10 | 26 | 17 | M26x1.5 | 40 | 1/2 | 126 | 72 | 215 | 65 | 14 | 81 | 1/4行程 | 224 |

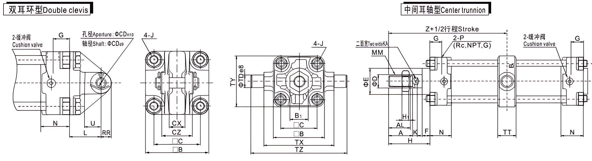
缸径 (毫米) | 脚 | 法兰 | 单U形夹 | ||||||||||||||||
| LH | LX | LY | X | Y | LT | LD | FT | FD | B | FV | FX | FY | YZ | CD | U | L | RR | CX | |
| 40 | 40 | 42 | 70 | 27 | 13 | 3.2 | 9 | 12 | 9 | 71 | 60 | 80 | 42 | 100 | 10 | 16 | 30 | 10 | 15 |
| 50 | 45 | 50 | 80 | 27 | 13 | 3.2 | 9 | 12 | 9 | 81 | 70 | 90 | 50 | 110 | 12 | 19 | 35 | 12 | 18 |
| 63 | 50 | 59 | 93 | 34 | 16 | 3.2 | 11.5 | 15 | 11.5 | 101 | 86 | 105 | 59 | 130 | 16 | 23 | 40 | 16 | 25 |
| 80 | 65 | 76 | 116 | 44 | 16 | 4.5 | 13.5 | 18 | 13.5 | 119 | 102 | 130 | 76 | 160 | 20 | 28 | 48 | 20 | 31.5 |
| 100 | 75 | 92 | 133 | 43 | 17 | 6.0 | 13.5 | 18 | 13.5 | 133 | 116 | 150 | 92 | 180 | 25 | 36 | 58 | 25 | 35.5 |
*未标注尺寸与基本型相同。

缸径 (毫米) | 双U形夹 | 中心耳轴 | |||||||||
| CD | U | L | RR | CX | CZ | TY | TD | TX | TZ | TT | |
| 40 | 10 | 16 | 30 | 10 | 15 | 29.5 | 62 | 15 | 85 | 117 | 22 |
| 50 | 12 | 19 | 35 | 12 | 18 | 38 | 74 | 15 | 95 | 127 | 22 |
| 63 | 16 | 23 | 40 | 16 | 25 | 49 | 90 | 28 | 110 | 148 | 28 |
| 80 | 20 | 28 | 48 | 20 | 31.5 | 61 | 110 | 25 | 140 | 192 | 34 |
| 100 | 25 | 36 | 58 | 25 | 35.5 | 64 | 130 | 25 | 162 | 214 | 40 |