1. 用于气动管路系统的快速气动管接头。
2. 多种管接头型号,满足您对气动管系统的所有需求
3. 即使安装后,也可以自由改变管子的方向。
4. 镀镍金属机身确保防腐、防污染。
5. 所有R和NPT螺纹均预涂密封剂。
6. 所有圆柱螺纹均标配O型圈密封件。
订购代码


规格
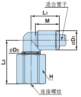
内螺纹弯头:Y-KQ2LF


| 适用管道外径 (毫米) | 连接螺纹 (M,R) | H (六边形的对边) | ΦD1 | ΦD2 | L1 | L2 | M | 重量 (克) |
| Φ4 | M5x0.8 | 8 | 8.8 | 7 | 15.4 | 15.4 | 13.3 | 4.7 |
| M6x1.0 | 8 | 8.8 | 7 | 15.4 | 16.2 | 13.3 | 4.6 | |
| 1/8 | 14 | 8.8 | 10 | 14.8 | 23 | 13.3 | 17.6 | |
| 1/4 | 17 | 8.8 | 10 | 14.8 | 26.5 | 13.3 | 29.6 | |
| Φ6 | M5x0.8 | 8 | 10.7 | 7 | 14.6 | 16.3 | 13.3 | 4.8 |
| M6x1.0 | 8 | 10.7 | 7 | 14.6 | 18.1 | 13.3 | 4.7 | |
| 1/8 | 14 | 10.7 | 10 | 15.3 | 25.3 | 13.3 | 18 | |
| 1/4 | 17 | 10.7 | 10 | 15.3 | 28.8 | 13.3 | 30.1 | |
| 3/8 | 19 | 10.7 | 10 | 15.3 | 29.5 | 13.3 | 34 | |
| Φ8 | 1/8 | 14 | 13.6 | 10 | 16.3 | 25.5 | 14.2 | 18.8 |
| 1/4 | 17 | 13.6 | 12 | 17.3 | 29.1 | 14.2 | 28.7 | |
| 3/8 | 19 | 13.6 | 12 | 17.3 | 30.2 | 14.2 | 32.3 | |
| Φ10 | 1/4 | 17 | 16.2 | 17 | 19.6 | 28.8 | 15.6 | 26.4 |
| 3/8 | 19 | 13.6 | 12 | 17.3 | 30.2 | 14.2 | 31 | |
| 1/2 | 24 | 16.2 | 17 | 19.6 | 37.8 | 15.6 | 57.6 | |
| Φ12 | 1/4 | 17 | 19 | 17 | 21.9 | 30.2 | 17 | 28.2 |
| 3/8 | 19 | 19 | 17 | 21.9 | 35.9 | 17 | 32.9 | |
| 1/2 | 24 | 19 | 17 | 21.9 | 38.9 | 17 | 59.5 |
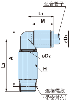
加长弯头:Y-KQ2W(密封剂)


| 适用管道外径 (毫米) | 连接螺纹 (R) | H (六边形的对边) | ΦD1 | ΦD2 | L1 | L2 | A | M | 重量 (克) |
| Φ3.2 | 1/8 | 10 | 7.4 | 10 | 14.5 | 30.3 | 28.3 | 13.3 | 10.8 |
| 1/4 | 14 | 7.4 | 10 | 14.5 | 32.8 | 21.7 | 13.3 | 27.3 | |
| Φ4 | 1/8 | 10 | 8.8 | 10 | 14.8 | 28 | 30.9 | 13.3 | 11 |
| 1/4 | 14 | 8.8 | 10 | 14.8 | 33.5 | 32.7 | 13.3 | 27.5 | |
| Φ6 | 1/8 | 10 | 10.7 | 10 | 15.3 | 30.3 | 33.1 | 13.3 | 11.4 |
| 1/4 | 14 | 10.7 | 10 | 15.3 | 34.8 | 34.9 | 13.3 | 28 | |
| 3/8 | 17 | 10.7 | 10 | 15.3 | 36.3 | 35.8 | 13.3 | 47.4 | |
| Φ8 | 1/8 | 10 | 13.6 | 10 | 15.3 | 33 | 35.9 | 14.2 | 12.2 |
| 1/4 | 14 | 13.6 | 12 | 16.3 | 39.5 | 41 | 14.2 | 40 | |
| 3/8 | 17 | 13.6 | 12 | 17.3 | 40 | 40.7 | 14.2 | 47 | |
| Φ10 | 1/4 | 17 | 16.2 | 17 | 17.3 | 48.1 | 56.2 | 15.6 | 59 |
| 3/8 | 17 | 16.2 | 17 | 17.3 | 48.1 | 56.2 | 15.6 | 59 | |
| 1/2 | 22 | 16.2 | 17 | 19.6 | 53.1 | 54.1 | 15.6 | 92 | |
| Φ12 | 1/4 | 17 | 19 | 17 | 19.6 | 49.1 | 58.8 | 17 | 60.7 |
| 3/8 | 17 | 19 | 17 | 21.9 | 50.4 | 54 | 17 | 53.2 | |
| 1/2 | 22 | 19 | 17 | 21.9 | 54.2 | 56.7 | 17 | 93.9 | |
| Φ16 | 1/4 | 17 | 23.8 | 21 | 27.1 | 59 | 66.2 | 20.6 | 67.4 |
| 3/8 | 22 | 23.8 | 21 | 27.1 | 59.7 | 66.5 | 20.6 | 105.5 | |
| 1/2 | 22 | 23.8 | 21 | 27.1 | 58.4 | 63.9 | 20.6 | 101.7 |
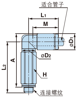
加长弯头:Y-KQ2W(密封垫)


| 适用管道外径 (毫米) | 连接螺纹 M | H (六边形的对边) | ΦD1 | ΦD2 | L1 | L2 | A | M | 重量 (克) |
| Φ2 | M3x0.5 | 5.5 | 6.1 | 5.5 | 12.6 | 18.8 | 19.1 | 11.9 | 2.6 |
| M5x0.8 | 7 | 6.1 | 5.5 | 12.6 | 19.3 | 19.2 | 11.9 | 4.6 | |
| Φ3.2 | M3x0.5 | 7 | 7.4 | 7 | 15.3 | 22.7 | 23.4 | 13.3 | 4.8 |
| M5x0.8 | 7 | 7.4 | 7 | 15.3 | 25.2 | 25.7 | 13.3 | 5.8 | |
| Φ4 | M3x0.5 | 7 | 8.8 | 7 | 15.4 | 23.5 | 24.5 | 13.3 | 4.9 |
| M5x0.8 | 7 | 8.8 | 7 | 15.4 | 23.5 | 24.5 | 13.3 | 4.9 | |
| Φ6 | M3x0.5 | 7 | 8.8 | 7 | 15.4 | 26 | 26.8 | 13.3 | 5.8 |
| M5x0.8 | 7 | 10.7 | 7 | 14.6 | 27.9 | 29.6 | 13.3 | 5.9 |
外螺纹T型接头:Y-KQ2T(密封垫)


| 适用管道外径 (毫米) | 连接螺纹 M | H (六边形的对边) | ΦD1 | ΦD2 | L1 | L2 | A | M | 重量 (克) |
| Φ2 | M3x0.5 | 5.5 | 6.1 | 5.5 | 12.6 | 12.5 | 12.8 | 11.9 | 1.9 |
| M5x0.8 | 7 | 5.8 | 5.5 | 12.6 | 13 | 12.9 | 11.9 | 3 | |
| Φ3.2 | M3x0.5 | 7 | 7.1 | 7 | 15.3 | 13.8 | 14.7 | 13.3 | 3.1 |
| M5x0.8 | 7 | 7.1 | 7 | 15.3 | 14.3 | 14.8 | 13.3 | 3.5 | |
| Φ4 | M3x0.5 | 7 | 8.2 | 7 | 15.3 | 14.5 | 15.8 | 13.3 | 3.4 |
| M5x0.8 | 7 | 8.2 | 7 | 15.3 | 15 | 15.9 | 13.3 | 3.9 | |
| M6x1.0 | 8 | 8.2 | 7 | 15.3 | 16 | 15.9 | 13.3 | 4.9 | |
| Φ6 | M5x0.8 | 7 | 10.4 | 7 | 14.3 | 16.8 | 18.7 | 13.3 | 4.4 |
| M6x1.0 | 8 | 10.4 | 7 | 14.3 | 17.8 | 18.7 | 13.3 | 5.4 |
外螺纹T型接头:Y-KQ2T(密封剂)


| 适用管道外径 (毫米) | 连接螺纹 (R) | H (六边形的对边) | ΦD1 | ΦD2 | L1 | L2 | A | M | 重量 (克) |
| Φ3.2 | 1/8 | 10 | 7.1 | 10 | 14.5 | 16.6 | 17.1 | 13.3 | 5.2 |
| 1/4 | 14 | 7.1 | 10 | 14.5 | 21.1 | 20 | 13.3 | 14.7 | |
| Φ4 | 1/8 | 10 | 8.8 | 10 | 14.6 | 16.3 | 17.2 | 13.3 | 5.5 |
| 1/4 | 14 | 8.8 | 10 | 14.6 | 20.5 | 21.1 | 13.3 | 15 | |
| Φ6 | 1/8 | 10 | 10.7 | 10 | 15.3 | 17.8 | 19.4 | 13.3 | 6.1 |
| 1/4 | 14 | 10.7 | 10 | 15.3 | 22 | 23.3 | 13.3 | 15.6 | |
| 3/8 | 17 | 10.7 | 10 | 15.3 | 23.5 | 24.2 | 13.3 | 27.4 | |
| Φ8 | 1/8 | 10 | 13.6 | 10 | 16.3 | 19 | 22.2 | 14.2 | 7.9 |
| 1/4 | 14 | 13.6 | 12 | 17.3 | 24.9 | 27.3 | 14.2 | 19.4 | |
| 3/8 | 17 | 13.6 | 12 | 17.3 | 25.4 | 27 | 14.2 | 26.5 | |
| Φ10 | 1/8 | 12 | 16.2 | 12 | 18.7 | 24 | 28.4 | 15.6 | 13.9 |
| 1/4 | 17 | 16.2 | 17 | 19.4 | 28.7 | 31.9 | 15.6 | 24.3 | |
| 3/8 | 17 | 16.2 | 17 | 19.6 | 29.8 | 32.4 | 15.6 | 24.8 | |
| 1/2 | 22 | 16.2 | 17 | 19.6 | 33.2 | 35.1 | 15.6 | 47.3 | |
| Φ12 | 1/4 | 17 | 19 | 17 | 21.7 | 30 | 34.5 | 17 | 27.3 |
| 3/8 | 17 | 19 | 17 | 21.5 | 31.2 | 35 | 17 | 28 | |
| 1/2 | 22 | 19 | 17 | 21.5 | 34.6 | 37.7 | 17 | 50.4 | |
| Φ16 | 1/4 | 17 | 23.8 | 17 | 25.1 | 32.6 | 39.8 | 20.6 | 35.5 |
| 3/8 | 22 | 23.8 | 21 | 27.1 | 35.4 | 42.2 | 20.6 | 47.7 | |
| 1/2 | 22 | 23.8 | 21 | 27.1 | 34.1 | 39.6 | 20.6 | 51.4 |
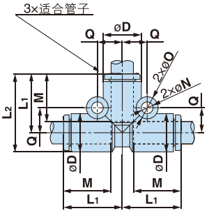
T型接管:Y-KQ2T


| 适用管道外径 (毫米) | ΦD | L1 | L2 | M | Q | ΦO | ΦN | 重量 (克) |
| Φ2 | 6.1 | 12.9 | 15.8 | 11.9 | 4.5 | 6 | 3.2 | 1.4 |
| Φ3.2 | 7.4 | 14.9 | 18.5 | 13.3 | 5.4 | 6 | 3.2 | 4.6 |
| Φ4 | 8.8 | 15.3 | 19.5 | 13.3 | 5.7 | 6 | 3.2 | 5.5 |
| Φ6 | 10.7 | 16.2 | 21.5 | 13.3 | 6.8 | 6 | 3.2 | 7.6 |
| Φ8 | 13.6 | 18.1 | 24.8 | 14.2 | 8.4 | 8 | 4.2 | 7 |
| Φ10 | 16.2 | 20.7 | 28.7 | 15.6 | 9.6 | 8 | 4.2 | 11 |
| Φ12 | 19 | 23 | 32.7 | 17 | 10.7 | 8 | 4.2 | 15.7 |
| Φ16 | 23.8 | 31 | 42.9 | 20.6 | 13.4 | 8 | 4.2 | 29.8 |