订购代码

数据表
型号 | AD202-02 | AD202-03 | AD202-04 | AD402-02 | AD402-03 | AD402-04 | |
工作介质 | 压缩空气 | ||||||
接口尺寸 | G1/4 | G3/8 | G1/2 | G1/4 | G3/8 | G1/2 | |
排水方式 | 螺纹 G1/8 | 螺纹 G3/8 | |||||
| 工作压力 | 2~8巴 | ||||||
环境温度 | 5~60℃ | ||||||
| 材料 | 主体 | 铝合金 | |||||
密封圈 | 丁腈橡胶 | ||||||
过滤器 | 烧结钢 | ||||||
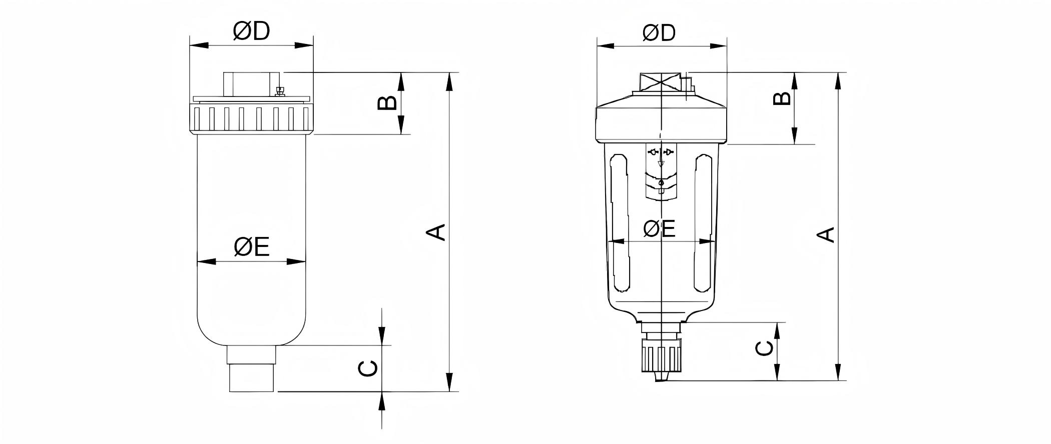
结构

| 型号 | A | B | C | ΦD | ΦE |
| AD202-04 | 158 | 45 | 18 | 71.5 | 61 |
| AD402-04 | 185 | 35.5 | 16 | 83 | 68.5 |