1. 结构紧凑耐用:气缸采用高强度铝合金管。端部通过盖和管之间的螺纹连接进行固定,使结构坚固、紧凑且易于维护。
2. 高性能密封和润滑:活塞采用特殊的双向密封结构。该设计结构紧凑,具有储油功能,并确保低启动压力。前盖采用自润滑轴承,可提供良好的引导,无需额外润滑即可运行。
3. 灵活的安装和选项:多种后盖样式(例如CA-旋转型、CM-圆形型、U-平型)和安装配件(例如FA-前法兰、LB-脚安装)可供选择,为安装提供了极大的灵活性。零件号中标有“S”的型号提供可选的磁性活塞,可通过外部簧片开关进行位置传感。
订购代码

规格
| 缸径(毫米) | 20 | 25 | 32 | 40 | |
| 运动模式 | MAL | 双动或单动 | |||
| MSAL/MTAL | 单作用弹簧回弹/伸展 | ||||
| 工作介质 | 过滤压缩空气 | ||||
| 抗压 | 1.5兆帕 | ||||
| 工作压力范围 | MAL | 0.1~0.9兆帕 | |||
| MSAL/MTAL | 0.2~0.9兆帕 | ||||
| 环境和流体温度 | -5~70℃(No freezing) | ||||
| 接口尺寸 | 1/8 | 1/4 | |||
| 活塞杆螺纹 | M8x1.25 | M10x1.25 | M12x1.25 | ||
| 缓冲 | 橡胶保险杠 | ||||
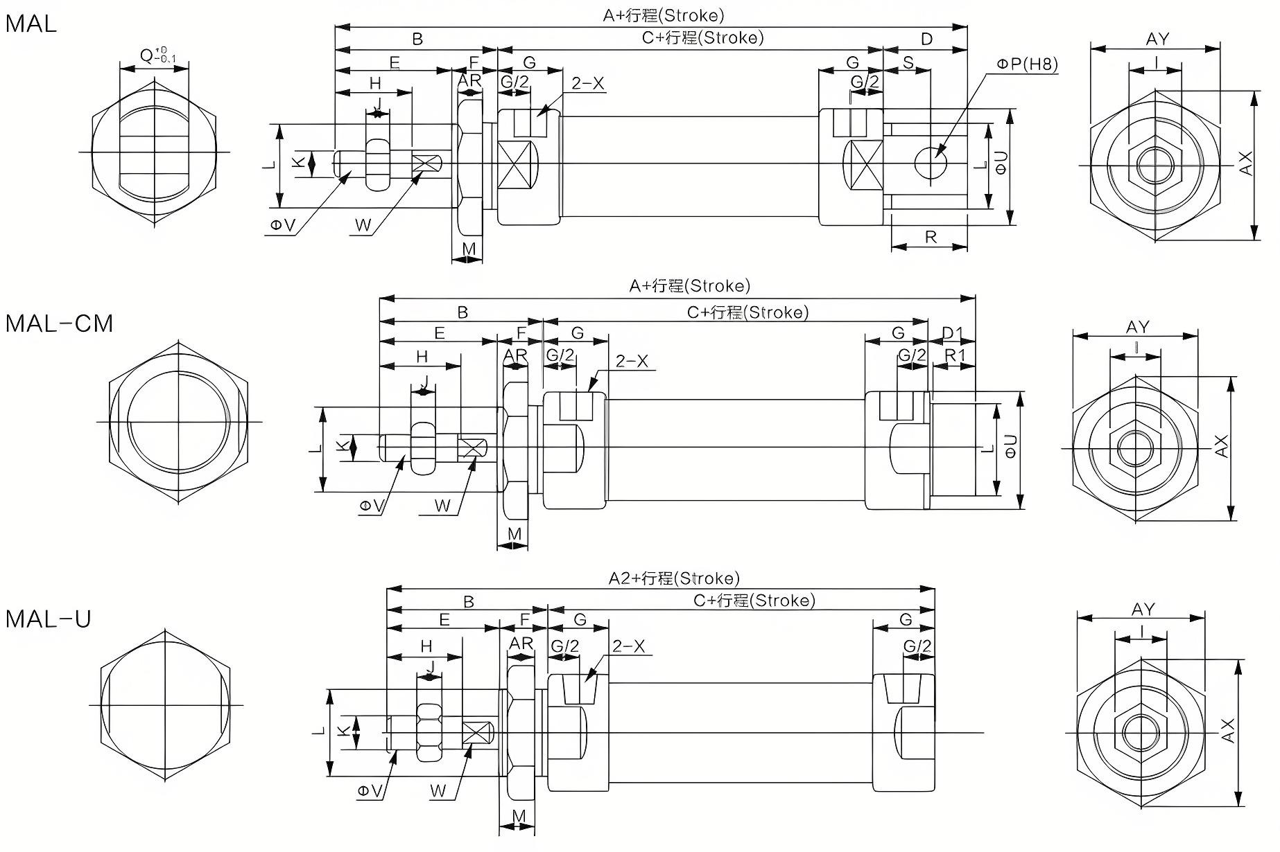
外形尺寸及结构

| 缸径(毫米) | A | A1 | A2 | B | C | D | D1 | E | F | G | H | I | J | K |
| 16 | 114 | 114 | 98 | 38 | 60 | 16 | 16 | 22 | 16 | 10 | 16 | 10 | 5 | M6X1 |
| 20 | 131 | 122 | 110 | 40 | 70 | 21 | 12 | 28 | 16 | 16 | 20 | 12 | 6 | M8X1.25 |
| 25 | 135 | 128 | 114 | 44 | 70 | 21 | 14 | 30 | 16 | 16 | 22 | 17 | 6 | M10X1.25 |
| 32 | 141 | 128 | 114 | 44 | 70 | 27 | 14 | 30 | 16 | 16 | 22 | 17 | 6 | M10X1.25 |
| 40 | 165 | 152 | 138 | 45 | 92 | 27 | 14 | 32 | 22 | 22 | 24 | 17 | 7 | M12X1.25 |
| 缸径(毫米) | L | M | P | Q | R | R1 | S | U | V | W | X | AR | AX | AY |
| 16 | M16X1.5 | 14 | 6 | 12 | 14 | 14 | 9 | 21 | 6 | 5 | M5 | 6 | 25 | 22 |
| 20 | M22X1.5 | 10 | 8 | 16 | 19 | 10 | 12 | 29 | 8 | 6 | G1/8 | 7 | 33 | 29 |
| 25 | M22X1.5 | 12 | 8 | 16 | 19 | 12 | 12 | 34 | 10 | 8 | G1/8 | 7 | 33 | 29 |
| 32 | M24X2.0 | 12 | 10 | 16 | 25 | 12 | 15 | 39.5 | 12 | 10 | G1/8 | 8 | 37 | 32 |
| 40 | M30X2.0 | 12 | 12 | 20 | 25 | 12 | 15 | 49.5 | 16 | 14 | G1/4 | 9 | 37 | 41 |

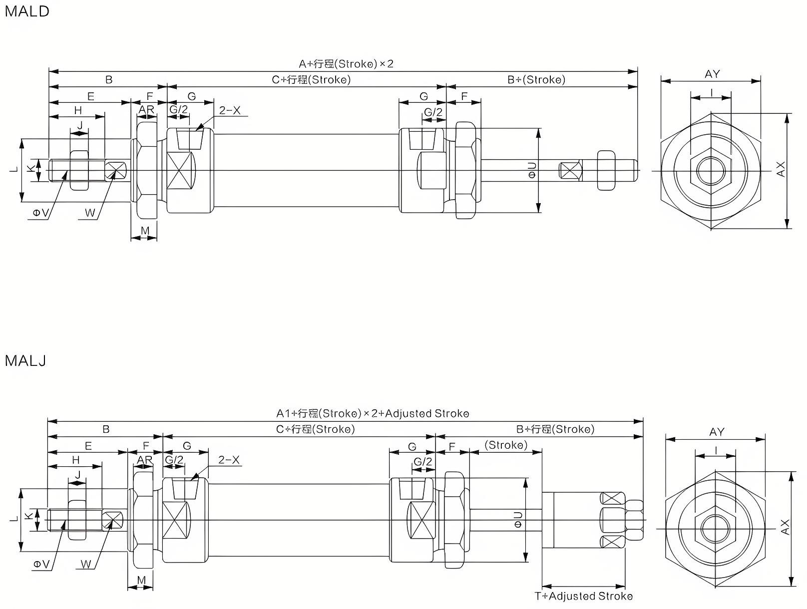
| 符号 | A | A1 | A2 | B | C | D1 | D | E | F | G | H | I | J | ||||
| 缸径/行程 | 0-50 | 51-100 | 0-50 | 51-100 | 0-50 | 51-100 | 0-50 | 51-100 | |||||||||
| 20 | 131 | 156 | 122 | 147 | 110 | 135 | 40 | 70 | 95 | 21 | 12 | 28 | 12 | 16 | 20 | 12 | 6 |
| 25 | 135 | 160 | 160 | 153 | 114 | 139 | 44 | 70 | 95 | 21 | 14 | 30 | 14 | 16 | 22 | 17 | 6 |
| 32 | 141 | 166 | 166 | 153 | 114 | 139 | 44 | 70 | 95 | 27 | 14 | 30 | 14 | 16 | 22 | 17 | 6 |
| 40 | 165 | 190 | 190 | 177 | 138 | 163 | 46 | 92 | 117 | 27 | 14 | 32 | 14 | 22 | 24 | 17 | 7 |
| 内径/符号 | K | L | M | P | Q | R | R1 | S | U | V | W | X | AR | AX | AY |
| 20 | M8X1.25 | M22X1.5 | 10 | 8 | 16 | 19 | 10 | 12 | 29 | 8 | 6 | G1/8 | 7 | 33 | 29 |
| 25 | M10X1.25 | M22X1.5 | 12 | 8 | 16 | 19 | 12 | 12 | 34 | 10 | 8 | G1/8 | 7 | 33 | 29 |
| 32 | M10X1.25 | M24X2.0 | 12 | 10 | 16 | 25 | 12 | 15 | 39.5 | 12 | 10 | G1/8 | 8 | 37 | 32 |
| 40 | M12X1.25 | M30X2.0 | 12 | 12 | 20 | 25 | 12 | 15 | 49.5 | 16 | 14 | G1/4 | 9 | 47 | 41 |

| 内径/符号 | A | A1 | B | C | E | F | G | H | I | J | K |
| 20 | 150 | 147 | 40 | 70 | 28 | 12 | 16 | 20 | 12 | 6 | M8X1.25 |
| 25 | 158 | 155 | 44 | 70 | 30 | 14 | 16 | 22 | 17 | 6 | M10X1.25 |
| 32 | 158 | 155 | 44 | 70 | 30 | 14 | 16 | 22 | 17 | 6 | M10X1.25 |
| 40 | 184 | 180 | 46 | 92 | 32 | 14 | 22 | 24 | 17 | 7 | M12X1.25 |
| 内径/符号 | L | M | U | V | W | X | AR | AX | AY | T |
| 20 | M22X1.5 | 10 | 29 | 8 | 6 | G1/8 | 7 | 33 | 29 | 19 |
| 25 | M22X1.5 | 12 | 34 | 10 | 8 | G1/8 | 7 | 33 | 29 | 21 |
| 32 | M24X1.5 | 12 | 39.5 | 12 | 10 | G1/8 | 8 | 37 | 32 | 21 |
| 40 | M30X2.0 | 12 | 49.5 | 16 | 14 | G1/4 | 9 | 47 | 41 | 21 |