1. 节省空间的设计:比标准气缸紧凑达 50%
2. 耐用结构:高强度铝合金,经过耐腐蚀处理
3. 操作平稳:可调节气动缓冲,减少冲击和噪音
4. 易于集成:磁性活塞用于位置传感和多种安装选项
5. 性能可靠:使用寿命长,维护要求极低
6. 兼容性广泛:适合各种工业自动化应用
订购代码

规格
| 缸径(毫米) | 12 | 16 | 20 | 25 | 32 | 40 | 50 | 63 | 80 | 100 | |
| 作用形式 | 双作用 | ||||||||||
| 单作用弹簧伸出,单作用弹簧返回 | - | ||||||||||
| 工作介质 | 洁净空气(40um过滤) | ||||||||||
| 压力范围 | 双作用 | 0.1~0.9Mpa | |||||||||
| 单作用 | 0.2~0.9Mpa | - | |||||||||
| 保证压力 | 1.5Mpa(213Psi) | ||||||||||
| 工作温度 | -5~70℃ | ||||||||||
| 速度范围 | 双作用 | 30~600毫米/秒 | 30~350毫米/秒 | 30~250毫米/秒 | |||||||
| 单作用 | 100~500毫米/秒 | - | |||||||||
| 缓冲类型 | 固定垫 | ||||||||||
| 接口尺寸 | M5x0.8 | G1/8 | G1/4 | G3/8 | |||||||
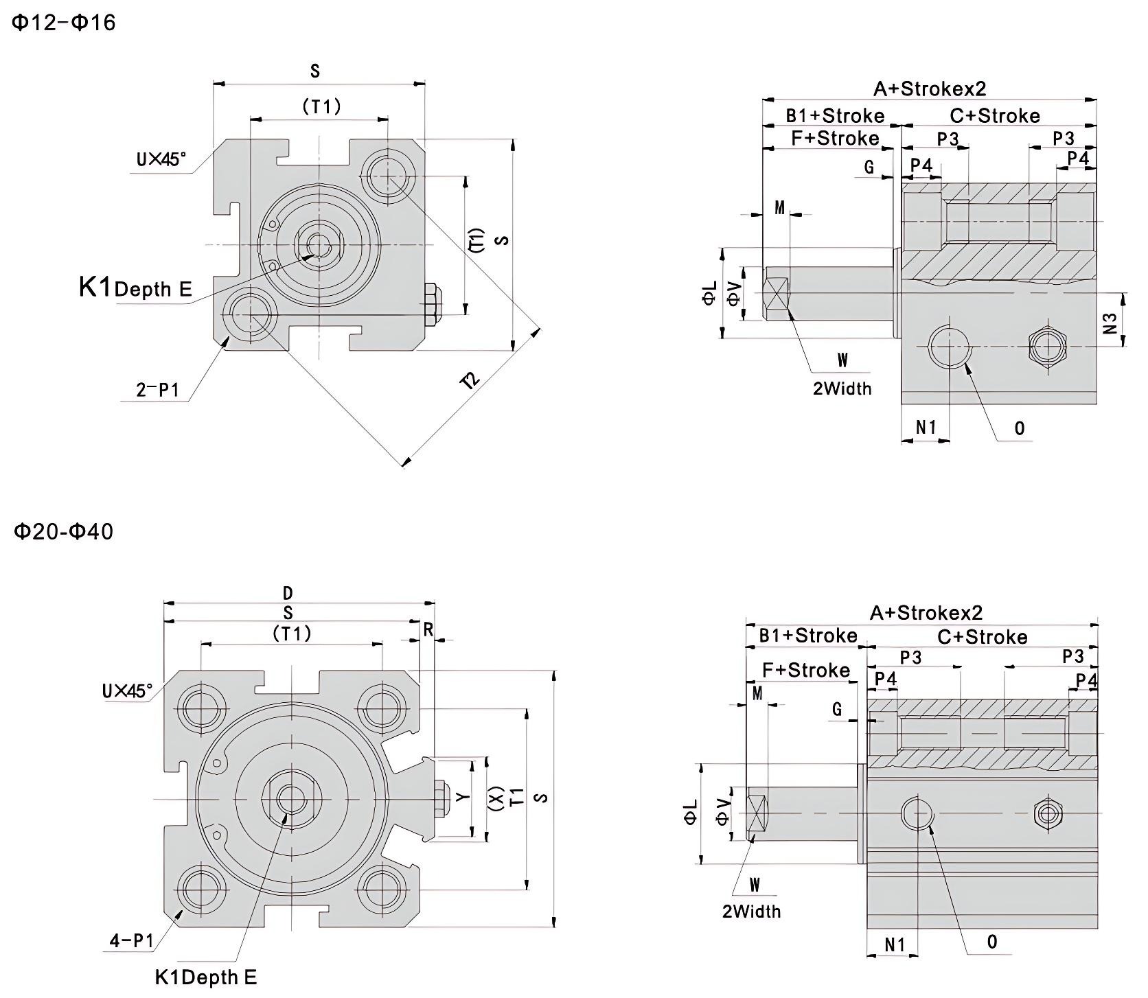
外形尺寸及结构
SDA/SDAS(双作用型)

| 型号 | 标准 | 带磁铁 | D | E | F | G | K1 | L | M | N1 | N2 | N3 | ||||||
| 孔/标志 | A | B1 | C | A | B1 | C | S=5 | S>5 | S=5 | S>5 | ||||||||
| 12 | 22 | 5 | 17 | 32 | 5 | 27 | - | 6 | 4 | 1 | M3X0.5 | 10.2 | 2.8 | 6.3 | 6.3 | 6 | ||
| 16 | 24 | 5.5 | 18.5 | 34 | 5.5 | 28.5 | - | 6 | 4 | 1.5 | M3X0.5 | 11 | 2.8 | 7.3 | 7.3 | 6.5 | ||
| 20 | 25 | 5.5 | 19.5 | 35 | 5.5 | 29.5 | 36 | 8 | 4 | 1.5 | M4X0.7 | 15 | 2.8 | 7.5 | 7.5 | - | ||
| 25 | 27 | 6 | 21 | 37 | 6 | 31 | 42 | 10 | 4 | 2 | M5X0.8 | 17 | 2.8 | 8 | 8 | - | ||
| 32 | 31.5 | 7 | 24.5 | 41.5 | 7 | 34.5 | 50 | 12 | 4 | 3 | M6X1 | 22 | 2.8 | 9 | 9 | - | ||
| 40 | 33 | 7 | 26 | 43 | 7 | 36 | 58.5 | 12 | 4 | 3 | M8X1.25 | 28 | 2.8 | 10 | 10 | - | ||
| 50 | 37 | 9 | 28 | 47 | 9 | 38 | 71.5 | 15 | 5 | 4 | M10X1.5 | 38 | 2.8 | 10.5 | 10.5 | - | ||
| 63 | 41 | 9 | 32 | 51 | 9 | 42 | 84.5 | 15 | 5 | 4 | M10X1.5 | 40 | 2.8 | 9.5 | 12 | 9.5 | 11 | - |
| 80 | 52 | 11 | 41 | 62 | 11 | 51 | 104 | 20 | 6 | 5 | M14X1.5 | 45 | 4 | 11.5 | 14.5 | 11.5 | 14.5 | - |
| 100 | 63 | 12 | 51 | 73 | 12 | 61 | 124 | 20 | 7 | 5 | M18X1.5 | 55 | 4 | 16 | 20.5 | 16 | 20.5 | - |
| 孔/标志 | O | P1 | P3 | P4 | R | S | T1 | T2 | U | V | W | X | Y |
| 12 | M5X0.8 | 双面:Φ6.5 螺纹:M5x0.8 通孔:Φ4.2 | 12 | 4.5 | - | 25 | 16.2 | 23 | 1.6 | 6 | 5 | - | - |
| 16 | M5X0.8 | 双面:Φ6.5 螺纹:M5x0.8 通孔:Φ4.2 | 12 | 4.5 | - | 25 | 16.2 | 23 | 1.6 | 6 | 5 | - | - |
| 20 | M5X0.8 | 双面:Φ6.5 螺纹:M5x0.8 通孔:Φ4.2 | 12 | 4.5 | - | 29 | 19.8 | 28 | 1.6 | 6 | 5 | - | - |
| 25 | M5X0.8 | 双面:Φ8.2 螺纹:M6x1.0 通孔:Φ4.6 | 14 | 4.5 | 2 | 34 | 24 | - | 2.1 | 8 | 6 | 11.3 | 10 |
| 32 | G1/8 | 双面:Φ8.2 螺纹:M6x1.0 通孔:Φ4.6 | 15 | 5.5 | 2 | 40 | 28 | - | 3.1 | 10 | 8 | 12 | 10 |
| 40 | G1/8 | 双面:Φ10 螺纹:M8x1.25 通孔:Φ6.5 | 16 | 5.5 | 6 | 44 | 34 | - | 2.15 | 12 | 10 | 18.3 | 15 |
| 50 | G1/4 | 双面:Φ11 螺纹:M8x1.25 通孔:Φ6.5 | 20 | 7.5 | 6.5 | 52 | 40 | - | 2.25 | 16 | 14 | 21.3 | 16 |
| 63 | G1/4 | 双面:Φ11 螺纹:M8x1.25 通孔:Φ6.5 | 25 | 8.5 | 9.5 | 62 | 48 | - | 4.15 | 20 | 17 | 30 | 20 |
| 80 | G3/8 | 双面:Φ14 螺纹:M12x1.75 通孔:Φ9.2 | 25 | 8.5 | 9.5 | 75 | 60 | - | 3.15 | 20 | 17 | 28.7 | 20 |
| 100 | G3/8 | 双面:Φ17.5 螺纹:M14x2 通孔:Φ11.3 | 30 | 13 | 10 | 114 | 90 | - | 3.65 | 32 | 27 | 35 | 26 |
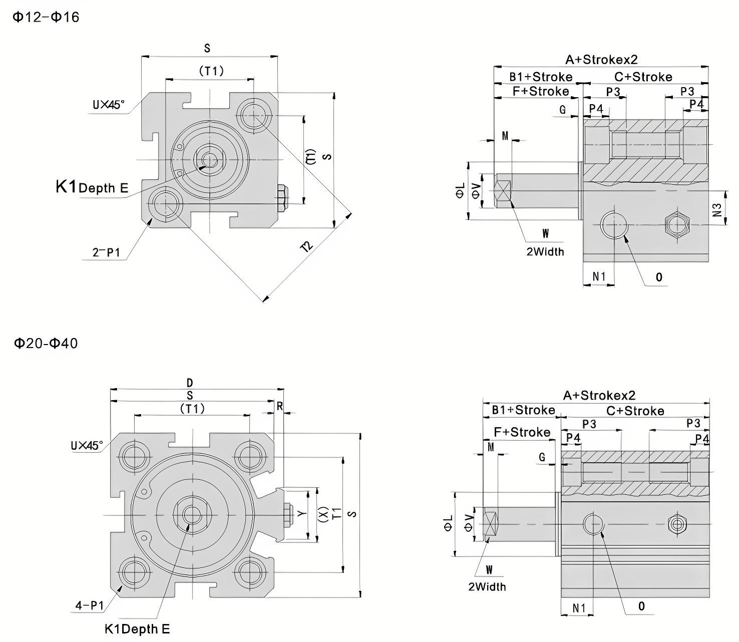
SSA/SSAS(单作用弹簧伸出)

| 型号 | 标准 | 带磁铁 | D | E | F | G | K1 | L | M | N1 | N3 | ||||||||
孔径/符号行程 | A | B1 | C | A | B1 | C | |||||||||||||
| ≤10 | >10 | ≤10 | >10 | ≤10 | >10 | ≤10 | >10 | ||||||||||||
| 12 | 32 | 42 | 5 | 27 | 37 | 42 | 52 | 5 | 37 | 47 | - | 6 | 4 | 1 | M3X0.5 | 10.2 | 2.8 | 6.3 | 6 |
| 16 | 34 | 44 | 5.5 | 28.5 | 38.5 | 44 | 54 | 5.5 | 38.5 | 48.5 | - | 6 | 4 | 1.5 | M3X0.5 | 11 | 2.8 | 7.3 | 6.5 |
| 20 | 35 | 45 | 5.5 | 29.5 | 39.5 | 45 | 55 | 5.5 | 39.5 | 49.5 | 36 | 8 | 4 | 1.5 | M4X0.7 | 16 | 2.8 | 7.5 | - |
| 25 | 37 | 47 | 6 | 31 | 41 | 47 | 57 | 6 | 41 | 51 | 42 | 10 | 4 | 2 | M5X0.8 | 17 | 2.8 | 8 | - |
| 32 | 41.5 | 51.5 | 7 | 34.5 | 44.5 | 51.5 | 61.5 | 7 | 44.5 | 54.5 | 50 | 12 | 4 | 3 | M6X1 | 22 | 2.8 | 9 | - |
| 40 | 43 | 53 | 7 | 36 | 46 | 53 | 63 | 7 | 46 | 56 | 58.5 | 12 | 4 | 3 | M8X1.25 | 28 | 2.8 | 10 | - |
| 孔/标志 | O | P1 | P3 | P4 | R | S | T1 | T2 | U | V | W | X | Y |
| 12 | M5X0.8 | 双面:Φ6.5 螺纹:M5x0.8 通孔:Φ4.2 | 12 | 4.5 | - | 25 | 16.2 | 23 | 1.6 | 6 | 5 | - | - |
| 16 | M5X0.8 | 双面:Φ6.5 螺纹:M5x0.8 通孔:Φ4.2 | 12 | 4.5 | - | 29 | 19.8 | 28 | 1.6 | 6 | 5 | - | - |
| 20 | M5X0.8 | 双面:Φ6.5 螺纹:M5x0.8 通孔:Φ4.2 | 12 | 4.5 | 2 | 34 | 24 | - | 2.1 | 8 | 6 | 11.3 | 10 |
| 25 | M5X0.8 | 双面:Φ8.2 螺纹:M6x1.0 通孔:Φ4.6 | 14 | 5.5 | 2 | 40 | 28 | - | 3.1 | 10 | 8 | 12 | 10 |
| 32 | G1/8 | 双面:Φ8.5 螺纹:M6x1.0 通孔:Φ4.6 | 15 | 5.5 | 6 | 44 | 34 | - | 2.15 | 12 | 10 | 18.3 | 15 |
| 40 | G1/8 | 双面:Φ10 螺纹:M8x1.25 通孔:Φ6.5 | 20 | 7.5 | 6.5 | 52 | 40 | - | 2.25 | 16 | 14 | 21.3 | 16 |
STA/STAS(单作用弹簧复位)

| 型号 | 标准 | 带磁铁 | D | E | F | G | K1 | L | M | N1 | N3 | ||||||||
孔径/符号行程 | A | B1 | C | A | B1 | C | |||||||||||||
| ≤10 | >10 | ≤10 | >10 | ≤10 | >10 | ≤10 | >10 | ||||||||||||
| 12 | 32 | 42 | 5 | 27 | 37 | 42 | 52 | 5 | 37 | 47 | - | 6 | 4 | 1 | M3X0.5 | 10.2 | 2.8 | 6.3 | 6 |
| 16 | 34 | 44 | 5.5 | 28.5 | 38.5 | 44 | 54 | 5.5 | 38.5 | 48.5 | - | 6 | 4 | 1.5 | M3X0.5 | 11 | 2.8 | 7.3 | 6.5 |
| 20 | 35 | 45 | 5.5 | 29.5 | 39.5 | 45 | 55 | 5.5 | 39.5 | 49.5 | 36 | 8 | 4 | 1.5 | M4X0.7 | 16 | 2.8 | 7.5 | - |
| 25 | 37 | 47 | 6 | 31 | 41 | 47 | 57 | 6 | 41 | 51 | 42 | 10 | 4 | 2 | M5X0.8 | 17 | 2.8 | 8 | - |
| 32 | 41.5 | 51.5 | 7 | 34.5 | 44.5 | 51.5 | 61.5 | 7 | 44.5 | 54.5 | 50 | 12 | 4 | 3 | M6X1 | 22 | 2.8 | 9 | - |
| 40 | 43 | 53 | 7 | 36 | 46 | 53 | 63 | 7 | 46 | 56 | 58.5 | 12 | 4 | 3 | M8X1.25 | 28 | 2.8 | 10 | - |
| 孔/标志 | O | P1 | P3 | P4 | R | S | T1 | T2 | U | V | W | X | Y |
| 12 | M5X0.8 | 双面:Φ6.5 螺纹:M5x0.8 通孔:Φ4.2 | 12 | 4.5 | - | 25 | 16.2 | 23 | 1.6 | 6 | 5 | - | - |
| 16 | M5X0.8 | 双面:Φ6.5 螺纹:M5x0.8 通孔:Φ4.2 | 12 | 4.5 | - | 29 | 19.8 | 28 | 1.6 | 6 | 5 | - | - |
| 20 | M5X0.8 | 双面:Φ6.5 螺纹:M5x0.8 通孔:Φ4.2 | 14 | 4.5 | 2 | 34 | 24 | - | 2.1 | 8 | 6 | 11.3 | 10 |
| 25 | M5X0.8 | 双面:Φ8.2 螺纹:M6x1.0 通孔:Φ4.6 | 15 | 5.5 | 2 | 40 | 28 | - | 3.1 | 10 | 8 | 12 | 10 |
| 32 | G1/8 | 双面:Φ8.2 螺纹:M6x1.0 通孔:Φ4.6 | 16 | 5.5 | 6 | 44 | 34 | - | 2.15 | 12 | 10 | 18.3 | 15 |
| 40 | G1/8 | 双面:Φ10 螺纹:M8x1.25 通孔:Φ6.5 | 20 | 7.5 | 6.5 | 52 | 40 | - | 2.25 | 16 | 14 | 21.3 | 16 |
SDA SSA STA

| 孔/标志 | B2 | E | F | G | H | I | J | K2 | L | M | V | W |
| 12 | 17 | 16 | 4 | 1 | 10 | 8 | 4 | M5X0.8 | 10.2 | 2.8 | 6 | 5 |
| 16 | 17.5 | 16 | 4 | 1.5 | 10 | 8 | 4 | M5X0.8 | 11 | 2.8 | 6 | 5 |
| 20 | 20.5 | 19 | 4 | 1.5 | 13 | 10 | 5 | M6X10 | 15 | 2.8 | 8 | 6 |
| 25 | 23 | 21 | 4 | 2 | 15 | 12 | 6 | M8X1.25 | 17 | 2.8 | 10 | 8 |
| 32 | 25 | 22 | 4 | 3 | 15 | 17 | 6 | M10X1.25 | 22 | 2.8 | 12 | 10 |
| 40 | 35 | 32 | 4 | 3 | 25 | 19 | 8 | M14X1.5 | 28 | 2.8 | 16 | 14 |
| 50 | 37 | 33 | 5 | 4 | 25 | 27 | 11 | M18X1.5 | 38 | 2.8 | 20 | 17 |
| 63 | 37 | 33 | 5 | 4 | 25 | 27 | 11 | M18X1.5 | 40 | 2.8 | 20 | 17 |
| 80 | 44 | 39 | 6 | 5 | 30 | 32 | 13 | M22X1.5 | 45 | 4 | 25 | 22 |
| 100 | 50 | 45 | 7 | 5 | 35 | 36 | 13 | M26X1.5 | 55 | 4 | 32 | 27 |
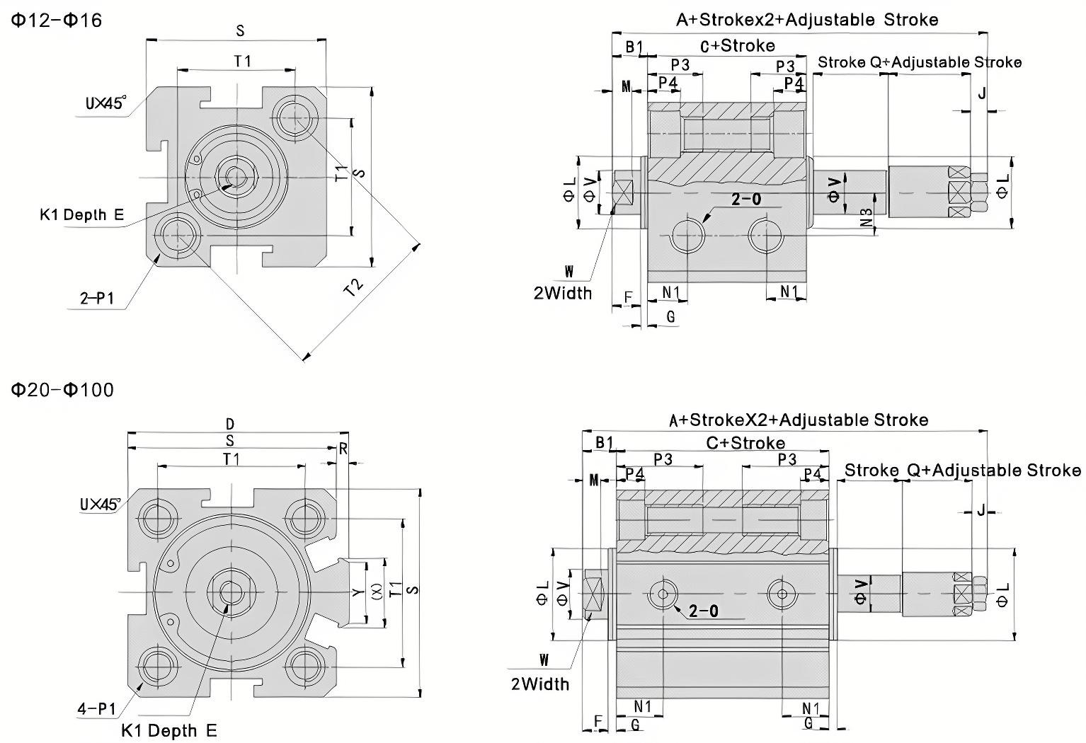
SDAD/SDADS(双轴作用调节型)

| 模型 | 标准 | 带磁铁 | D | E | F | G | K1 | L | M | N1 | N3 | ||||||
| 孔/标志 | A | B1 | C | A | B1 | C | S≤10 | S>10 | S=5 | S>5 | |||||||
| 12 | 27 | 5 | 17 | 37 | 5 | 27 | - | 6 | 4 | 1 | M3X0.5 | 10.2 | 2.8 | 6.3 | 6 | ||
| 16 | 29.5 | 5.5 | 18.5 | 39.5 | 5.5 | 28.5 | - | 6 | 4 | 1.5 | M3X0.5 | 11 | 2.8 | 7.3 | 6.5 | ||
| 20 | 30.5 | 5.5 | 19.5 | 40.5 | 5.5 | 29.5 | 36 | 8(S=5 6.5) | 4 | 1.5 | M4X0.7 | 15 | 2.8 | 7.5 | - | ||
| 25 | 33 | 6 | 21 | 43 | 6 | 31 | 42 | 10(S=5 7) | 4 | 2 | M5X0.8 | 17 | 2.8 | 8 | - | ||
| 32 | 38.5 | 7 | 24.5 | 48.5 | 7 | 34.5 | 50 | 12 | 4 | 3 | M6X1 | 22 | 2.8 | 9 | - | ||
| 40 | 40 | 7 | 26 | 50 | 7 | 36 | 58.5 | 12 | 4 | 3 | M8X1.25 | 28 | 2.8 | 10 | - | ||
| 50 | 46 | 9 | 28 | 56 | 9 | 38 | 71.5 | 15 | 5 | 4 | M10X1.5 | 38 | 2.8 | 10.5 | - | ||
| 63 | 50 | 9 | 32 | 60 | 9 | 42 | 84.5 | 15 | 5 | 4 | M10X1.5 | 40 | 2.8 | 9.5 | 11.8 | - | |
| 80 | 63 | 11 | 41 | 73 | 11 | 51 | 104 | 20 | 6 | 5 | M14X1.5 | 45 | 4 | 11.5 | 14.5 | - | |
| 100 | 75 | 12 | 51 | 85 | 12 | 61 | 124 | 20 | 7 | 5 | M18X1.5 | 55 | 4 | 16 | 20.5 | - | |
| 孔/标志 | O | P1 | P3 | P4 | R | S | T1 | T2 | U | V | W | X | Y |
| 12 | M5X0.8 | 双面:Φ6.5 螺纹:M5x0.8 通孔:Φ4.2 | 12 | 4.5 | - | 25 | 16.2 | 23 | 1.6 | 6 | 5 | - | - |
| 16 | M5X0.8 | 双面:Φ6.5 螺纹:M5x0.8 通孔:Φ4.2 | 12 | 4.5 | - | 29 | 19.8 | 28 | 1.6 | 6 | 5 | - | - |
| 20 | M5X0.8 | 双面:Φ6.5 螺纹:M5x0.8 通孔:Φ4.2 | 14 | 4.5 | 2 | 34 | 24 | - | 2.1 | 8 | 6 | 11.3 | 10 |
| 25 | M5X0.8 | 双面:Φ8.2 螺纹:M6x1.0 通孔:Φ4.6 | 15 | 5.5 | 2 | 40 | 28 | - | 3.1 | 10 | 8 | 12 | 10 |
| 32 | G1/8 | 双面:Φ8.2 螺纹:M6x1.0 通孔:Φ4.6 | 16 | 5.5 | 6 | 44 | 34 | - | 2.15 | 12 | 10 | 18.3 | 15 |
| 40 | G1/8 | 双面:Φ10 螺纹:M8x1.25 通孔:Φ6.5 | 20 | 7.5 | 6.5 | 52 | 40 | - | 2.25 | 16 | 14 | 21.3 | 16 |
| 50 | G1/4 | 双面:Φ11 螺纹:M8x1.25 通孔:Φ6.5 | 25 | 8.5 | 9.5 | 62 | 48 | - | 4.15 | 20 | 17 | 30 | 20 |
| 63 | G1/4 | 双面:Φ11 螺纹:M8x1.25 通孔:Φ6.5 | 25 | 8.5 | 9.5 | 75 | 60 | - | 3.15 | 20 | 17 | 28.7 | 20 |
| 80 | G3/8 | 双面:Φ14 螺纹:M12x1.75 通孔:Φ9.2 | 25 | 10.5 | 10 | 94 | 74 | - | 3.65 | 25 | 22 | 36 | 26 |
| 100 | G3/8 | 双面:Φ17.5 螺纹:M14x2 通孔:Φ11.3 | 30 | 13 | 10 | 114 | 90 | - | 3.65 | 32 | 27 | 35 | 26 |
SDAJ/SDAJS(双轴可调行程型)

| 型号 | 标准 | 带磁铁 | D | E | F | G | J | K1 | L | M | N1 | ||||||
| 孔/标志 | A | B1 | C | A | B1 | C | S≤10 | S>10 | S=5 | S>5 | |||||||
| 12 | 40 | 5 | 17 | 50 | 5 | 27 | - | 6 | 4 | 1 | 4 | M3X0.5 | 10.2 | 2.8 | 6.3 | ||
| 16 | 42.5 | 5.5 | 18.5 | 52.5 | 5.5 | 28.5 | - | 6 | 4 | 1.5 | 4 | M3X0.5 | 11 | 2.8 | 7.3 | ||
| 20 | 47.5 | 5.5 | 19.5 | 57.5 | 5.5 | 29.5 | 36 | 8(S=5 6.5) | 4 | 1.5 | 5 | M4X0.7 | 15 | 2.8 | 7.5 | ||
| 25 | 55 | 6 | 21 | 65 | 6 | 31 | 42 | 10(5 7) | 4 | 2 | 6 | M5X0.8 | 17 | 2.8 | 8 | ||
| 32 | 61.5 | 7 | 24.5 | 71.5 | 7 | 34.5 | 50 | 8 | 12 | 4 | 3 | 6 | M6X1 | 22 | 2.8 | 9 | |
| 40 | 65 | 7 | 26 | 75 | 7 | 36 | 58.5 | 8 | 12 | 4 | 3 | 8 | M8X1.25 | 28 | 2.8 | 10 | |
| 50 | 73 | 9 | 28 | 83 | 9 | 38 | 71.5 | 8 | 15 | 5 | 4 | 11 | M10X1.5 | 38 | 2.8 | 10.5 | |
| 63 | 77 | 9 | 32 | 87 | 9 | 42 | 84.5 | 10 | 15 | 5 | 4 | 11 | M10X1.5 | 40 | 2.8 | 9.5 | 11.8 |
| 80 | 94 | 11 | 41 | 104 | 11 | 51 | 104 | 13 | 20 | 6 | 5 | 13 | M14X1.5 | 45 | 4 | 11.5 | 14.5 |
| 100 | 105 | 12 | 51 | 115 | 12 | 61 | 124 | 18 | 20 | 7 | 5 | 13 | M18X1.5 | 55 | 4 | 16 | 20.5 |
| 孔/标志 | N3 | O | P1 | P3 | P4 | Q | R | S | T1 | T2 | U | V | W | X | Y |
| 12 | 6 | M5X0.8 | 双面:Φ6.5 螺纹:M5x0.8 通孔:Φ4.2 | 12 | 4.5 | 13 | - | 25 | 16.2 | 23 | 1.6 | 6 | 5 | - | - |
| 16 | 6.5 | M5X0.8 | 双面:Φ6.5 螺纹:M5x0.8 通孔:Φ4.2 | 12 | 4.5 | 13 | - | 29 | 19.8 | 28 | 1.6 | 6 | 5 | - | - |
| 20 | - | M5X0.8 | 双面:Φ6.5 螺纹:M5x0.8 通孔:Φ4.2 | 14 | 4.5 | 16 | 2 | 34 | 24 | - | 2.1 | 8 | 6 | 11.3 | 10 |
| 25 | - | M5X0.8 | 双面:Φ8.2 螺纹:M6x1.0 通孔:Φ4.6 | 15 | 5.5 | 19 | 2 | 40 | 28 | - | 3.1 | 10 | 8 | 12 | 10 |
| 32 | - | G1/8 | 双面:Φ8.2 螺纹:M6x1.0 通孔:Φ4.6 | 16 | 5.5 | 21 | 6 | 44 | 34 | - | 2.15 | 12 | 10 | 18.3 | 15 |
| 40 | - | G1/8 | 双面:Φ10 螺纹:M8x1.25 通孔:Φ6.5 | 20 | 7.5 | 21 | 6.5 | 52 | 40 | - | 2.25 | 16 | 14 | 21.3 | 16 |
| 50 | - | G1/4 | 双面:Φ11 螺纹:M8x1.25 通孔:Φ6.5 | 25 | 8.5 | 21 | 9.5 | 62 | 48 | - | 4.15 | 20 | 17 | 30 | 20 |
| 63 | - | G1/4 | 双面:Φ11 螺纹:M8x1.25 通孔:Φ6.5 | 25 | 8.5 | 32 | 9.5 | 75 | 60 | - | 3.15 | 20 | 17 | 28.7 | 20 |
| 80 | - | G3/8 | 双面:Φ14 螺纹:M12x1.75 通孔:Φ9.2 | 25 | 10.5 | 24 | 10 | 94 | 74 | - | 3.65 | 25 | 22 | 36 | 26 |
| 100 | - | G3/8 | 双面:Φ17.5 螺纹:M14x2 通孔:Φ11.3 | 30 | 13 | 24 | 10 | 114 | 90 | - | 3.65 | 32 | 27 | 35 | 26 |