集成杆锁机构:气缸具有内置的故障安全制动器(杆锁),当气压丢失或系统断电时,该制动器会自动接合以保持负载。这对于预防事故和保护设备至关重要。
手动释放功能:配备手动超控释放机构,可在维护、故障排除或断电情况下安全、受控地解锁活塞杆。
专为垂直应用而设计:主要针对重力可能导致活塞杆意外下降的垂直安装方向而设计,确保稳定、安全的操作。
双作用气缸操作:为伸出和缩回行程提供标准的受控线性力,同时锁定机构充当独立的安全功能。
高可靠性和耐用性:采用坚固的材料制成,确保锁定机构在气缸的较长使用寿命内始终如一地发挥作用,即使在苛刻的工业环境中也是如此。
订购代码

规格
| 缸径(毫米) | 32 | 40 | 50 | 63 | 80 | 100 | 125 | ||
| 结构设计 | 活塞/活塞杆/型材筒 | ||||||||
| 动作类型 | 双作用 | ||||||||
| 气动连接 | G1/8 | G1/4 | G1/4 | G3/8 | G3/8 | G1/2 | G1/2 | ||
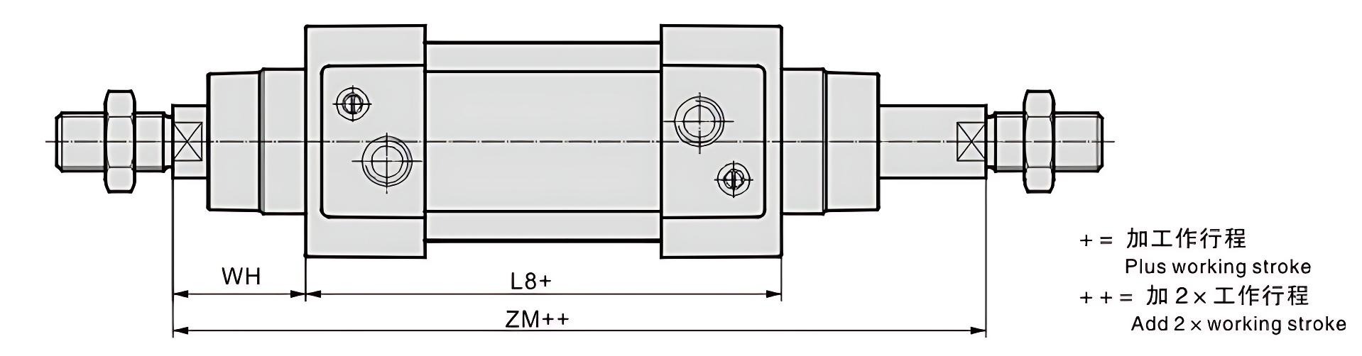
| 行程 | DSBG-...[毫米] | 1...2800 | |||||||
| DSBG-...-Q[毫米] | 1...1500- | - | |||||||
| DSBG-...-L1[毫米] | 10...1000 | ||||||||
| DSBG-...-P2[毫米] | 10...500- | - | |||||||
| DSBG-...-...E[毫米] | 1...2000 | ||||||||
| DSBG-...-...L[毫米] | 1...2000 | ||||||||
| 缓冲 | DSBG-...-P | 两端有弹性垫 | |||||||
| DSBG-...-PPV | 两端可调节气动缓冲 | ||||||||
| DSBG-...PPS | 两端自调节气动缓冲 | ||||||||
| 缓冲长度 | DSBG-...-PPV[毫米] | 17 | 19 | 22 | 22 | 31 | 31 | 45 | |
| 位置传感 | 通过接近开关感应 | ||||||||
| 安装类型 | 通过内螺纹/附件 | ||||||||
| 安装位置 | 随意的 | ||||||||
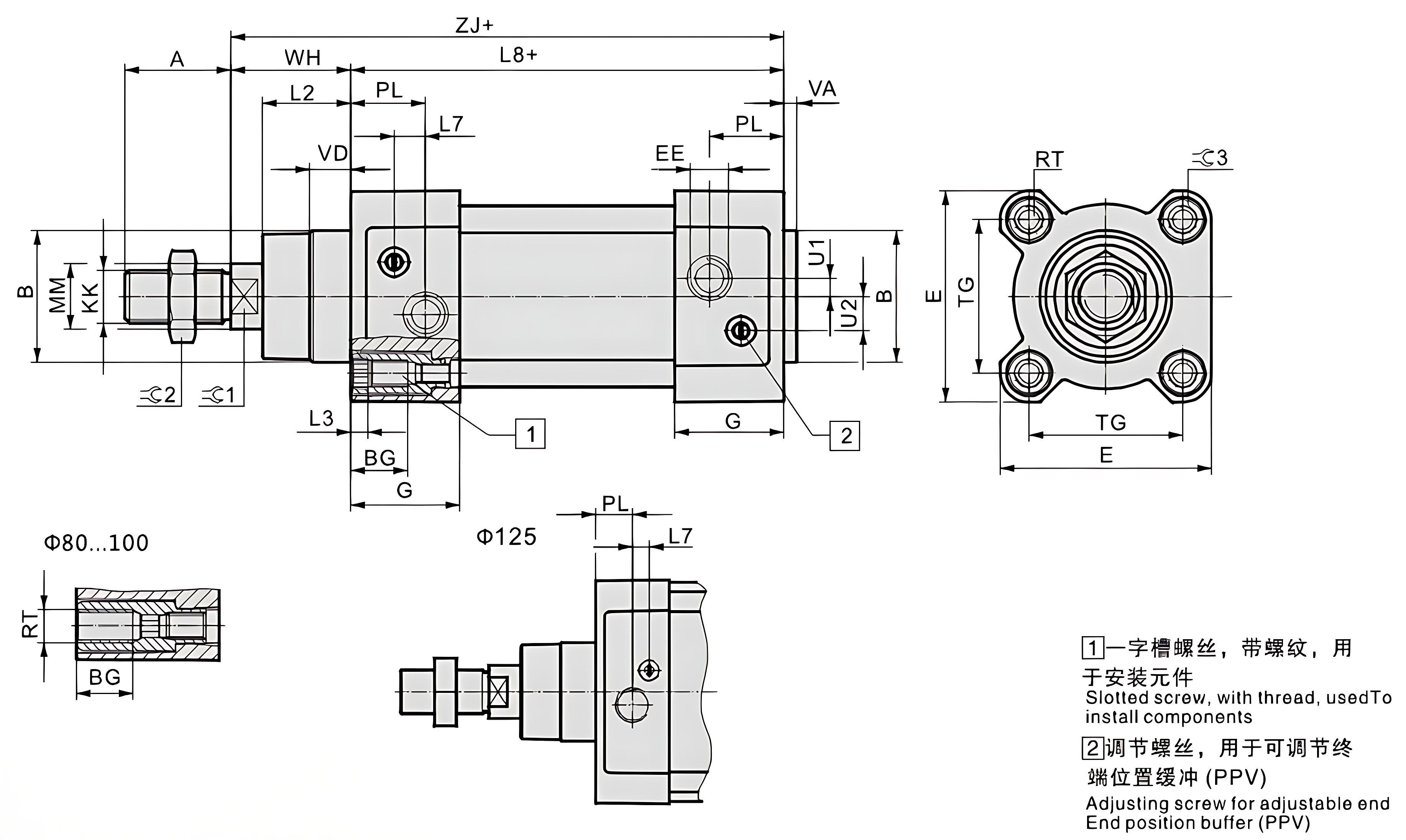
外形尺寸及结构


| Φ(毫米) | A -0.5 | B Φ d11 | BG 最小 | E +0.5 | EE | G -0.2 | U2 ±0.1 | U1 ±0.1 | KK | L2 | L3 最大 | L7 ±0.4 | L8 |
| 32 | 22 | 30 | 16 | 45 | G1/8 | 28 | 5.7 | 5.25 | M10x1.25 | 18-0.2 | 5 | 6.5 | 94 |
| 40 | 24 | 35 | 16 | 54 | G1/4 | 33 | 8 | 4 | M12x1.25 | 21.3-0.2 | 5 | 7.5 | 105 |
| 50 | 32 | 40 | 16 | 64 | G1/4 | 33 | 104 | 5.5 | M16x1.5 | 26.8-0.2 | 5 | 7.5 | 105 |
| 63 | 32 | 45 | 16 | 75 | G3/8 | 40.5 | 12.75 | 6.25 | M16x1.5 | 27-0.2 | 5 | 9 | 121 |
| 80 | 40 | 45 | 17 | 93 | G3/8 | 43 | 12.5 | 8 | M20x1.5 | 34.2-0.2 | - | 11 | 128 |
| 100 | 40 | 55 | 17 | 110 | G1/2 | 48 | 13.5 | 10 | M20x1.5 | 38-0.2 | - | 7.5 | 138 |
| 125 | 54 | 60 | 20 | 136 | G1/2 | 44.7 | 13 | 8 | M27×2 | 45-0.3 | - | 10 | 160 |
| Φ(毫米) | MM Φ | PL ±0.1 | RT | TG ±0.3 | VA | VD +0.5 | WH +2.2 | ZJ +1.8 | ZM +1 | |||
| 32 | 12 | 19.5 | M6 | 32.5 | 4-0.2 | 10 | 25 | 119.1 | 146.1 | 10 | 16 | 6 |
| 40 | 16 | 22.5 | M6 | 38 | 4-0.2 | 10.5 | 28.7 | 133.9 | 164.8 | 13 | 18 | 6 |
| 50 | 20 | 22.5 | M8 | 46.5 | 4-0.2 | 11.5 | 35.6 | 141.8 | 179.8 | 17 | 24 | 8 |
| 63 | 20 | 27.5 | M8 | 56.5 | 4-0.2 | 15 | 35.9 | 157.1 | 195.4 | 17 | 24 | 8 |
| 80 | 25 | 30 | M10 | 72 | 4-0.2 | 15.7 | 45.4 | 173.6 | 221 | 22 | 30 | 6 |
| 100 | 25 | 31.5 | M10 | 89 | 4-0.2 | 19.2 | 49.3 | 187.5 | 238.8 | 22 | 30 | 6 |
| 125 | 32 | 22.5 | M12 | 110 | 6-0.3 | 20.5 | 64.1 | 225 | 290 | 27 | 41 | 8 |