1. 用于气动管路系统的快速气动管接头。
2. 多种管接头型号,满足您对气动管系统的所有需求
3. 即使安装后,也可以自由改变管子的方向。
4. 镀镍金属机身确保防腐、防污染。
5. 所有R和NPT螺纹均预涂密封剂。
6. 所有圆柱螺纹均标配O型圈密封件。
订购代码


规格
异形T 型接管:Y-KQ2T


| 适用管道外径 (毫米) | ΦD1 | ΦD2 | L1 | L2 | L3 | M1 | M2 | Q1 | Q2 | ΦO | ΦN | 重量 (克) | |
| a | b | ||||||||||||
| Φ3.2 | Φ4 | 8.8 | 7.4 | 15 | 15.3 | 18.5 | 13.3 | 13.3 | 5.4 | 5.8 | 6 | 3.2 | 5.1 |
| Φ4 | Φ6 | 10.7 | 8.8 | 15.2 | 16.2 | 19.3 | 13.3 | 13.3 | 5.7 | 6.8 | 6 | 3.2 | 6.5 |
| Φ6 | Φ8 | 13.6 | 10.7 | 16.9 | 17.3 | 22.3 | 14.2 | 13.3 | 7.3 | 8.4 | 8 | 4.2 | 5.3 |
| Φ8 | Φ10 | 16.2 | 13.6 | 20.1 | 19.1 | 26.9 | 15.6 | 14.2 | 8.4 | 9.6 | 8 | 4.2 | 8.3 |
| Φ10 | Φ12 | 19 | 16.2 | 22.1 | 21.6 | 30.2 | 17 | 15.6 | 9.6 | 10.7 | 8 | 4.2 | 12.2 |
| Φ12 | Φ16 | 23.8 | 19 | 26.6 | 25 | 35.9 | 20.6 | 17 | 10.7 | 13.4 | 8 | 4.2 | 20.1 |
异径T型接管:Y-KQ2T


| 适用管道外径 (毫米) | ΦD1 | ΦD2 | L1 | L2 | L3 | M1 | M2 | Q1 | Q2 | ΦO | ΦN | 重量 (克) | |
| a | b | ||||||||||||
| Φ6 | Φ4 | 10.7 | 10.7 | 16.2 | 16.2 | 21.5 | 13.3 | 13.3 | 6.8 | 5.7 | 6 | 3.2 | 3.5 |
| Φ8 | Φ6 | 13.6 | 13.6 | 18.1 | 18.1 | 23.8 | 13.3 | 14.2 | 8.4 | 7.3 | 8 | 4.2 | 6 |
| Φ10 | Φ8 | 16.2 | 16.2 | 20.7 | 20.7 | 28.7 | 14.2 | 15.6 | 9.6 | 8.4 | 8 | 4.2 | 9.5 |
| Φ12 | Φ10 | 19 | 19 | 23 | 23 | 32.7 | 15.6 | 17 | 10.7 | 9.6 | 8 | 4.2 | 13.4 |
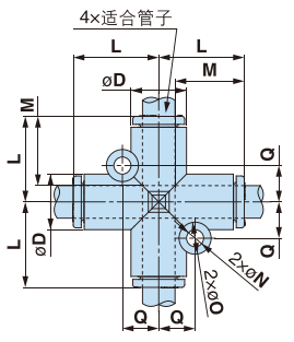
十字形接管:Y-KQ2TW


| 适用管道外径 (毫米) | ΦD | L | Q | M | ΦO | ΦN | 重量 (克) |
| Φ4 | 8.8 | 15.2 | 5.7 | 13.3 | 6 | 3.2 | 3.5 |
| Φ6 | 10.7 | 16.1 | 6.8 | 13.3 | 6 | 3.2 | 4.9 |
| Φ8 | 13.6 | 18.1 | 8.4 | 14.2 | 8 | 4.2 | 8.5 |
| Φ10 | 16.2 | 20.9 | 9.6 | 15.6 | 8 | 4.2 | 12.7 |
| Φ12 | 19 | 23.2 | 10.7 | 17 | 8 | 4.2 | 18.4 |
异径十字形接管:Y-KQ2TX


| 适用管道外径 (毫米) | ΦD1 | ΦD2 | L1 | L2 | Q | M1 | M2 | ΦO | ΦN | 重量 (克) | |
| a | b | ||||||||||
| Φ6 | Φ8 | 13.6 | 13.6 | 18.1 | 18.1 | 8.4 | 13.3 | 14.2 | 8 | 4.2 | 7.1 |
| Φ8 | Φ10 | 16.2 | 16.2 | 20.9 | 20.9 | 9.6 | 14.2 | 15.6 | 8 | 4.2 | 10.9 |
| Φ10 | Φ12 | 19 | 19 | 23.2 | 23.2 | 10.7 | 15.6 | 17 | 8 | 4.2 | 15.9 |
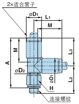
辅助用T型接头:Y-KQ2Y(密封垫片)


| 适用管道外径 (毫米) | 连接螺纹 (R) | H (六边形的对边) | ΦD1 | ΦD2 | L1 | L2 | L3 | A | M | 重量 (克) |
| Φ2 | M3x0.5 | 5.5 | 6.1 | 5.5 | 12.9 | 12.5 | 12.9 | 22.9 | 11.9 | 2 |
| M5x0.8 | 7 | 6.1 | 5.5 | 12.9 | 13 | 12.9 | 23.4 | 11.9 | 3.1 | |
| Φ3.2 | M3x0.5 | 7 | 7.4 | 7 | 15.3 | 13.8 | 15.3 | 26.6 | 13.3 | 3.1 |
| M5x0.8 | 7 | 7.4 | 7 | 15.3 | 14.3 | 15.3 | 26.6 | 13.3 | 3.5 | |
| Φ4 | M3x0.5 | 7 | 8.8 | 7 | 15.3 | 14.3 | 15.3 | 27.3 | 13.3 | 3.4 |
| M5x0.8 | 7 | 8.8 | 7 | 15.3 | 15 | 15.3 | 27.3 | 13.3 | 3.9 | |
| M6x1.0 | 8 | 8.8 | 7 | 15.3 | 16 | 15.3 | 27.3 | 13.3 | 4.9 | |
| Φ6 | M5x0.8 | 7 | 10.7 | 7 | 16.3 | 16.7 | 16.3 | 30 | 13.3 | 4.6 |
| M6x1.0 | 8 | 10.7 | 7 | 16.3 | 16.7 | 16.3 | 30 | 13.3 | 5.7 |
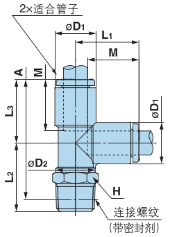
辅助用T型接头:Y-KQ2Y(密封胶)


| 适用管道外径 (毫米) | 连接螺纹 (R) | H (六边形的对边) | ΦD1 | ΦD2 | L1 | L2 | L3 | A | M | 重量 (克) |
| Φ3.2 | 1/8 | 10 | 7.4 | 10 | 14.9 | 16.6 | 14.9 | 28.5 | 13.3 | 5.3 |
| 1/4 | 14 | 7.4 | 10 | 14.9 | 20.8 | 14.9 | 31.4 | 13.3 | 14.7 | |
| Φ4 | 1/8 | 10 | 8.8 | 10 | 15.3 | 16.3 | 15.3 | 28.4 | 13.3 | 5.6 |
| 1/4 | 14 | 8.8 | 10 | 15.3 | 20.5 | 15.3 | 32.3 | 13.3 | 15 | |
| Φ6 | 1/8 | 10 | 10.7 | 10 | 16.3 | 18 | 16.3 | 30.5 | 13.3 | 6.2 |
| 1/4 | 14 | 10.7 | 10 | 16.3 | 22.2 | 16.3 | 34.4 | 13.3 | 15.8 | |
| 3/8 | 17 | 10.7 | 10 | 16.3 | 23.7 | 16.3 | 35.3 | 13.3 | 27.5 | |
| Φ8 | 1/8 | 10 | 13.6 | 10 | 18.3 | 18.5 | 18.3 | 33.8 | 14.2 | 8 |
| 1/4 | 14 | 13.6 | 12 | 18.3 | 25.1 | 18.3 | 38.9 | 14.2 | 19.5 | |
| 3/8 | 17 | 13.6 | 12 | 18.3 | 25.6 | 18.3 | 38.6 | 14.2 | 26.5 | |
| Φ10 | 1/8 | 12 | 16.2 | 12 | 21.1 | 23.9 | 20.6 | 41.1 | 15.6 | 14 |
| 1/4 | 17 | 16.2 | 17 | 20.6 | 28.6 | 20.6 | 44.6 | 15.6 | 24.5 | |
| 3/8 | 17 | 16.2 | 17 | 20.6 | 29.5 | 20.6 | 45.1 | 15.6 | 25 | |
| 1/2 | 22 | 16.2 | 17 | 20.6 | 32.9 | 20.6 | 47.8 | 15.6 | 47.4 | |
| Φ12 | 1/4 | 17 | 19 | 17 | 23.1 | 30.1 | 23.1 | 48.3 | 17 | 27.6 |
| 3/8 | 17 | 19 | 17 | 23.1 | 31 | 23.1 | 48.8 | 17 | 28.2 | |
| 1/2 | 22 | 19 | 17 | 23.1 | 34.4 | 23.1 | 51.5 | 17 | 50.7 | |
| Φ16 | 1/4 | 17 | 23.8 | 17 | 28.6 | 32.6 | 28.6 | 56.5 | 20.6 | 36 |
| 3/8 | 22 | 23.8 | 21 | 28.6 | 35.4 | 28.6 | 58.9 | 20.6 | 48.3 | |
| 1/2 | 22 | 23.8 | 21 | 28.6 | 34.1 | 28.6 | 56.3 | 20.6 | 52 |