1. 用于气动管路系统的快速气动管接头。
2. 多种管接头型号,满足您对气动管系统的所有需求。
3. 即使安装后,也可以自由改变管子的方向。
4. 镀镍金属机身确保防腐、防污染。
5. 所有R和NPT螺纹均预涂密封剂。
6. 所有圆柱螺纹均标配O型圈密封件。
订购代码


规格
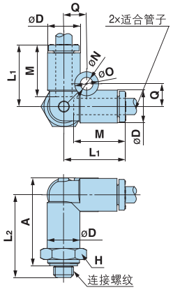
两管垂直接头:Y-KQ2D(密封垫片)


| 适用管道外径 (毫米) | 连接螺纹 (M) | H (六边形的对边) | ΦD | L1 | L2 | A | M | Q | ΦO | ΦN | 重量 (克) |
| Φ4 | M5x0.8 | 10 | 8.8 | 15.7 | 20.9 | 22.3 | 13.3 | 5.7 | 6 | 3.2 | 6.6 |
| M6x1.0 | 10 | 8.8 | 15.7 | 21.9 | 22.3 | 13.3 | 5.7 | 6 | 3.2 | 6.4 | |
| Φ6 | M5x0.8 | 12 | 10.7 | 16.7 | 22.4 | 24.8 | 13.3 | 6.7 | 6 | 3.2 | 9.8 |
| M6x1.0 | 12 | 10.7 | 16.7 | 23.4 | 24.8 | 13.3 | 6.7 | 6 | 3.2 | 9.7 |
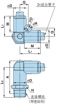
两管垂直接头:Y-KQ2D (密封胶)


| 适用管道外径 (毫米) | 连接螺纹 (R) | H (六边形的对边) | ΦD1 | L1 | L2 | A | M | Q | ΦO | ΦN | 重量 (克) |
| Φ4 | 1/8 | 10 | 8.8 | 15.7 | 23.9 | 24.3 | 13.3 | 5.7 | 6 | 3.2 | 9.2 |
| 1/4 | 14 | 8.8 | 15.7 | 28.3 | 27.1 | 13.3 | 5.7 | 6 | 3.2 | 19 | |
| Φ6 | 1/8 | 12 | 10.7 | 16.7 | 25.2 | 26.4 | 13.3 | 6.7 | 6 | 3.2 | 10.2 |
| 1/4 | 14 | 10.7 | 16.7 | 28.9 | 29.2 | 13.3 | 6.7 | 6 | 3.2 | 19.1 | |
| 3/8 | 17 | 10.7 | 16.7 | 30.4 | 30.2 | 13.3 | 6.7 | 6 | 3.2 | 31 | |
| Φ8 | 1/8 | 14 | 13.6 | 18.7 | 27.3 | 29.8 | 14.2 | 8.4 | 8 | 4.2 | 15.3 |
| 1/4 | 14 | 13.6 | 18.7 | 30.5 | 32.6 | 14.2 | 8.4 | 8 | 4.2 | 20.4 | |
| 3/8 | 17 | 13.6 | 18.7 | 32.4 | 33.6 | 14.2 | 8.4 | 8 | 4.2 | 32.1 | |
| Φ10 | 1/4 | 17 | 16.2 | 21.4 | 33.8 | 36.3 | 15.6 | 9.6 | 8 | 4.2 | 24.9 |
| 3/8 | 17 | 16.2 | 21.4 | 34.6 | 37.3 | 15.6 | 9.6 | 8 | 4.2 | 24.9 | |
| 1/2 | 22 | 16.2 | 21.4 | 38.8 | 40.2 | 15.6 | 9.6 | 8 | 4.2 | 60.6 | |
| Φ12 | 1/4 | 19 | 19 | 23.6 | 36 | 40 | 17 | 10.7 | 8 | 4.2 | 35 |
| 3/8 | 19 | 19 | 23.6 | 36.8 | 41 | 17 | 10.7 | 8 | 4.2 | 38 | |
| 1/2 | 22 | 19 | 23.6 | 41 | 43.9 | 17 | 10.7 | 8 | 4.2 | 60 |
两管垂直接管:Y-KQ2D


| 适用管道外径 (毫米) | ΦD | L | M | Q | ΦO | ΦN | 重量 (克) |
| Φ4 | 8.8 | 15.7 | 13.3 | 5.7 | 6 | 3.2 | 2.7 |
| Φ6 | 10.7 | 16.7 | 13.3 | 6.7 | 6 | 3.2 | 3.8 |
| Φ8 | 13.6 | 18.7 | 14.2 | 8.4 | 8 | 4.2 | 6.8 |
| Φ10 | 16.2 | 21.4 | 15.6 | 9.6 | 8 | 4.2 | 10.3 |
| Φ12 | 19 | 23.6 | 17 | 10.7 | 8 | 4.2 | 15.2 |
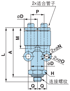
Y型接头:Y-KQ2U(密封垫片)


| 适用管道外径 (毫米) | 连接螺纹 (M) | H (六边形的对边) | ΦD | L | A | M | P | Q | ΦO | ΦN | 重量 (克) |
| Φ3.2 | M5x0.8 | 10 | 7.4 | 33.8 | 30.8 | 13.3 | 7.4 | 5.2 | 6 | 3.2 | 5.8 |
| Φ6 | M5x0.8 | 10 | 8.8 | 33.9 | 30.9 | 13.3 | 8.8 | 5.7 | 6 | 3.2 | 6.7 |
| M6x1.0 | 10 | 8.8 | 34.9 | 30.9 | 3.3 | 8.8 | 5.7 | 6 | 3.2 | 6.6 | |
| Φ6 | M5x0.8 | 12 | 10.7 | 35 | 32 | 13.3 | 10.7 | 6.8 | 6 | 3.2 | 10 |
| M6x1.0 | 12 | 10.7 | 36 | 32 | 13.3 | 10.7 | 6.8 | 6 | 3.2 | 9.8 |
Y型接头:Y-KQ2U(密封)


| 适用管道外径 (毫米) | 连接螺纹 (R) | H (六边形的对边) | ΦD | L | A | M | P | Q | ΦO | ΦN | 重量 (克) |
| Φ3.2 | 1/8 | 10 | 7.4 | 36.4 | 33.3 | 13.3 | 7.4 | 5.2 | 6 | 3.2 | 8.6 |
| 1/4 | 14 | 7.4 | 40.8 | 36.1 | 13.3 | 7.4 | 5.2 | 6 | 3.2 | 19 | |
| Φ4 | 1/8 | 10 | 8.8 | 36.5 | 33.4 | 13.3 | 8.8 | 5.7 | 6 | 3.2 | 9.3 |
| 1/4 | 14 | 8.8 | 41.3 | 36.2 | 13.3 | 8.8 | 5.7 | 6 | 3.2 | 19.1 | |
| Φ6 | 1/8 | 12 | 10.7 | 38.3 | 34.5 | 13.3 | 10.7 | 6.8 | 6 | 3.2 | 10.3 |
| 1/4 | 14 | 10.7 | 42 | 37.3 | 13.3 | 10.7 | 6.8 | 6 | 3.2 | 19.2 | |
| 3/8 | 17 | 10.7 | 43.5 | 38.3 | 13.3 | 10.7 | 6.8 | 6 | 3.2 | 31.2 | |
| Φ8 | 1/8 | 14 | 13.6 | 41.5 | 37.6 | 14.2 | 13.6 | 8.7 | 8 | 4.2 | 15.8 |
| 1/4 | 14 | 13.6 | 44.7 | 40.4 | 14.2 | 13.6 | 8.7 | 8 | 4.2 | 20.9 | |
| 3/8 | 17 | 13.6 | 46.6 | 41.4 | 14.2 | 13.6 | 8.7 | 8 | 4.2 | 32.7 | |
| Φ10 | 1/4 | 17 | 16.2 | 49.6 | 44.3 | 15.6 | 16.2 | 10.1 | 8 | 4.2 | 25.6 |
| 3/8 | 17 | 16.2 | 50.4 | 45.3 | 15.6 | 16.2 | 10.1 | 8 | 4.2 | 33.4 | |
| 1/2 | 22 | 16.2 | 54.6 | 48.2 | 15.6 | 16.2 | 10.1 | 8 | 4.2 | 61.3 | |
| Φ12 | 1/4 | 19 | 19 | 53.6 | 48.3 | 17 | 19 | 11.4 | 8 | 4.2 | 36 |
| 3/8 | 19 | 19 | 54.4 | 49.3 | 17 | 19 | 11.4 | 8 | 4.2 | 38.9 | |
| 1/2 | 22 | 19 | 58.6 | 52.2 | 17 | 19 | 11.4 | 8 | 4.2 | 61 | |
| Φ16 | 1/4 | 24 | 23.8 | 62.4 | 57.7 | 20.6 | 23.8 | 14 | 8 | 4.2 | 67.6 |
| 3/8 | 24 | 23.8 | 63.8 | 58.7 | 20.6 | 23.8 | 14 | 8 | 4.2 | 71.5 | |
| 1/2 | 24 | 23.8 | 68 | 61.6 | 20.6 | 23.8 | 14 | 8 | 4.2 | 82.6 |
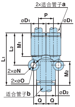
异径Y形接管:Y-KQ2U


| 适用管道外径 (毫米) | ΦD1 | ΦD2 | L1 | L2 | P | M1 | M2 | Q | ΦO | ΦN | 重量 (克) | |
| a | b | 6.1 | 7.4 | 28.2 | 16.6 | 5.8 | 11.96 | 13.3 | 5.2 | 6 | 3.2 | 1.9 |
| Φ2 | Φ3.2 | 6.1 | 8.8 | 27.6 | 15.7 | 5.8 | 11.9 | 13.3 | 5.7 | 6 | 3.2 | 2.1 |
| Φ2 | Φ4 | 7.4 | 8.8 | 28.9 | 17.8 | 7.1 | 13.3 | 13.3 | 5.7 | 6 | 3.2 | 5.3 |
| Φ3.2 | Φ4 | 8.8 | 10.7 | 29 | 17.8 | 8.2 | 13.3 | 13.3 | 6.8 | 6 | 3.2 | 6.6 |
| Φ4 | Φ6 | 10.7 | 13.6 | 31 | 19.3 | 10.4 | 13.3 | 14.2 | 8.2 | 6 | 3.2 | 5 |
| Φ6 | Φ8 | 13.6 | 16.2 | 34.6 | 21.7 | 13.2 | 14.2 | 15.6 | 10.1 | 8 | 4.2 | 8.6 |
| Φ8 | Φ10 | 13.6 | 16.2 | 34.6 | 21.7 | 13.2 | 14.2 | 15.6 | 10.1 | 8 | 4.2 | 8.6 |
| Φ10 | Φ12 | 16.2 | 19 | 38.5 | 24.8 | 15.9 | 15.6 | 17 | 11.4 | 8 | 4.2 | 12.7 |
| Φ12 | Φ16 | 19 | 23.8 | 47.9 | 31 | 18.5 | 17 | 20.6 | 14 | 8 | 4.2 | 21.2 |