内置角度调节装置: 该系列带有角度调节机构,可以在一定范围内微调摆动角度,例如许多型号为0至190度 。这为各种应用需求提供了灵活性。
高精度和刚性: 双齿条和小齿轮设计确保高扭矩输出、良好的刚性,并有助于最大限度地减少齿隙,有助于精确和可重复的定位。
多种缓冲选项: 为了确保平稳运行并在行程结束时吸收能量,MSQ 系列提供了多种缓冲选项。其中包括内置液压减震器和带外部缓冲器的型号(MSQ□L 和 MSQ□H 系列),适用于更高能量的应用。
紧凑、轻量化: 设计注重节省空间和减轻重量,一些较新的版本与之前的型号相比,整体高度减少了 28%,质量减少了 28%。
位置传感功能: 许多型号在活塞中配备了内置磁铁,可以使用磁性开关进行位置检测并将其反馈到控制系统中。
订购代码

规格
| 缸径(毫米) | 10 | 20 | 30 | 50 | 70 | 100 | 200 | |
| 工作介质 | 洁净空气(40微米过滤) | |||||||
| 工作压力范围 | A带可调角度螺丝:0.1~1.0Mpa,B带减震器:0.1~0.6Mpa | |||||||
| 缓冲类型 | 缓冲橡胶垫(标配)/减震器(选配) | |||||||
| 允许功率 | 带可调角度螺丝 | 0.007J | 0.025J | 0.048J | 0.081J | 0.24J | 0.32J | 0.56J |
| 带减震器 | 0.039J | 0.116J | 0.294J | 1.1J | 1.6J | 2.9J | ||
| 角度可调范围 | 0~190° | |||||||
| 稳定摆动时间范围 | A 0.2~1.0S/90° | 0.2~1.5S/90° | 0.2~2.0S/90° | 0.2~2.5S/90° | ||||
| B 0.2~0.7S/90° | 0.2~1.0S/90° | |||||||
| 活塞直径 | Ф15 | Ф18 | Ф21 | Ф25 | Ф28 | Ф32 | Ф40 | |
| 接口尺寸 | M5x0.8 | G1/8 | ||||||
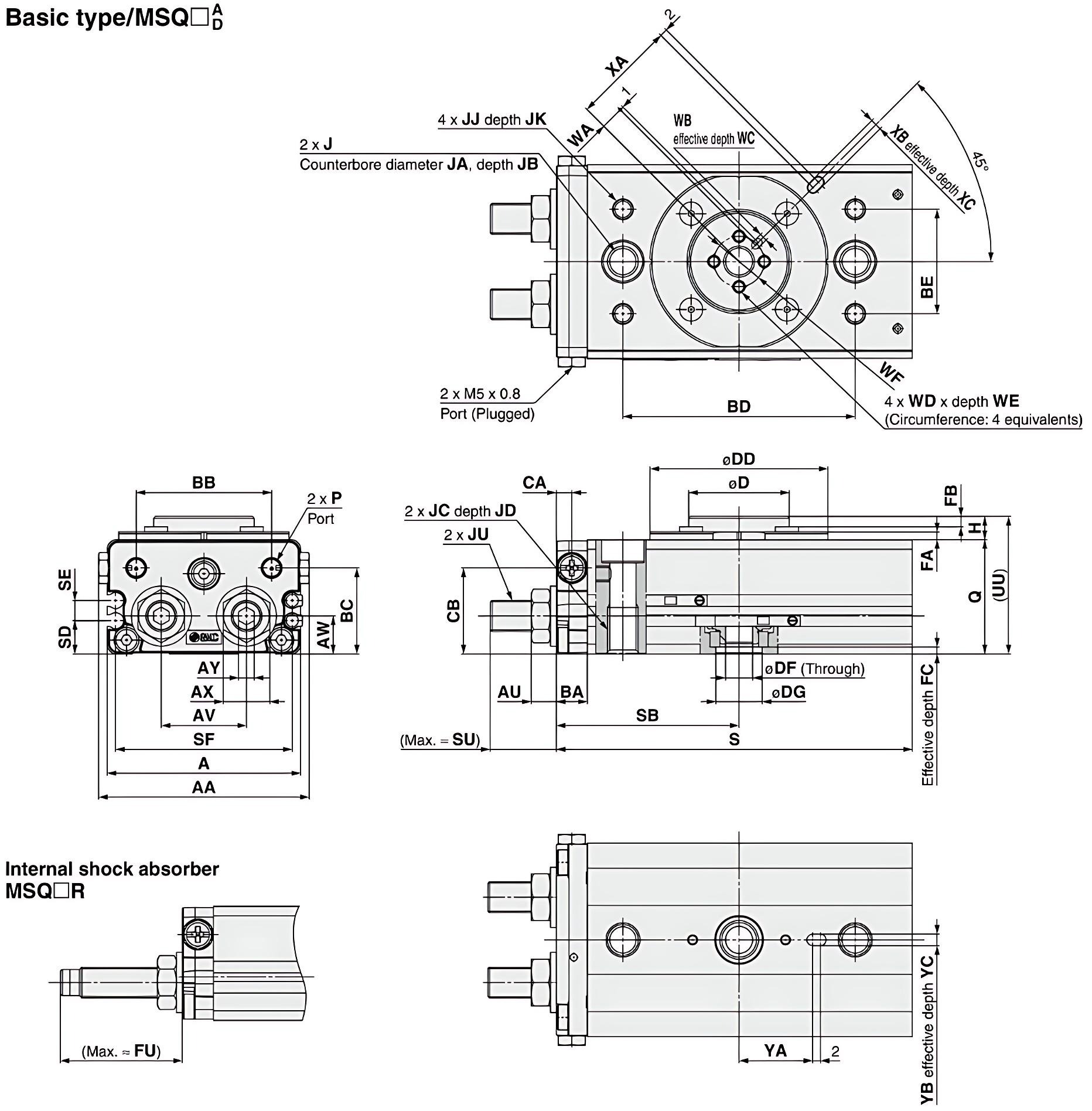
外形尺寸及结构

| 尺寸(毫米) | AA | A | AU | AV | AW | AX | AY | BA | BB | BC | BD | BE | CA | CB | D | DD | DF | DG | FA | FB | FC | FU | H | J | JA | JB | JC | JD |
| 10 | 54.4 | 50 | 6.6 | 22 | 9.8 | 12 | 4 | 8 | 35 | 22.2 | 60 | 27 | 4 | 22.2 | 26(h9) | 46(h9) | 7 | 12H9 | 2 | 2.7 | 1.3 | 32 | 6 | 6.8 | 11 | 6 | M8x1.25 | 12 |
| 20 | 69.4 | 65 | 7.6 | 30 | 11.1 | 14 | 5 | 10 | 50.2 | 23.6 | 76 | 34 | 5 | 23.6 | 36(h9) | 61(h9) | 12 | 20H9 | 4 | 2.5 | 1.3 | 36 | 8 | 8.6 | 14 | 8.5 | M10x1.5 | 15 |
| 30 | 74.4 | 70 | 7.6 | 36.5 | 13.8 | 14 | 5 | 12 | 49 | 30 | 84 | 37 | 6 | 31 | 41(h9) | 67(h9) | 13 | 20H9 | 4 | 2.5 | 2.3 | 34 | 8 | 8.6 | 14 | 8.5 | M10x1.5 | 15 |
| 50 | 84. | 80 | 10 | 42 | 17.5 | 19 | 6 | 12 | 62 | 35 | 100 | 50 | 6 | 35 | 46(h9) | 77(h9) | 14 | 21H9 | 4.5 | 2.5 | 2.7 | 54 | 8.5 | 10.5 | 18 | 10.5 | M12x1.75 | 18 |
| 尺寸(毫米) | JJ | JK | JU | P | Q | S | SB | SD | SE | SF | S*1 | UU | WA | WB | WC | WD | WE | WF | XA | XB | XC | XA | YB | YC |
| 10 | M5x0.8 | 6 | M8×1 | M5x0.8 | 29.5 | 92 | 47.2 | 8.6 | 5.2 | 45.6 | 18 | 35.5 | 6 | 2H9 | 2.5 | M3x0.5 | 5 | 13 | 27 | 3H9 | 3.5 | 19 | 3H9 | 3.5 |
| 20 | M6×1 | 6 | M10×1 | M5x0.8 | 31 | 117 | 59.9 | 10.1 | 5.2 | 59.4 | 26 | 39 | 9.5 | 3H9 | 3.5 | M4x0.7 | 7 | 20 | 36 | 4H9 | 4.5 | 24 | 4H9 | 4.5 |
| 30 | M6×1 | 6 | M10×1 | RC1/8*2 | 38 | 127 | 65.3 | 10.3 | 14 | 65 | 24 | 46 | 10.5 | 4H9 | 3.5 | M5x0.8 | 9 | 22 | 39 | 4H9 | 4.5 | 28 | 4H9 | 4.5 |
| 50 | M8x1.25 | 8 | M14x1.5 | RC1/8*2 | 43 | 152 | 77.7 | 11.3 | 16 | 75 | 34 | 51.5 | 11.5 | 4H9 | 3.5 | M6×1 | 10 | 24 | 45 | 5H9 | 5.5 | 33 | 5H9 | 5.5 |
*1 SU尺寸不是发货时的尺寸,因为它的尺寸是调整部件的尺寸。
*2 除Rc1/8外,还有G1/8、NPT1/8、NPTF1/8。