1. 用于气动管路系统的快速气动管接头。
2. 多种管接头型号,满足您对气动管系统的所有需求
3. 即使安装后,也可以自由改变管子的方向。
4. 镀镍金属机身确保防腐、防污染。
5. 所有R和NPT螺纹均预涂密封剂。
6. 所有圆柱螺纹均标配O型圈密封件。
订购代码


规格
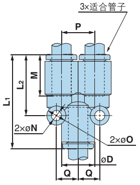
Y型管:Y-KQ2U


| 适用管道外径 (毫米) | ΦD | L1 | L2 | P | M | Q | ΦO | ΦN | 重量 (克) |
| Φ2 | 6.1 | 25.8 | 16.1 | 6.1 | 11.9 | 4.5 | 6 | 3.2 | 1.6 |
| Φ3.2 | 7.4 | 28.9 | 18 | 7.4 | 13.3 | 5.2 | 6 | 3.2 | 4.8 |
| Φ4 | 8.8 | 28.7 | 18.1 | 8.8 | 13.3 | 5.7 | 6 | 3.2 | 5.8 |
| Φ6 | 10.7 | 29.8 | 19.4 | 10.7 | 13.3 | 6.8 | 6 | 3.2 | 8.1 |
| Φ8 | 13.6 | 32.9 | 22 | 13.6 | 14.2 | 8.7 | 8 | 4.2 | 7.4 |
| Φ10 | 16.2 | 37.2 | 25.1 | 16.2 | 15.6 | 10.1 | 8 | 4.2 | 11.2 |
| Φ12 | 19 | 41.1 | 27.7 | 19 | 17 | 11.4 | 8 | 4.2 | 16.4 |
| Φ16 | 23.8 | 51.5 | 35 | 23.8 | 20.6 | 14 | 8 | 4.2 | 30.6 |
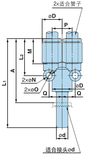
Y型管:Y-KQ2U


| 适用管道外径 (毫米) | 适用接头 Φd | ΦD | L1 | L2 | P | A | M | Q | ΦO | ΦN | 重量 (克) |
| Φ3.2 | Φ3.2 | 7.4 | 46.3 | 18 | 7.4 | 33 | 13.3 | 5.2 | 6 | 3.2 | 4.9 |
| Φ4 | Φ4 | 8.2 | 46.1 | 18.1 | 8.8 | 32.8 | 13.3 | 5.7 | 6 | 3.2 | 6.1 |
| Φ6 | Φ6 | 10.4 | 47.2 | 19.4 | 10.7 | 33.9 | 13.3 | 6.8 | 6 | 3.2 | 9 |
| Φ8 | Φ8 | 13.2 | 51.8 | 22 | 13.6 | 37.6 | 14.2 | 8.7 | 8 | 4.2 | 8 |
| Φ10 | Φ10 | 15.9 | 56.8 | 25.1 | 16.2 | 41.2 | 15.6 | 10.1 | 8 | 4.2 | 12.3 |
| Φ12 | Φ12 | 18.5 | 65.8 | 27.7 | 19 | 48.8 | 17 | 11.4 | 8 | 4.2 | 18.3 |
| Φ16 | Φ16 | 23.8 | 75.9 | 35 | 23.8 | 55.3 | 20.6 | 14 | 8 | 4.2 | 33.5 |
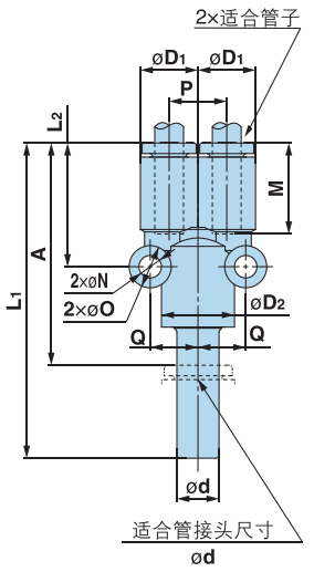
变径Y型管件:Y-KQ2X


| 适用管道外径 (毫米) | 适用于管道和配件尺寸 Φd | ΦD1 | ΦD2 | L1 | L2 | A | P | M | Q | ΦO | ΦN | 重量 (克) |
| Φ3.2 | Φ4 | 7.4 | 8.8 | 46.1 | 18 | 32.8 | 7.4 | 13.3 | 5.7 | 6 | 3.2 | 2.8 |
| Φ4 | Φ6 | 8.8 | 10.7 | 46.2 | 17.8 | 32.9 | 8.8 | 13.3 | 6.8 | 6 | 3.2 | 7.5 |
| Φ6 | Φ8 | 10.7 | 13.6 | 49.9 | 19.3 | 35.7 | 10.7 | 13.3 | 8.2 | 6 | 3.2 | 5.5 |
| Φ8 | Φ10 | 13.6 | 16.2 | 53.9 | 21.7 | 38.3 | 13.6 | 14.2 | 10.1 | 8 | 4.2 | 9.8 |
| Φ10 | Φ12 | 16.2 | 19 | 57.9 | 24.8 | 40.9 | 16.2 | 15.6 | 11.4 | 8 | 4.2 | 14.6 |
四通Y型连接器:Y-KQ2UD(密封胶)


| 适用管道外径 (毫米) | 连接螺纹 (R) | H (六边形的对边) | ΦD1 | ΦD2 | L | I | A | M | P | Q | ΦO | ΦN | 重量 (克) |
| Φ4 | Φ1/8 | 12 | 8.8 | 10.7 | 37.3 | 17.6 | 33.6 | 13.3 | 8.8 | 6.8 | 6 | 3.2 | 11.7 |
| Φ1/4 | 14 | 8.8 | 10.7 | 41.7 | 17.6 | 36.4 | 13.3 | 8.8 | 6.8 | 6 | 3.2 | 20.6 | |
| Φ6 | Φ1/8 | 14 | 8.8 | 10.7 | 41.7 | 17.6 | 36.4 | 13.3 | 8.8 | 6.8 | 6 | 3.2 | 20.6 |
| Φ1/4 | 14 | 10.7 | 13.6 | 43.8 | 21.4 | 39.2 | 13.3 | 10.7 | 8.2 | 6 | 3.2 | 21.6 |
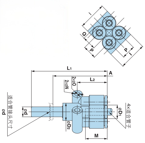
异径四管Y型接头:Y-KQ2UD


| 适用管道外径 (毫米) | ΦD1 | ΦD2 | L1 | L2 | P | I | M1 | M2 | Q | ΦO | ΦN | 重量 (克) | |
| a | b | ||||||||||||
| Φ4 | Φ6 | 8.8 | 10.7 | 29.1 | 18 | 8.8 | 17.3 | 13.3 | 13.3 | 6.8 | 6 | 3.2 | 5.4 |
| Φ6 | Φ8 | 10.7 | 13.6 | 31.6 | 20.3 | 10.7 | 21.4 | 13.3 | 14.2 | 8.2 | 6 | 3.2 | 8.1 |
四管插管Y型接头:Y-KQ2XD


| 适用管道外径 (毫米) | 适用管件尺寸 Φd | ΦD1 | ΦD2 | L1 | L2 | A | I | P | M | Q | ΦO | ΦN | 重量 (克) |
| Φ4 | Φ6 | 8.8 | 10.7 | 46.5 | 18 | 33.2 | 17.6 | 8.8 | 13.3 | 6.8 | 6 | 3.2 | 5.9 |
| Φ6 | Φ8 | 10.7 | 13.6 | 50.5 | 20.3 | 36.3 | 21.4 | 10.7 | 13.3 | 8.2 | 6 | 3.2 | 8.6 |