订购代码

规格
| 型号 | MHS2-16D | MHS2-20D | MHS2-25D | MHS2-32D | MHS2-40D | MHS2-50D | MHS2-63D | |
| 缸径(毫米) | 16 | 20 | 25 | 32 | 40 | 50 | 63 | |
| 流体 | 空气 | |||||||
| 工作压力 | 0.2~0.6MPa | 0.1~0.6MPa | ||||||
| 环境温度和流体温度 | -10~+60℃ | |||||||
| 重复性 | ±0.01毫米 | |||||||
| 最大动作频率 | 120 每分钟 | 60 每分钟 | ||||||
| 润滑 | 不需要 | |||||||
| 动作模式 | 双倍的 | |||||||
| 注:夹持压力0.5MPa | 外径夹紧 | 21 | 37 | 63 | 111 | 177 | 280 | 502 |
| 内径夹紧 | 23 | 42 | 71 | 123 | 195 | 306 | 537 | |
| 手指行程(mm) | 4 | 4 | 6 | 8 | 8 | 12 | 16 | |
| 管道尺寸 | M3x0.5 | M5x0.8 | ||||||
外形尺寸及结构
MHS2-16D 至 25D


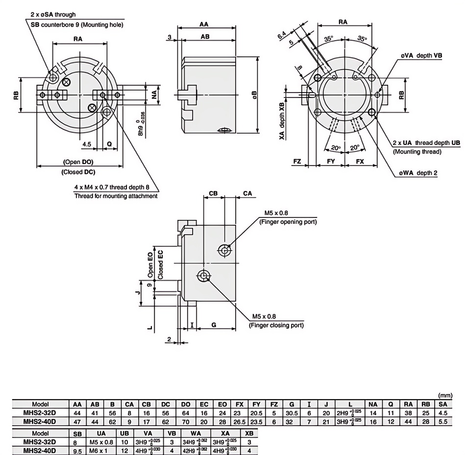
MHS2-32D/40D

MHS2-50D/63D

