1. 用于气动管路系统的快速气动管接头。
2. 多种管接头型号,满足您对气动管系统的所有需求。
3. 即使安装后,也可以自由改变管子的方向。
4. 镀镍金属机身确保防腐、防污染。
5. 所有R和NPT螺纹均预涂密封剂。
6. 所有圆柱螺纹均标配O型圈密封件。
订购代码


规格
插管减径接管:Y-KQ2R


| 适用管道外径 (毫米) | 适用管件尺寸 Φd | ΦD | L | A | M | 重量 (克) |
| Φ2 | Φ4 | 6.1 | 27.8 | 14.5 | 11.9 | 0.6 |
| Φ3.2 | Φ4 | 7.4 | 28.6 | 15.3 | 13.3 | 1.6 |
| Φ6 | 7.4 | 29.5 | 16.2 | 13.3 | 1 | |
| Φ4 | Φ6 | 8.8 | 29.5 | 16.2 | 13.3 | 2.2 |
| Φ8 | 8.8 | 29.5 | 15.3 | 13.3 | 1.3 | |
| Φ10 | 10.7 | 33.6 | 18 | 13.3 | 2.2 | |
| Φ6 | Φ4 | 10.7 | 33.6 | 20.3 | 13.3 | 1.4 |
| Φ8 | 10.7 | 31.5 | 17.3 | 13.3 | 1.7 | |
| Φ10 | 10.7 | 33.6 | 18 | 13.3 | 2.1 | |
| Φ12 | 13.6 | 36.5 | 19.5 | 13.3 | 3.2 | |
| Φ8 | Φ10 | 13.6 | 35 | 19.4 | 14.2 | 2.9 |
| Φ12 | 13.6 | 36.5 | 19.5 | 14.2 | 3.4 | |
| Φ10 | Φ12 | 16.2 | 39.2 | 22.8 | 15.6 | 4.5 |
| Φ16 | 16.2 | 44.7 | 24.1 | 15.6 | 4.5 | |
| Φ12 | Φ16 | 19 | 45.7 | 25.1 | 17 | 7 |
面板安装直通接管:Y-KQ2E


| 适用管道外径 (毫米) | T (M) | H (六边形的对边) | L | 安装孔 | M | 重量 (克) |
| Φ3.2 | M12×1 | 14 | 27.1 | 13 | 13.3 | 24.1 |
| Φ4 | M12×1 | 14 | 27.1 | 13 | 13.3 | 22.9 |
| Φ6 | M14×1 | 17 | 27.6 | 15 | 13.3 | 28 |
| Φ8 | M16×1 | 19 | 29.2 | 17 | 14.2 | 34 |
| Φ10 | M20×1 | 24 | 32.6 | 21 | 15.6 | 64.4 |
| Φ12 | M22×1 | 27 | 35.4 | 23 | 17 | 63.8 |
| Φ16 | M28x1.5 | 32 | 41.9 | 29 | 20.6 | 120.1 |
面板安装直通内螺纹接头:Y-KQ2E


| 适用管道外径 (毫米) | 连接螺纹 RC | T (M) | H1 (六边形的对边) | H2 (六边形的对边) | L1 | L2 | 安装孔 | M | 重量 (克) |
| Φ3.2 | Φ1/4 | M12×1 | 17 | 14 | 28.8 | 14.5 | 13 | 13.3 | 31.2 |
| Φ4 | Φ1/8 | M12×1 | 14 | 14 | 24.3 | 10 | 13 | 13.3 | 21.2 |
| Φ1/4 | M12×1 | 17 | 14 | 28.8 | 14.5 | 13 | 13.3 | 30.9 | |
| Φ6 | Φ1/8 | M14×1 | 17 | 17 | 23.8 | 9 | 15 | 13.3 | 28.9 |
| Φ1/4 | M14×1 | 17 | 17 | 28.3 | 13.5 | 15 | 13.3 | 32.4 | |
| Φ3/8 | M14×1 | 19 | 17 | 30.3 | 15.5 | 15 | 13.3 | 35.9 | |
| Φ8 | Φ1/8 | M16×1 | 17 | 19 | 24.1 | 6.8 | 17 | 14.2 | 30.5 |
| Φ1/4 | M16×1 | 17 | 19 | 28.3 | 11 | 17 | 14.2 | 33.1 | |
| Φ3/8 | M16×1 | 19 | 19 | 31.8 | 14.5 | 17 | 14.2 | 37.4 | |
| Φ10 | Φ1/4 | M20×1 | 22 | 24 | 29.6 | 10 | 21 | 15.6 | 63.8 |
| Φ3/8 | M20×1 | 22 | 24 | 31.6 | 12 | 21 | 15.6 | 21 | |
| Φ12 | Φ3/8 | M22×1 | 24 | 27 | 32.6 | 12 | 23 | 17 | 69.3 |
| Φ1/2 | M22×1 | 24 | 27 | 38.1 | 17.5 | 23 | 17 | 72.7 | |
| Φ16 | Φ3/8 | M28x1.5 | 30 | 32 | 34.4 | 11.5 | 29 | 20.6 | 122.2 |
| Φ1/2 | M28x1.5 | 30 | 32 | 38.8 | 15.9 | 29 | 20.6 | 132.1 |
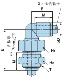
面板安装弯管:Y-KQ2LE


| 适用管道外径 (毫米) | T (M) | H1 (六边形的对边) | H2 (六边形的对边) | B | E | ΦD | 安装孔 | M | 重量 (克) |
| Φ4 | M12×1 | 14 | 14 | 14.8 | 28 | 8.8 | 13 | 13.3 | 21.2 |
| Φ6 | M14×1 | 17 | 17 | 15.3 | 30.3 | 10.7 | 15 | 13.3 | 29.4 |
| Φ8 | M16×1 | 17 | 19 | 17.3 | 32 | 13.6 | 17 | 14.2 | 30.4 |
| Φ10 | M20×1 | 22 | 24 | 19.6 | 33.7 | 16.2 | 21 | 15.6 | 53.5 |
| Φ12 | M22×1 | 24 | 27 | 21.9 | 43.5 | 19 | 23 | 17 | 61 |
堵头:Y-KQ2P


适用管道尺寸 Φd | ΦD | L | A | 重量 (克) |
| Φ2 | 3 | 22.3 | 10.4 | 0.1 |
| Φ3.2 | 5 | 31.5 | 18.2 | 1 |
| Φ4 | 6 | 32 | 18.7 | 1 |
| Φ6 | 8 | 35 | 21.7 | 1 |
| Φ8 | 10 | 39 | 24.8 | 2 |
| Φ10 | 12 | 43 | 27.4 | 3.5 |
| Φ12 | 14 | 45.5 | 28.5 | 5 |
| Φ16 | 20.9 | 47 | 26.4 | 8 |
管帽:Y-KQ2C


| 适用管道外径 (毫米) | ΦD | L | M | 重量 (克) |
| Φ4 | 8.8 | 14.6 | 13.3 | 0.8 |
| Φ6 | 10.7 | 14.8 | 13.3 | 1.1 |
| Φ8 | 13.6 | 15.6 | 14.2 | 2 |
| Φ10 | 16.2 | 17.3 | 15.6 | 2.9 |
| Φ12 | 19 | 18.58 | 17 | 4.5 |
| Φ16 | 23.8 | 23 | 20.6 | 8.4 |