1. 节省空间和紧凑的设计:ADVC 系列的设计重点是最大限度地减少安装空间和整体高度。这使得它们成为紧凑型机械和有限区域内夹紧和顶出等应用的完美解决方案。
2. 耐用可靠的结构:缸盖和缸体等关键部件采用优质锻造铝合金制成,表面经过阳极氧化处理,具有优异的耐腐蚀性(CRC 1 级)。活塞杆采用高合金钢制成,确保强度和耐用性。
3. 增强缓冲和平稳运行:气缸两端装有弹性聚合物缓冲器(缓冲)。这种设计有效地减少了冲程末端的冲击、噪音和振动,有助于延长使用寿命并提高性能。与之前的型号系列相比,缓冲特性得到显着改善。
4. 易于集成和灵活性:该系列提供多种活塞杆螺纹选项(内部或外部),以实现多功能连接。该气缸的孔径为 32 毫米,具有两个传感器插槽,可轻松集成非接触式接近开关,从而实现简单的位置感测。有多种安装选项可供选择,几乎可以安装在任何位置。
订购代码

规格
| 缸径(毫米) | 4 | 6 | 10 | 12 | 16 | 20 | 25 | 32 | 40 | 50 | 63 | 80 | 100 | |
| 接口 | M3 | M3 | M5 | M5 | M5 | M5 | M5 | G1/8 | G1/8 | G1/8 | G1/8 | G1/8 | G1/4 | |
| 活塞杆螺纹 | 内螺纹 | - | - | - | M3 | M4 | M5 | M5 | M6 | M6 | M8 | M8 | M10 | M12 |
| 外螺纹 | M2 | M2 | M4 | M5 | M6 | M8 | M8 | M10X1.25 | M10X1.25 | M12X1.25 | M12X1.25 | M16X1.5 | M20X1.5 | |
| 缓冲形式 | 两端有弹性垫 | |||||||||||||
| 6bar 推力时的理论值,推进力 | 5 | 11 | 41 | 59 | 105 | 170 | 270 | 450 | 700 | 1120 | 1800 | 2900 | 4500 | |
| 6bar 时的理论值,返回力 | 1 | 3 | 3 | 4 | 5 | 10 | 15 | 22 | 28 | 40 | 50 | 85 | 140 | |
| 材料 | 缸筒、端盖:阳极氧化铝 活塞杆: Φ4:阳极氧化铝 活塞杆密封:Φ4: 丁腈橡胶 Φ6...100:高质合金钢 Φ6...100:聚氨酯 | |||||||||||||
| 工作压力 | 2.5~8 | 2...8 | 1.5...8 | 1.5...10 | 1...10 | |||||||||
| 温度(℃) | -20...+80 | |||||||||||||
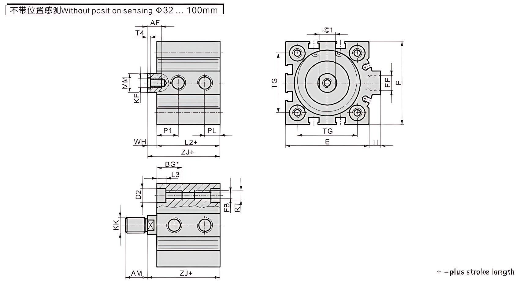
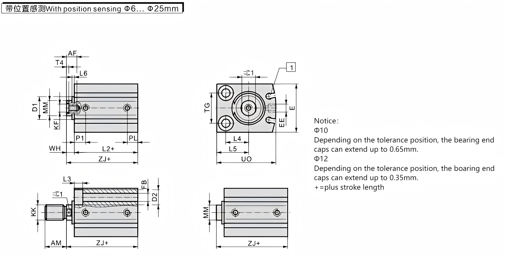
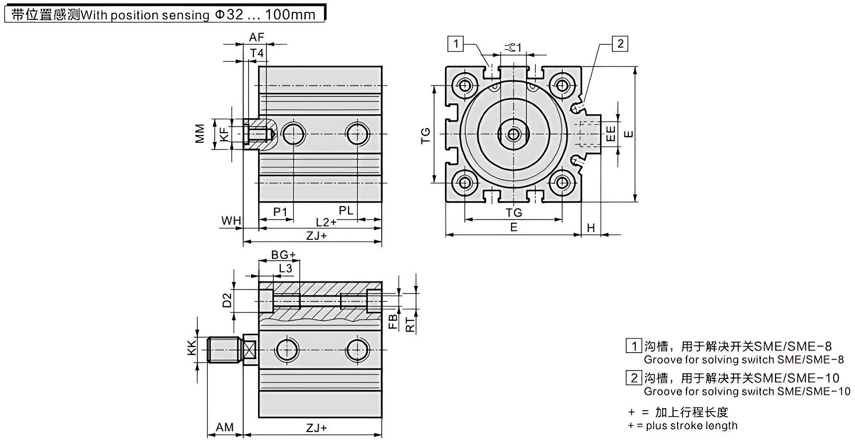
外形尺寸及结构

| Φ(毫米) | 行程(毫米) | AF 最小 | AM -0.5 | D1 Φ最大 | D2 Φ | E 最大 | EE | FB Φ | KF | KK | L2 +0.2 | L3 |
| 4 | 2.5 | - | 6 | - | 3.3+0.1 | 10 | M3 | 1.8 | - | M2 | 13 | 1.8 |
| 5 | 15.5 | |||||||||||
| 6 | 5 | - | 6 | - | 5+0.1 | 13 | M3 | 2.9 | - | M3 | 16 | 2.9 |
| 10 | 21 | |||||||||||
| 10 | 5 | - | 8 | 7.5 | 5.8+0.1 | 18 | M5 | 3.4 | - | M4 | 21 | 3.4 |
| 10 | 24 | |||||||||||
| 12 | 5 | 8 | 8 | 10.7 | 6H13 | 20 | M5 | 3.4 | M3 | M5 | 23 | 3.4 |
| 10 | 28 | |||||||||||
| 16 | 5 | 10 | 12 | - | 8H13 | 25 | M5 | 4.5 | M4 | M6 | 23 | 4.6 |
| 10 | 28 | |||||||||||
| 15 | 33 | |||||||||||
| 20 | 38 | |||||||||||
| 25 | 43 | |||||||||||
| 20 | 5 | 12 | 12 | - | 10H13 | 32 | M5 | 5.5 | M5 | M8 | 27 | 5.7 |
| 10 | 32 | |||||||||||
| 15 | 37 | |||||||||||
| 20 | 42 | |||||||||||
| 25 | 47 | |||||||||||
| 25 | 5 | 12 | 12 | - | 10H13 | 38 | M5 | 5.5 | M5 | M8 | 27.5 | 5.7 |
| 10 | 32.5 | |||||||||||
| 15 | 37.5 | |||||||||||
| 20 | 42.5 | |||||||||||
| 25 | 47.5 |
| Φ(毫米) | 行程(毫米) | L4 | L5 | L6 最大 | 毫米 Φ | P1 | PL | T4 | TG±0.1 | UO 最大 | WH | ZJ ±0.8 | |
| 4 | 2.5 | 4 | 6.5 | - | 2 | 3.7 | 3.2 | - | 5.8 | 10 | 1 | 14 | - |
| 5 | 16.5 | ||||||||||||
| 6 | 5 | 6 | 9 | - | 3 | 4.7 | 3 | - | 7 | 14 | 1 | 17 | - |
| 10 | 22 | ||||||||||||
| 10 | 5 | 8 | 11.5 | 0.7 | 4 | 5.2 | 5.2 | - | 11 | 19 | 1.5 | 22.5 | - |
| 10 | 6 | 5.5 | 25.5 | ||||||||||
| 12 | 5 | 9 | 13 | 0.4 | 6 | 5.75 | 5.75 | 1.5 | 13 | 22 | 4 | 27 | 5 |
| 10 | 9 | 6 | 32 | ||||||||||
| 16 | 5 | 11.5 | 16.5 | - | 8 | 6 | 6 | 2 | 15 | 27 | 4 | 27 | 7 |
| 10 | 7.5 | 32 | |||||||||||
| 15 | 37 | ||||||||||||
| 20 | 42 | ||||||||||||
| 25 | 47 | ||||||||||||
| 20 | 5 | 15 | 21 | - | 10 | 7.5 | 7 | 2 | 20 | 34 | 5 | 32 | 9 |
| 10 | 37 | ||||||||||||
| 15 | 42 | ||||||||||||
| 20 | 47 | ||||||||||||
| 25 | 52 | ||||||||||||
| 25 | 5 | 15.5 | 21.5 | - | 10 | 8 | 6.5 | 2 | 26 | 37 | 5 | 32.5 | 9 |
| 10 | 37.5 | ||||||||||||
| 15 | 42.5 | ||||||||||||
| 20 | 47.5 | ||||||||||||
| 25 | 52.5 |

| Φ(毫米) | AF 最小 | AM -0.5 | BG* 最小 | D2 ΦF9 | E 最大 | EE | FB Φ | H | KF | KK** |
| 32 | 12 | 14 | 21.7 | 9 | 45 | G1/8 | 5.2 | 7 | M6 | M10x1.25 |
| 40 | 12 | 14 | 21.7 | 9 | 53.5 | G1/8 | 5.2 | 7 | M6 | M10x1.25 |
| 50 | 16 | 16 | 22.8 | 11 | 63.5 | G1/8 | 6.8 | 7.5 | M8 | M12x1.25 |
| 63 | 16 | 16 | 22.8 | 11 | 75 | G1/8 | 6.8 | 7.5 | M8 | M12x1.25 |
| 80 | 20 | 22 | 25 | 14 | 93 | G1/8 | 8.5 | 7 | M10 | M16x1.5 |
| 100 | 24 | 28 | 25 | 14 | 113 | G1/4 | 8.5 | 13 | M12 | M20x1.5 |
| Φ(毫米) | 行程(毫米) | L2 +0.2 | L3 | 毫米 Φ | P1 | PL | RT | T4 | TG±0.1 | WH | ZJ±0.8 | |
| 32 | 5 | 34 | 5.7 | 12 | 9 | 8.5 | M6 | 2.6 | 32.5 | 6 | 40 | 10 |
| 10 | 39 | 45 | ||||||||||
| 15 | 44 | 50 | ||||||||||
| 20 | 49 | 55 | ||||||||||
| 25 | 54 | 60 | ||||||||||
| 40 | 5 | 34.5 | 5.7 | 12 | 11 | 9 | M6 | 2.6 | 38 | 6 | 40.5 | 10 |
| 10 | 39.5 | 45.5 | ||||||||||
| 15 | 44.5 | 50.5 | ||||||||||
| 20 | 49.5 | 55.5 | ||||||||||
| 25 | 54.5 | 60.5 | ||||||||||
| 50 | 10 | 38 | 6.8 | 16 | 11.3 | 9.5 | M8 | 3.3 | 46.5 | 8 | 46 | 13 |
| 15 | 43 | 51 | ||||||||||
| 20 | 48 | 56 | ||||||||||
| 25 | 53 | 61 | ||||||||||
| 63 | 10 | 45 | 6.8 | 16 | 12.5 | 11.5 | M8 | 3.3 | 56.5 | 8 | 53 | 13 |
| 15 | 50 | 58 | ||||||||||
| 20 | 55 | 63 | ||||||||||
| 25 | 60 | 68 | ||||||||||
| 80 | 10 | 45 | 6.8 | 16 | 12.5 | 11.5 | M8 | 3.3 | 56.5 | 8 | 53 | 13 |
| 15 | 50 | 58 | ||||||||||
| 20 | 55 | 63 | ||||||||||
| 25 | 60 | 68 | ||||||||||
| 100 | 10 | 59 | 9 | 25 | 16.5 | 19 | M10 | 6.1 | 89 | 10 | 69 | 22 |
| 15 | 64 | 74 | ||||||||||
| 20 | 69 | 79 | ||||||||||
| 25 | 74 | 84 |

| Φ(毫米) | AF 最小 | AM -0.5 | D1 Φ 最大 | D2 Φ | E 最大 | EE | FB Φ | KF | KK | L3 | L4 |
| 6 | - | 6 | - | 5+0.1 | 16 | M3 | 2.9 | - | M3 | 2.9 | 5 |
| 10 | - | 8 | 7.5 | 5.8+0.1 | 21 | M5 | 3.4 | - | M4 | 3.4 | 7 |
| 12 | 8 | 8 | 10.7 | 6H13 | 24 | M5 | 3.4 | M3 | M5 | 3.4 | 8 |
| 16 | 10 | 12 | - | 8H13 | 28 | M5 | 4.5 | M4 | M6 | 4.6 | 12 |
| 20 | 12 | 12 | - | 10H13 | 32 | M5 | 5.5 | M5 | M8 | 5.7 | 15 |
| 25 | 12 | 12 | - | 10H13 | 38 | M5 | 5.5 | M5 | M8 | 5.7 | 15.5 |
| Φ(毫米) | 行程(毫米) | L2 +0.2 | L5 | L6 最大 | MM Φ | P1 | PL | T4 | TG±0.1 | UO | WH | ZJ±0.8 | |
| 6 | 5 | 25.5 | 8 | - | 3 | 5.2 | 3 | - | 10 | 16 | 1 | 26.5 | - |
| 10 | 30.5 | 31.5 | |||||||||||
| 10 | 5 | 27 | 10.5 | 0.7 | 4 | 6 | 6 | - | 14 | 22 | 1.5 | 28.5 | - |
| 10 | 32 | 33.5 | |||||||||||
| 12 | 5 | 36 | 12 | 0.4 | 6 | 7 | 6 | 1.5 | 16 | 26 | 4 | 40 | 5 |
| 10 | 41 | 45 | |||||||||||
| 16 | 5 | 35 | 17 | - | 8 | 8 | 6 | 2 | 18 | 32 | 4 | 39 | 7 |
| 10 | 40 | 44 | |||||||||||
| 15 | 45 | 49 | |||||||||||
| 20 | 50 | 54 | |||||||||||
| 25 | 55 | 59 | |||||||||||
| 20 | 5 | 37 | 21 | - | 10 | 7.5 | 7 | 2 | 20 | 39 | 5 | 42 | 9 |
| 10 | 42 | 47 | |||||||||||
| 15 | 47 | 52 | |||||||||||
| 20 | 52 | 57 | |||||||||||
| 25 | 57 | 62 | |||||||||||
| 25 | 5 | 37 | 21.5 | - | 10 | 10 | 6 | 2 | 26 | 42 | 5 | 42 | 9 |
| 10 | 42 | 47 | |||||||||||
| 15 | 47 | 52 | |||||||||||
| 20 | 52 | 57 | |||||||||||
| 25 | 57 | 62 |

| Φ(毫米) | AF 最小 | AM -0.5 | BG* 最小 | D2 Φ F9 | E 最大 | EE | FB Φ | H | KF | KK** |
| 32 | 12 | 14 | 21.7 | 9 | 45 | G1/8 | 5.2 | 7 | M6 | M10x1.25 |
| 40 | 12 | 14 | 21.7 | 9 | 53.5 | G1/8 | 5.2 | 7 | M6 | M10x1.25 |
| 50 | 16 | 16 | 22.8 | 11 | 63.5 | G1/8 | 6.8 | 7 | M8 | M12x1.25 |
| 63 | 16 | 16 | 22.8 | 11 | 75 | G1/8 | 6.8 | 7.5 | M8 | M12x1.25 |
| 80 | 20 | 22 | 25 | 14 | 93 | G1/8 | 8.5 | 7 | M10 | M16x1.5 |
| 100 | 24 | 28 | 25 | 14 | 113 | G1/4 | 8.5 | 13 | M12 | M20x1.5 |
| Φ(毫米) | 行程(毫米) | L2 +0.2 | L3 | MM Φ | P1 | PL | RT | T4 | TG±0.1 | WH | ZJ ±0.8 | |
| 32 | 5 | 38 | 5.7 | 12 | 9 | 8.5 | M6 | 2.6 | 32.5 | 6 | 44 | 10 |
| 10 | 43 | 49 | ||||||||||
| 15 | 48 | 54 | ||||||||||
| 20 | 53 | 59 | ||||||||||
| 25 | 58 | 64 | ||||||||||
| 40 | 5 | 43 | 5.7 | 12 | 13.5 | 9.5 | M6 | 2.6 | 38 | 6 | 49 | 10 |
| 10 | 48 | 54 | ||||||||||
| 15 | 53 | 59 | ||||||||||
| 20 | 58 | 64 | ||||||||||
| 25 | 63 | 69 | ||||||||||
| 50 | 10 | 48 | 6.8 | 16 | 11.3 | 9.5 | M8 | 3.3 | 46.5 | 8 | 56 | 13 |
| 15 | 53 | 61 | ||||||||||
| 20 | 58 | 66 | ||||||||||
| 25 | 63 | 71 | ||||||||||
| 63 | 10 | 51 | 6.8 | 16 | 12.5 | 10.5 | M8 | 3.3 | 56.5 | 8 | 59 | 13 |
| 15 | 56 | 64 | ||||||||||
| 20 | 61 | 69 | ||||||||||
| 25 | 66 | 74 | ||||||||||
| 80 | 10 | 59 | 9 | 20 | 15 | 8.5 | M10 | 4.7 | 72 | 8 | 67 | 17 |
| 15 | 64 | 72 | ||||||||||
| 20 | 69 | 77 | ||||||||||
| 25 | 74 | 82 | ||||||||||
| 100 | 10 | 68 | 9 | 25 | 16.5 | 10.5 | M10 | 6.1 | 89 | 10 | 78 | 22 |
| 15 | 73 | 83 | ||||||||||
| 20 | 78 | 88 | ||||||||||
| 25 | 83 | 93 |